指南生活
首页
美食营养
手工爱好
生活家居
返回
指南生活
首页
美食营养
游戏数码
手工爱好
生活家居
健康养生
运动户外
职场理财
情感交际
母婴教育
时尚美容
知识问答
生活知识
搜索
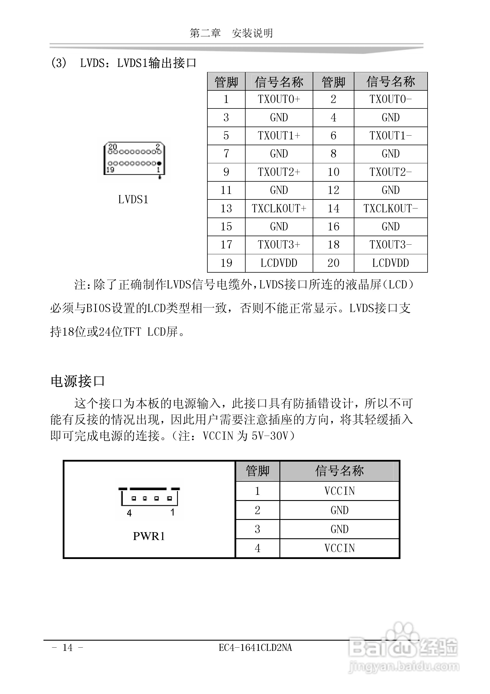
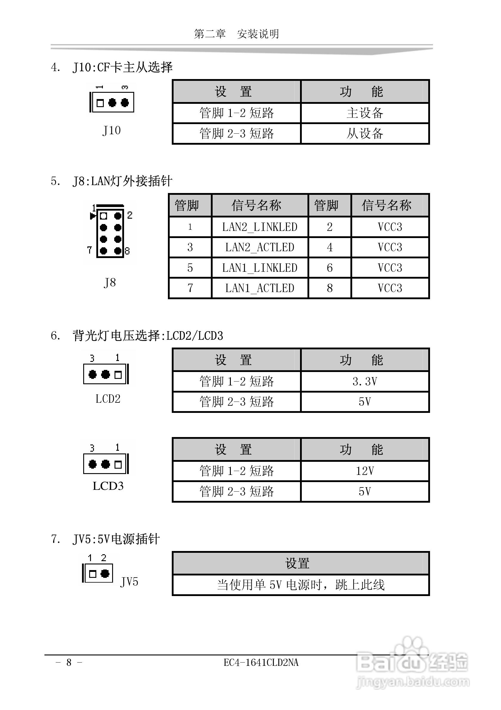
研祥EC4-1641CLD2NA工业级CPU板卡说明书:[2]
2026-01-19 10:24:09
本篇为《研祥EC4-1641CLD2NA工业级CPU板卡说明书》,主要介绍该产品的使用方法以及常见故障解决方案。
(共篇)
上一篇:
|
下一篇:
声明:
本网站引用、摘录或转载内容仅供网站访问者交流或参考,不代表本站立场,如存在版权或非法内容,请联系站长删除,联系邮箱:site.kefu@qq.com。
相关推荐
研祥EC4-1641CLD2NA工业级CPU板卡说明书:[4]
阅读量:111
研祥EC4-1641CLD2NA工业级CPU板卡说明书:[3]
阅读量:178
研祥ETX-1641CLDNA工业级CPU板卡说明书:[2]
阅读量:105
研祥CPC-1711CLD2NA工业级CPU板卡说明书:[3]
阅读量:133
研祥ETX-1641CLDNA工业级CPU板卡说明书:[1]
阅读量:161
猜你喜欢
如何制作mv视频
怎么系领带图解
公积金是什么意思
st股票如何摘帽
生活小常识
白发如何变黑
完美生活吉他谱
如期而至是什么意思
生活中的错别字图片
ob是什么意思
猜你喜欢
ie浏览器打不开怎么办
生活好累好压抑的句子
诫勉谈话是什么处分
生活万岁
怡丽卫生巾怎么样
完美生活网登录系统
亚马逊怎么联系卖家
htc手机怎么截屏
投资黄金怎么样
如何进行市场细分