指南生活
首页
美食营养
手工爱好
生活家居
返回
指南生活
首页
美食营养
游戏数码
手工爱好
生活家居
健康养生
运动户外
职场理财
情感交际
母婴教育
时尚美容
知识问答
生活知识
生活百科
搜索
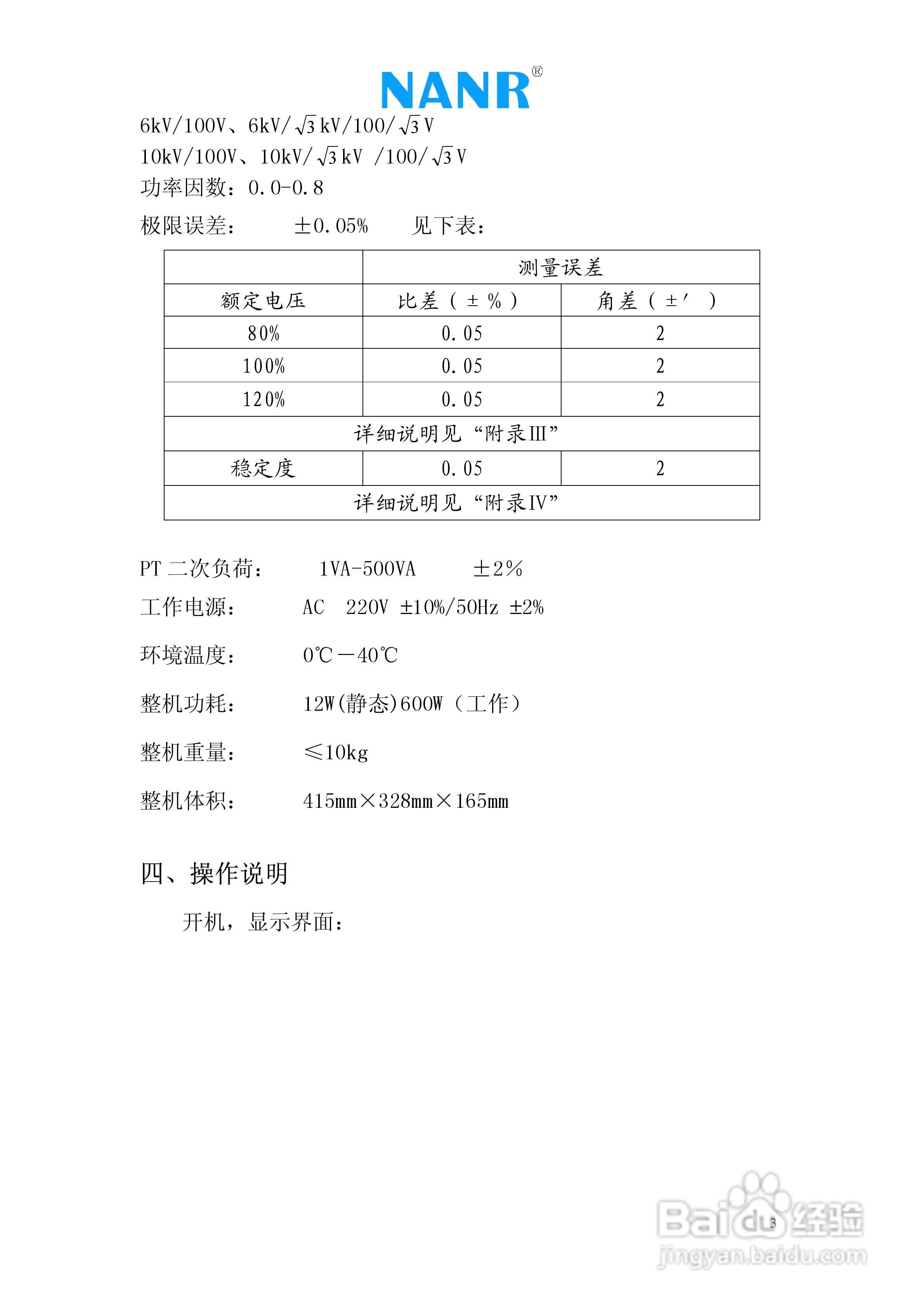
南瑞电气HJ 系列标准电压互感器说明书:[1]
2026-03-26 01:19:13
本篇为《南瑞电气HJ 系列标准电压互感器说明书》,主要介绍该产品的使用方法以及常见故障解决方案。
(共篇)
下一篇:
声明:
本网站引用、摘录或转载内容仅供网站访问者交流或参考,不代表本站立场,如存在版权或非法内容,请联系站长删除,联系邮箱:site.kefu@qq.com。
相关推荐
南瑞电气HJ 系列标准电压互感器说明书:[2]
阅读量:98
WDZ-491电压互感器保护测控装置说明书:[1]
阅读量:46
PCS-9250系列电子式电流电压互感器使用说明书:[1]
阅读量:174
南瑞电气ZGF 系列直流高压发生器说明书:[1]
阅读量:125
WDZ-491电压互感器保护测控装置说明书:[5]
阅读量:181
猜你喜欢
培根是什么肉
1983年是什么命
offer是什么
7月14日是什么节
隐血是什么意思
穿刺是什么
什么银最好
pos机是什么
利润等于什么
什么app可以赚钱
猜你喜欢
旗舰店是什么意思
消极是什么意思
亲切的反义词是什么
郑重的反义词是什么
什么粥养胃
guess是什么牌子
vivo手机最新款是什么型号
cosplay什么意思
驻车制动器是什么
ipad已停用连接itunes什么意思