指南生活
首页
美食营养
手工爱好
生活家居
返回
指南生活
首页
美食营养
游戏数码
手工爱好
生活家居
健康养生
运动户外
职场理财
情感交际
母婴教育
时尚美容
知识问答
生活知识
搜索
信捷(XINJE)FB5-4030变频器说明书:[2]
2025-12-30 19:34:55
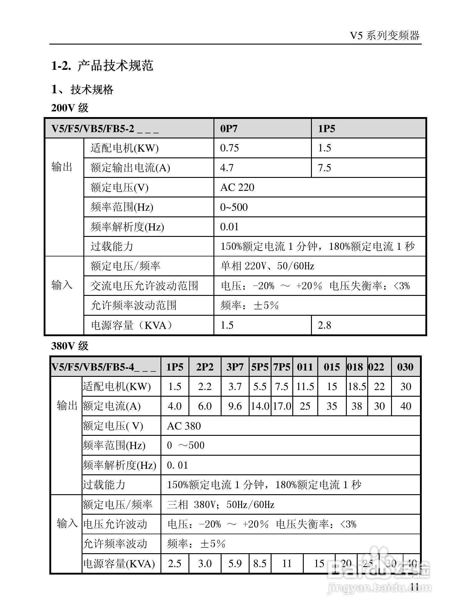
本篇为《信捷(XINJE)FB5-4030变频器说明书》,主要介绍该产品的使用方法以及常见故障解决方案。
(共篇)
上一篇:
|
下一篇:
声明:
本网站引用、摘录或转载内容仅供网站访问者交流或参考,不代表本站立场,如存在版权或非法内容,请联系站长删除,联系邮箱:site.kefu@qq.com。
相关推荐
信捷(XINJE)FB5-4030变频器说明书:[5]
阅读量:111
信捷(XINJE)FB5-4030变频器说明书:[3]
阅读量:175
蓝海华腾变频器V5-H-2T2.2G说明书:[5]
阅读量:23
蓝海华腾变频器V6-H-2T2.2G说明书:[5]
阅读量:41
CM2000E系列变频器说明书:[5]
阅读量:22
猜你喜欢
孺子牛比喻什么
萝莉是什么意思
现在什么手机性价比最高
代理什么产品有市场
绊脚石的意思
ojt是什么意思
浇灌的意思
什么牌子粉底液好用
蕴含的意思
海市蜃楼是什么意思
猜你喜欢
埋怨的意思
骄阳似火是什么意思
利率是什么意思
有什么好看的h小说
面膜什么时候贴最好
学而不厌的意思
安可是什么意思
什么是pki
瑕不掩瑜的意思
什么人双手是多余的