指南生活
首页
美食营养
手工爱好
生活家居
返回
指南生活
首页
美食营养
游戏数码
手工爱好
生活家居
健康养生
运动户外
职场理财
情感交际
母婴教育
时尚美容
知识问答
生活知识
生活百科
搜索
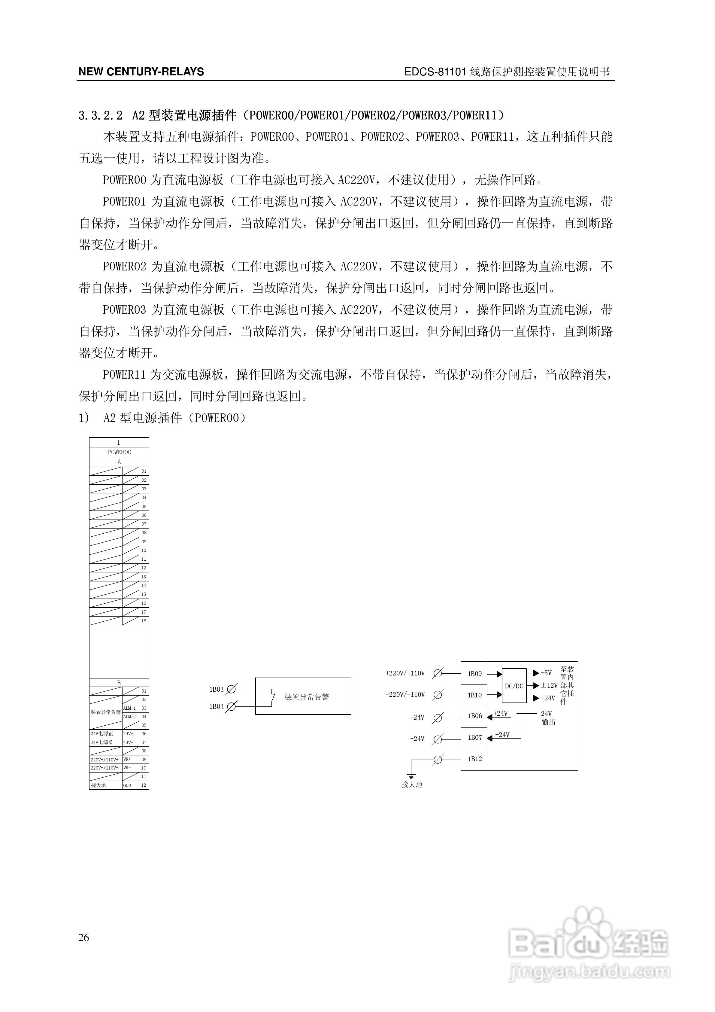
新世纪EDCS-81103线路保护测控装置说明书:[4]
2026-05-10 01:40:52
本篇为《新世纪EDCS-81103线路保护测控装置说明书》,主要介绍该产品的使用方法以及常见故障解决方案。
(共篇)
上一篇:
|
下一篇:
声明:
本网站引用、摘录或转载内容仅供网站访问者交流或参考,不代表本站立场,如存在版权或非法内容,请联系站长删除,联系邮箱:site.kefu@qq.com。
相关推荐
新世纪EDCS-81103线路保护测控装置说明书:[3]
阅读量:156
新世纪福音战士ol回收系统介绍
阅读量:146
新世纪EDCS-81103线路保护测控装置说明书:[6]
阅读量:54
新世纪EDCS-81103线路保护测控装置说明书:[8]
阅读量:95
新世纪EDCS-81103线路保护测控装置说明书:[9]
阅读量:138
猜你喜欢
食指戴戒指什么意思
梦见死人是什么兆头
周记是什么意思
微信拍一拍什么意思
群众路线是什么
上海户口有什么好处
呕心沥血是什么意思
申论是什么
bad是什么意思
七夕是什么节日啊
猜你喜欢
什么是etf
hp什么意思
尿常规检查什么
来例假能吃什么水果
什么是信息
home是什么意思
cm是什么单位
什么的树荫
someone like you 什么意思
usually是什么意思