指南生活
首页
美食营养
手工爱好
生活家居
返回
指南生活
首页
美食营养
游戏数码
手工爱好
生活家居
健康养生
运动户外
职场理财
情感交际
母婴教育
时尚美容
知识问答
生活知识
生活百科
搜索
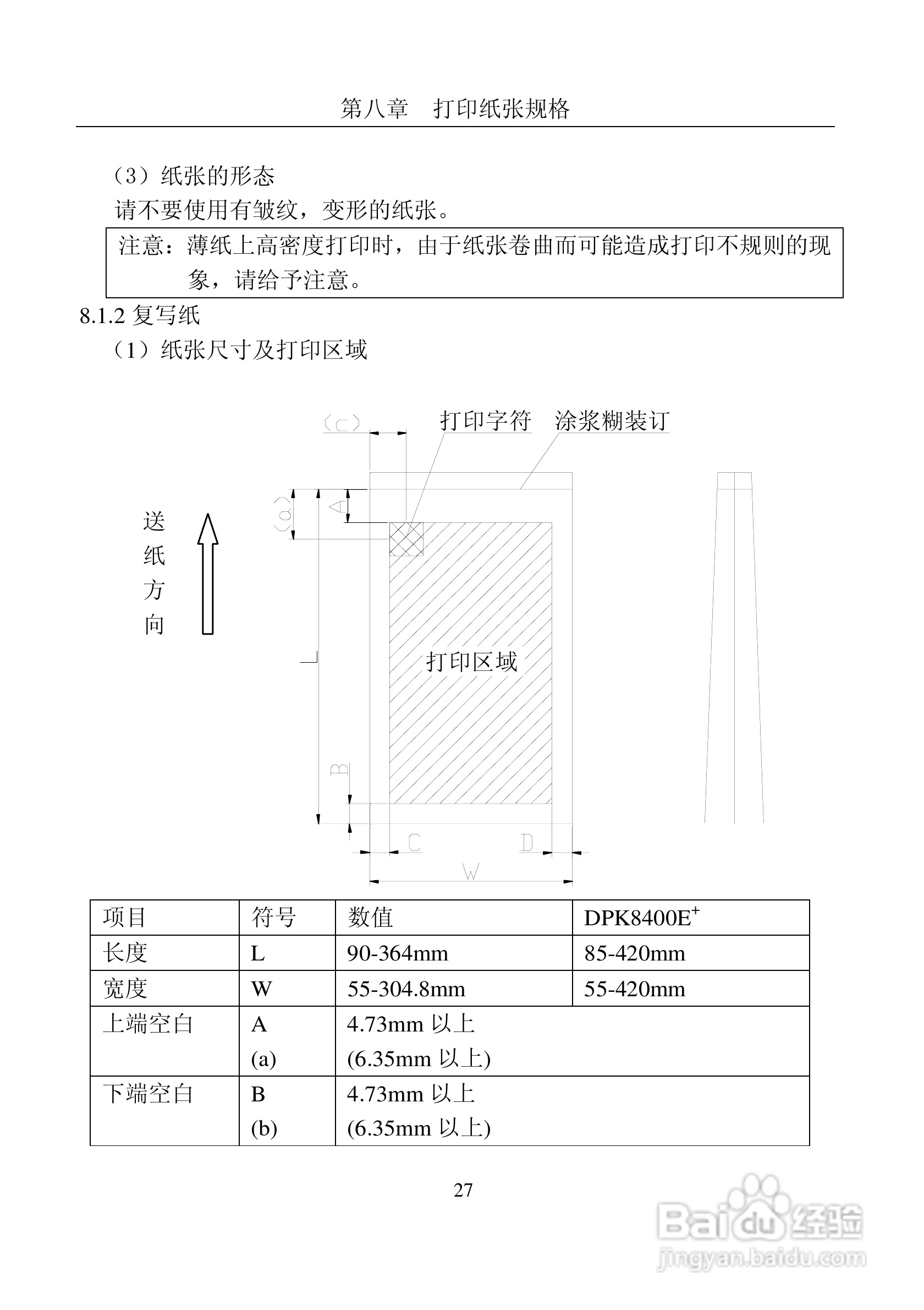
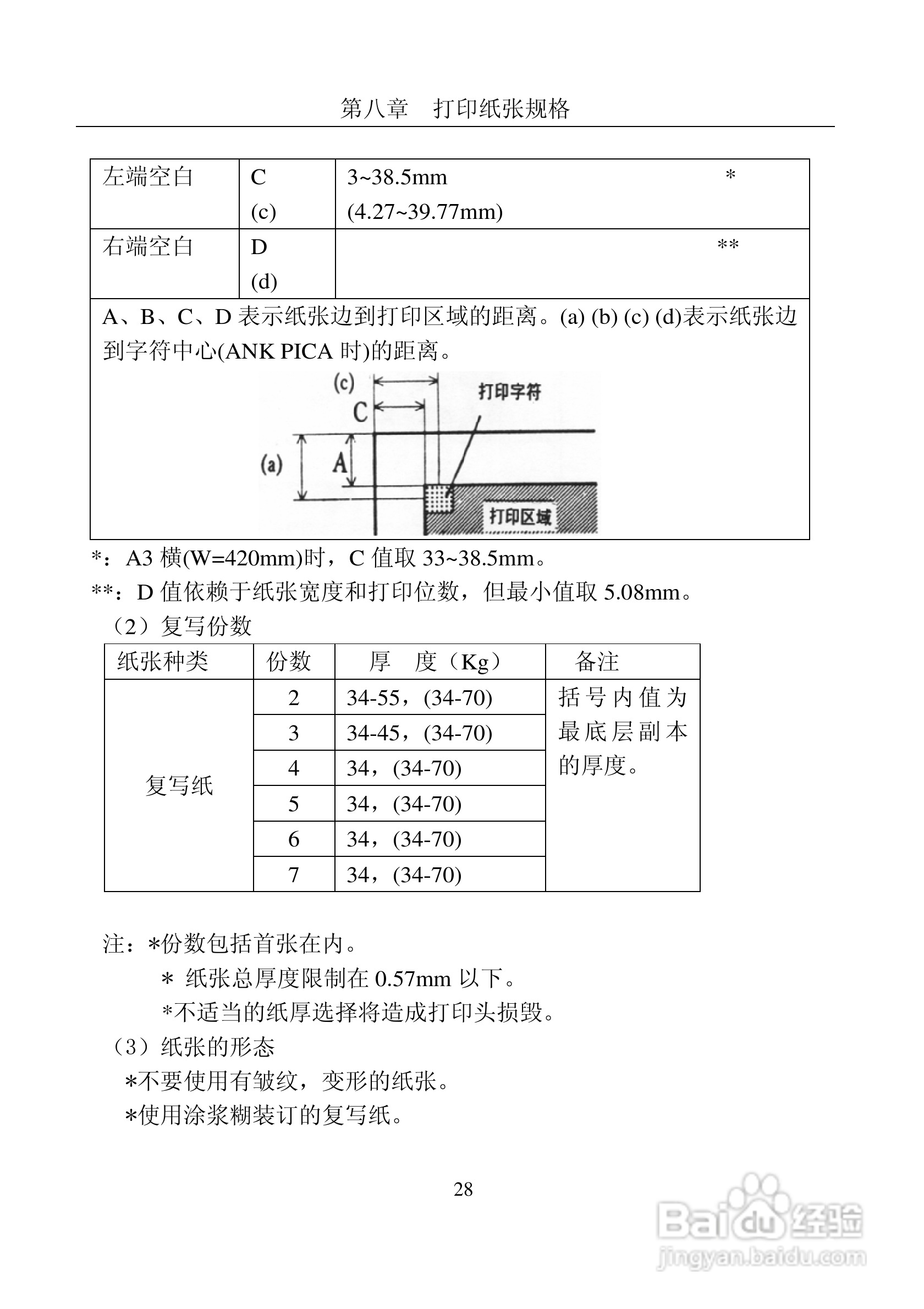
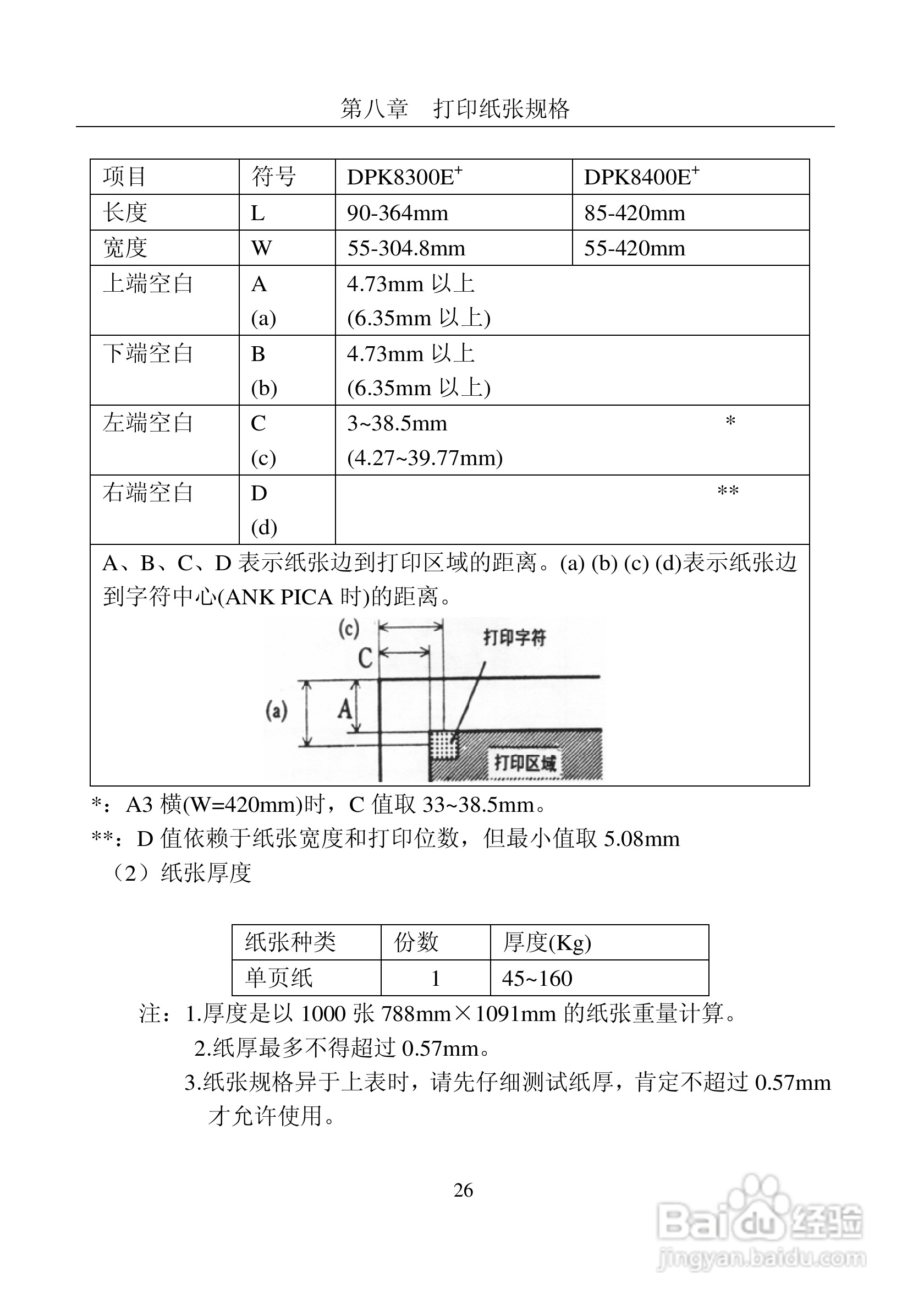
富士通DPK8400E+平推式打印机使用说明书:[4]
2026-05-14 21:08:32
本篇为《富士通DPK8400E+平推式打印机使用说明书》,主要介绍该产品的使用方法以及常见故障解决方案。
(共篇)
上一篇:
|
下一篇:
声明:
本网站引用、摘录或转载内容仅供网站访问者交流或参考,不代表本站立场,如存在版权或非法内容,请联系站长删除,联系邮箱:site.kefu@qq.com。
相关推荐
富士通DPK8400E+平推式打印机使用说明书:[1]
阅读量:88
富士通DPK8400E+平推式打印机使用说明书:[2]
阅读量:39
给富士通dpk750打印机原装色带盒换色带技巧
阅读量:182
打印机驱动程序如何安装
阅读量:104
打印机连不上电脑怎么办
阅读量:156
猜你喜欢
店铺起名大全
电子邮箱地址怎么填
小学谚语大全
这个怎么打出来
cf怎么瞬狙
不良信用记录怎么消除
附件炎怎么检查
小学生成语大全
农村墓地风水怎么看
群头衔名称大全霸气
猜你喜欢
caterpillar怎么读
扬子空调怎么样
日记100字大全
动物声音叫声大全
羊饲料配方大全
男士鞋子品牌大全
卡通小汽车图片大全
做人爱视频大全美国
初中作文大全800字
送别诗句大全