机房防雷怎么做的
1、1
1.等电位连接
等电位连接是防雷中的关键步骤,用PT303等电位连接铜排在机房静电地板下组成纵横交叉的网状结构,将防雷器、金属机柜和机房设备用BVR6的多股铜导线可靠连接到等电位铜排上,使整个机房处于同一电位之下,避免雷击时各设备之间相互放电,击坏设备。根据现场情况,等电位连接采用M型结构,围绕设备一圈。各静电地板支座下敷设防静电环。2.接地
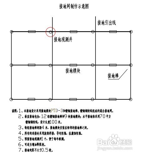
雷电的最终去处就是接地网,所以一定要有一个好的接地,按照国家规范,接地电阻要求小于4欧姆。采用普天非金属接地模块PTD-3,镀铜接地棒KWD-14C和降阻剂搭配使用,抗腐蚀性强,50年不变质。接地线与等电位汇流铜排可靠连接。接地模块数量预计30块,镀铜接地棒数量预计30组。降阻剂30袋,接地干线采用镀铜钢绞线KW-S70,线径70平方。在大楼南侧空地做网状接地,
接地干线经电缆井进入大楼,沿着大楼电井进入自动化机房。
室外设置接地网观测井1个。

声明:本网站引用、摘录或转载内容仅供网站访问者交流或参考,不代表本站立场,如存在版权或非法内容,请联系站长删除,联系邮箱:site.kefu@qq.com。
阅读量:46
阅读量:120
阅读量:91
阅读量:122
阅读量:95