指南生活
首页
美食营养
手工爱好
生活家居
返回
指南生活
首页
美食营养
游戏数码
手工爱好
生活家居
健康养生
运动户外
职场理财
情感交际
母婴教育
时尚美容
知识问答
生活知识
搜索
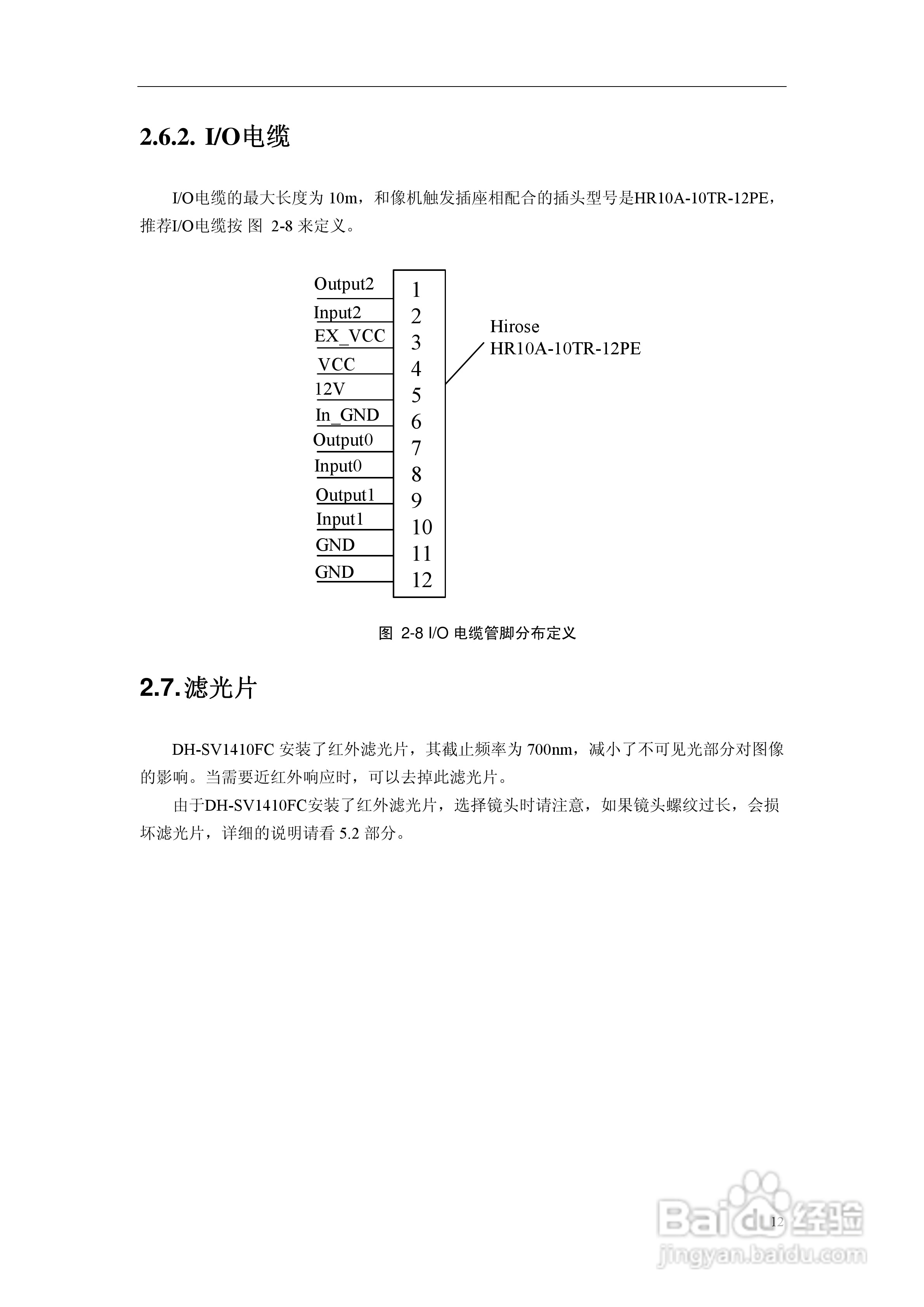
DH-SV1410FC/FM数字摄像机使用说明书:[2]
2026-01-05 19:31:18
本篇为《DH-SV1410FC/FM数字摄像机使用说明书》,主要介绍该产品的使用方法以及常见故障解决方案。
(共篇)
上一篇:
|
下一篇:
声明:
本网站引用、摘录或转载内容仅供网站访问者交流或参考,不代表本站立场,如存在版权或非法内容,请联系站长删除,联系邮箱:site.kefu@qq.com。
相关推荐
KENWOOD DH-HV1300FM数字摄像机使用说明书:[10]
阅读量:103
KENWOOD DH-HV1300FM数字摄像机使用说明书:[6]
阅读量:119
使用说明书wf2651使用指南
阅读量:64
DH新特质怎么点
阅读量:87
使用说明书封面怎么做
阅读量:85
猜你喜欢
tp-link无线路由器怎么设置
衣服上有霉点怎么洗掉
鱼生病了怎么办
梦幻手游地府怎么加点
如何办理社保卡
如何去青春痘
高铁旅游
都市旅游卡
三人行必有我师出自哪里
神奇动物在哪里1
猜你喜欢
大雁塔在哪里
九寨沟黄龙旅游攻略
怎么把ppt转成图片
宝宝嘴角烂了怎么办
路由器论坛
湖北武汉旅游
如何增强免疫力
张家界旅游网
麦克风没声音怎么办
怎么ping ip