指南生活
首页
美食营养
手工爱好
生活家居
返回
指南生活
首页
美食营养
游戏数码
手工爱好
生活家居
健康养生
运动户外
职场理财
情感交际
母婴教育
时尚美容
知识问答
生活知识
搜索
HSV-160B+系列全数字交流伺服驱动单元使用说明书:[7]
2026-01-05 02:06:40
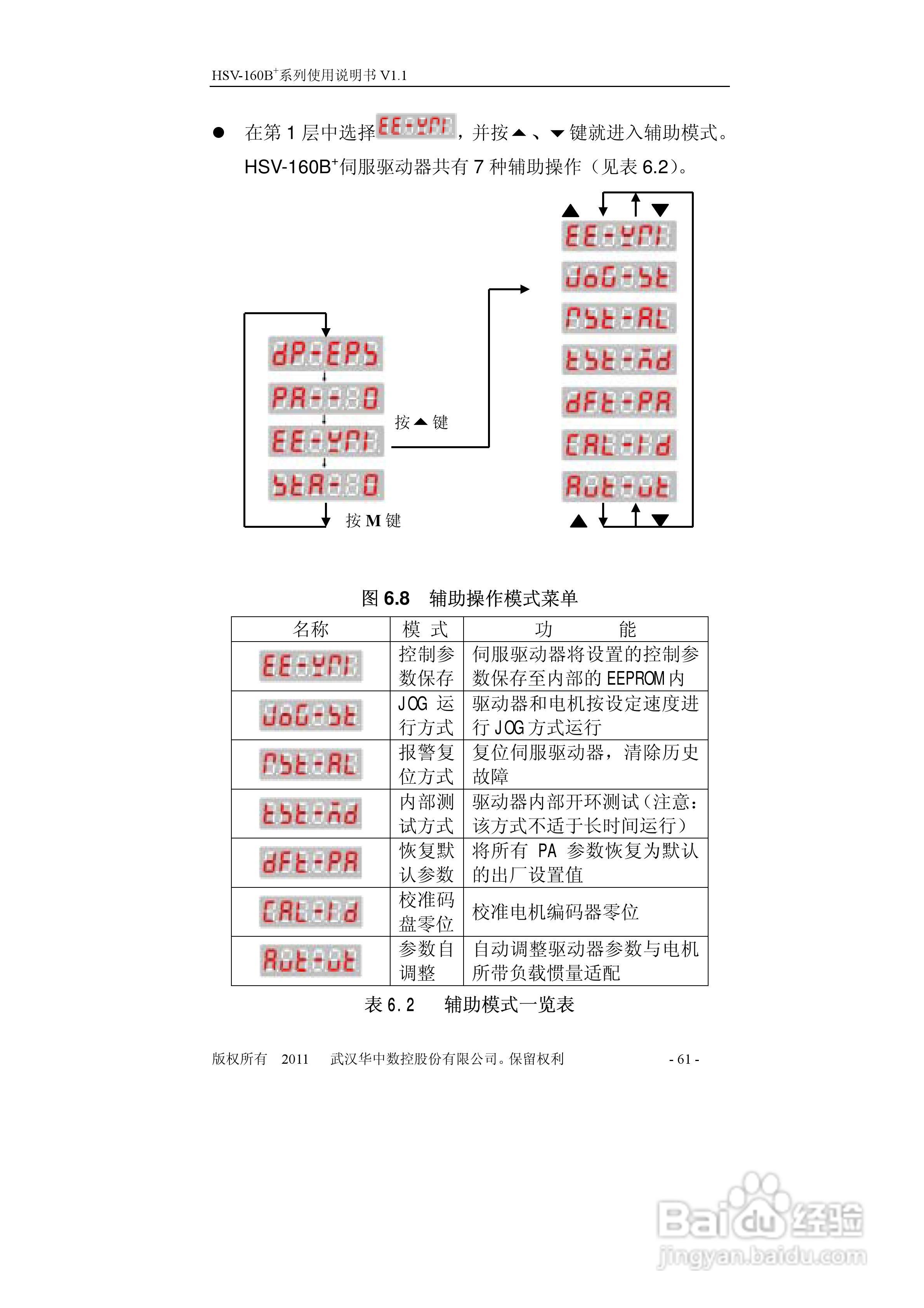
本篇为《HSV-160B+系列全数字交流伺服驱动单元使用说明书》,主要介绍该产品的使用方法以及常见故障解决方案。
(共篇)
上一篇:
|
下一篇:
声明:
本网站引用、摘录或转载内容仅供网站访问者交流或参考,不代表本站立场,如存在版权或非法内容,请联系站长删除,联系邮箱:site.kefu@qq.com。
相关推荐
HSV-160B+系列全数字交流伺服驱动单元使用说明书:[11]
阅读量:21
HSV-160系列全数字交流伺服驱动单元使用说明书:[3]
阅读量:143
HSV-20D系列全数字交流伺服驱动单元使用说明书:[1]
阅读量:90
HSV-20D系列全数字交流伺服驱动单元使用说明书:[2]
阅读量:27
伺服驱动器速度怎么计算
阅读量:133
猜你喜欢
厌世怎么办
检查装置气密性的方法
office2010怎么激活
摩托车报价大全
怎么查手机积分
二四六免费资料大全
兰花的养殖方法
葱油饼的家常做法
瘦肚子的最快方法
农村别墅设计图纸及效果图大全
猜你喜欢
快速祛痘的方法
舌头上长泡怎么办
肾阳虚的治疗方法
坐便堵了怎么办
苹果手机怎么连电脑
肛瘘怎么治
做肠粉的米浆怎么配
abac式的词语大全
凉拌土豆丝的家常做法
蒸鸡蛋怎么做好吃又嫩