指南生活
首页
美食营养
手工爱好
生活家居
返回
指南生活
首页
美食营养
游戏数码
手工爱好
生活家居
健康养生
运动户外
职场理财
情感交际
母婴教育
时尚美容
知识问答
生活知识
搜索
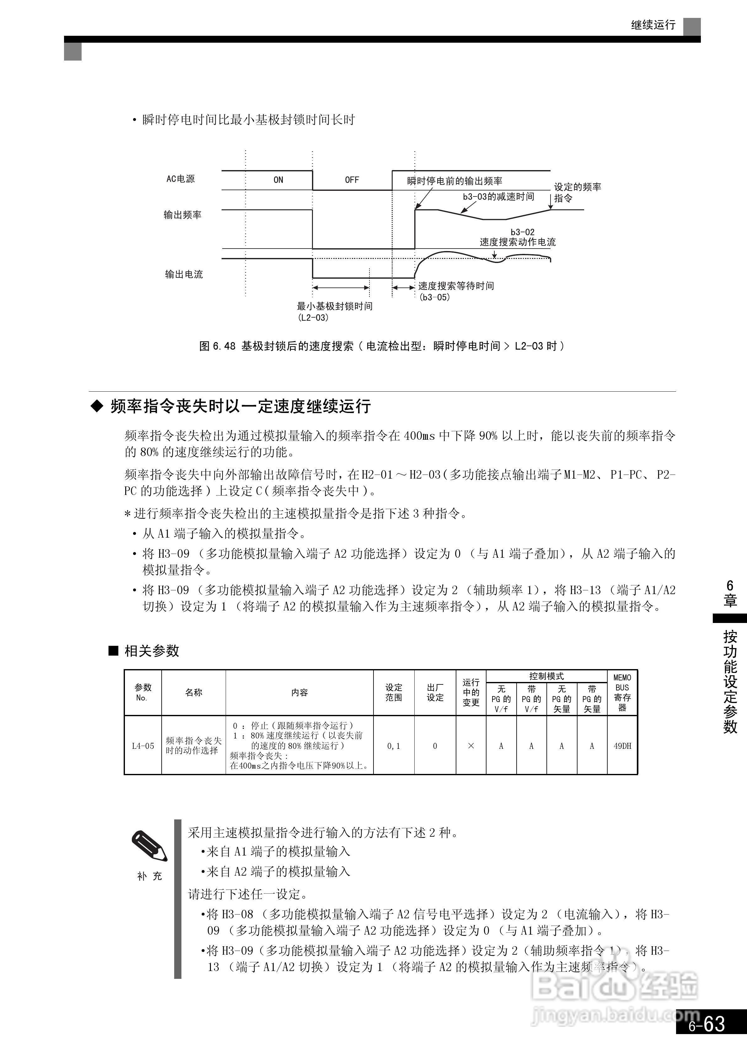
安川CIMR-F7B4300变频器使用说明书:[26]
2025-11-23 12:56:30
本篇为《安川CIMR-F7B4300变频器使用说明书》,主要介绍该产品的使用方法以及常见故障解决方案。
(共篇)
上一篇:
|
下一篇:
声明:
本网站引用、摘录或转载内容仅供网站访问者交流或参考,不代表本站立场,如存在版权或非法内容,请联系站长删除,联系邮箱:site.kefu@qq.com。
相关推荐
抖音喜欢的作品显示不出来怎么办
阅读量:91
抖音喜欢的视频不见了是怎么回事
阅读量:31
抖音我的喜欢怎么没了
阅读量:123
抖音喜欢的作品怎么显示不出来
阅读量:114
抖音怎么隐藏喜欢视频 抖音禁止别人看我喜欢
阅读量:97
猜你喜欢
nice是什么意思
股票委比是什么意思
other是什么意思
次日是什么意思
失意是什么意思
络绎不绝是什么意思
战狼3什么时候上映
佳字五行属什么
公费师范生是什么意思啊
how do you do是什么意思
猜你喜欢
什么是石女图片
转学需要什么手续
纳闷的近义词是什么啊
令堂是什么意思
旺旺号是什么
cfa是什么意思
2011年是什么年
做俯卧撑有什么好处
头皮屑多是什么原因
pl是什么意思