指南生活
首页
美食营养
手工爱好
生活家居
返回
指南生活
首页
美食营养
游戏数码
手工爱好
生活家居
健康养生
运动户外
职场理财
情感交际
母婴教育
时尚美容
知识问答
生活知识
搜索
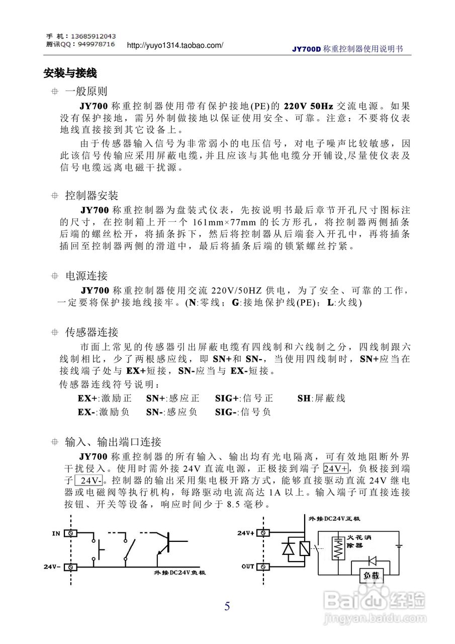
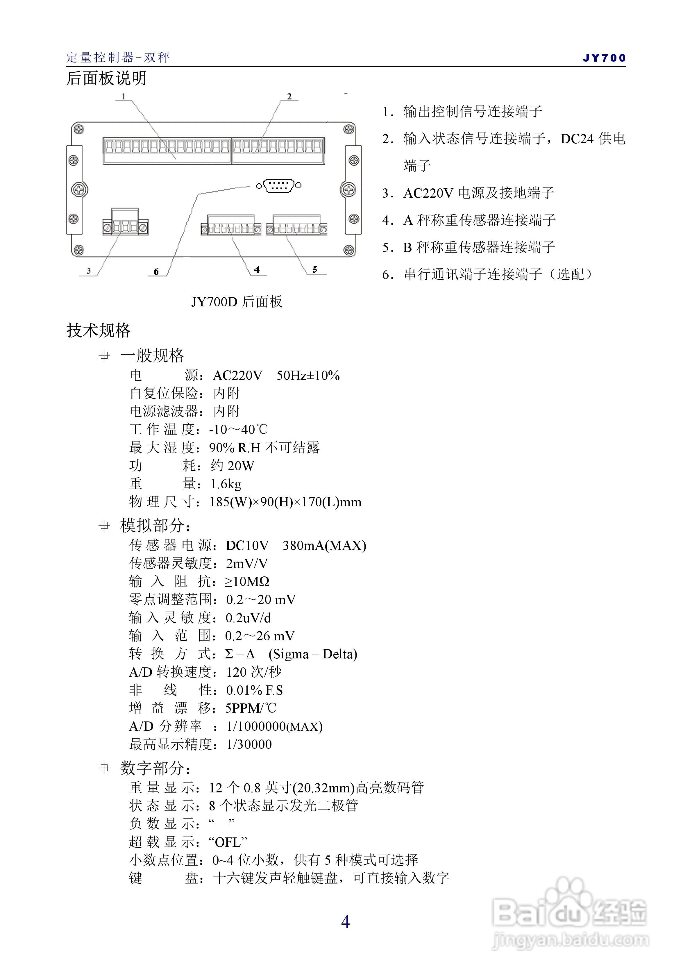
JY700D称重控制器使用说明书:[1]
2025-12-30 01:23:22
本篇为《JY700D称重控制器使用说明书》,主要介绍该产品的使用方法以及常见故障解决方案。
(共篇)
下一篇:
声明:
本网站引用、摘录或转载内容仅供网站访问者交流或参考,不代表本站立场,如存在版权或非法内容,请联系站长删除,联系邮箱:site.kefu@qq.com。
相关推荐
视频号怎么制作视频
阅读量:130
怎样把视频发到朋友圈
阅读量:84
微信小视频怎么发朋友圈
阅读量:196
怎么在视频号里发视频
阅读量:82
怎么把视频发到朋友圈里
阅读量:144
猜你喜欢
im是什么
weight什么意思
维生素d2
暖手宝里面的液体是什么
sausage是什么意思
无氧运动有哪些
尾单是什么意思
304ss是什么材质
二级学院是什么意思
paas是什么意思
猜你喜欢
兰芝适合什么年龄
accident是什么意思
mvp什么意思
truth是什么意思
remove是什么意思
打呼噜是什么病
维生素b2功能与作用
exchange是什么意思
全国大学生运动会
婴儿喝什么奶粉好