指南生活
首页
美食营养
手工爱好
生活家居
返回
指南生活
首页
美食营养
游戏数码
手工爱好
生活家居
健康养生
运动户外
职场理财
情感交际
母婴教育
时尚美容
知识问答
生活知识
搜索
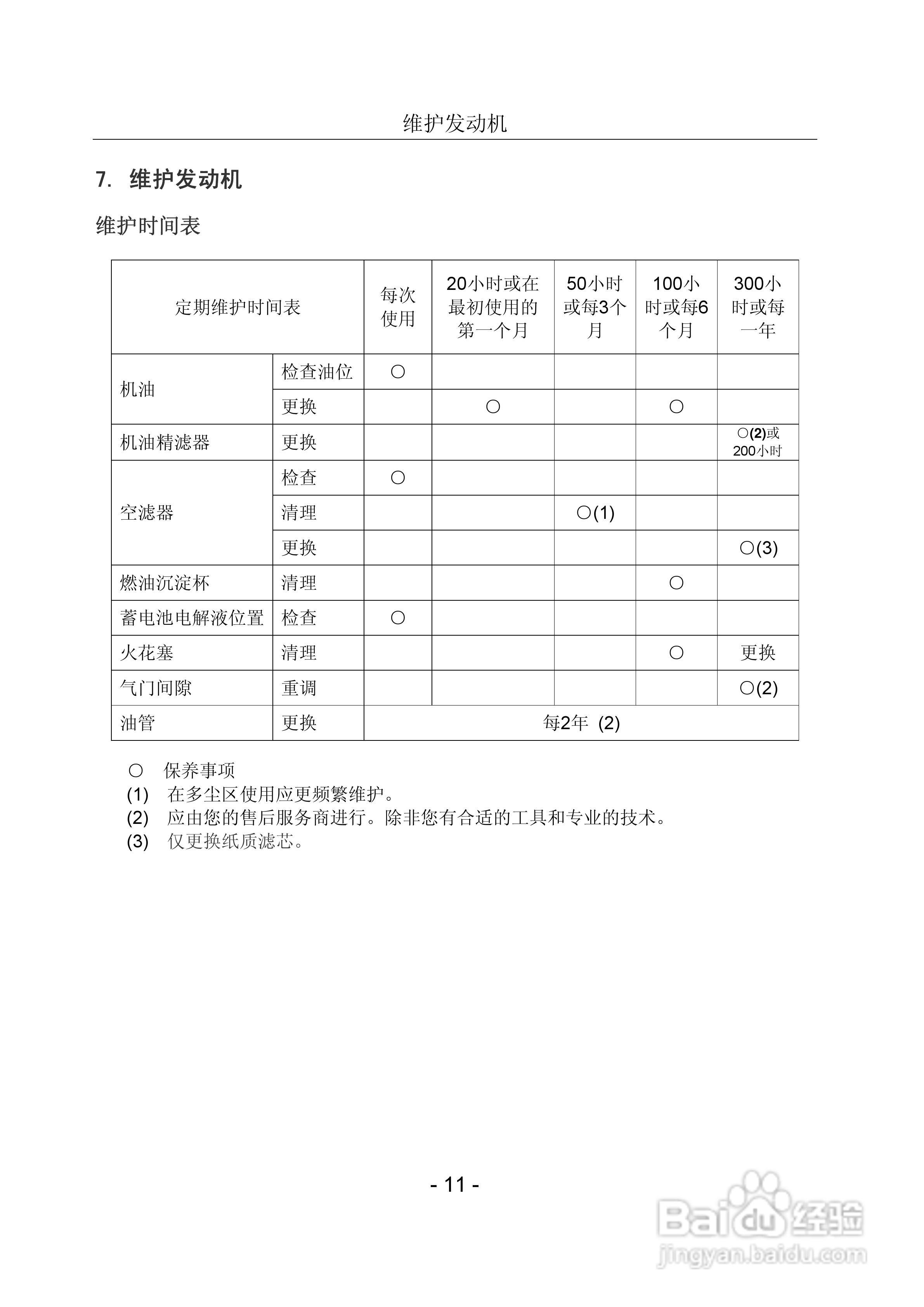
隆鑫LC2V78F发动机用户手册:[2]
2025-12-28 17:11:06
本篇为《隆鑫LC2V78F发动机用户手册》,主要介绍该产品的使用方法以及常见故障解决方案。
(共篇)
上一篇:
声明:
本网站引用、摘录或转载内容仅供网站访问者交流或参考,不代表本站立场,如存在版权或非法内容,请联系站长删除,联系邮箱:site.kefu@qq.com。
相关推荐
隆鑫LC2V78F发动机用户手册:[1]
阅读量:158
隆鑫LC168F-2H发动机用户手册:[2]
阅读量:165
隆鑫LC168F-2H发动机用户手册:[1]
阅读量:187
隆鑫LC12000发电机用户手册:[2]
阅读量:50
隆鑫LC12000发电机用户手册:[1]
阅读量:94
猜你喜欢
beautiful什么意思
completely是什么意思
花园洋房是什么意思
失足女是什么意思
荆棘是什么意思
神奇的近义词是什么
2.0t是什么意思
电脑截图按什么键
什么是失眠
梅子黄时是什么季节
猜你喜欢
79年属什么生肖
三羊开泰是什么意思
bi是什么
页岩气是什么
泡温泉需要带什么
什么是同类项
百合什么时候开花
什么是布病
一场秋雨一场寒的下一句是什么
科学是什么