电子镇流器的工作原理(有图最好)
电子镇流器的工作原理:
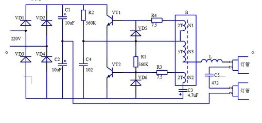
电子镇流器完成的是将工频交流电源转换成高频交流电源的变换器,首先,工频电源经过射频干扰滤波器、全波整流器、无源/有源功率因数校正器转变为直流电源,其次,经过直流/交流变换器转变为高频交流电源。将转换过后的高频交流电源加到LC串联谐振电路上对灯丝进行加热,在电容器上产生谐振高压使得灯管经导通状态转变为发光状态,以提供灯管正常工作所需的电压和电流。还可在其基础上添加异常保护、电流保护、温度保护等保护电路以完成各种所需功能。

拓展资料:电子镇流器(Electronic ballast),是镇流器的一种,是指采用电子技术驱动电光源,使之产生所需照明的电子设备。与之对应的是电感式镇流器(或镇流器)。现代日光灯越来越多的使用电子镇流器,轻便小巧,甚至可以将电子镇流器与灯管等集成在一起,同时,电子镇流器通常可以兼具启辉器功能,故此又可省去单独的启辉器。电子镇流器还可以具有更多功能,比如可以通过提高电流频率或者电流波形(如变成方波)改善或消除日光灯的闪烁现象;也可通过电源逆变过程使得日光灯可以使用直流电源。传统电感式整流器的一些缺点使它正在被日益发展成熟的电子镇流器所取代。
资料参考:百度百科-电子镇流器
声明:本网站引用、摘录或转载内容仅供网站访问者交流或参考,不代表本站立场,如存在版权或非法内容,请联系站长删除,联系邮箱:site.kefu@qq.com。