指南生活
首页
美食营养
手工爱好
生活家居
返回
指南生活
首页
美食营养
游戏数码
手工爱好
生活家居
健康养生
运动户外
职场理财
情感交际
母婴教育
时尚美容
知识问答
生活知识
生活百科
搜索
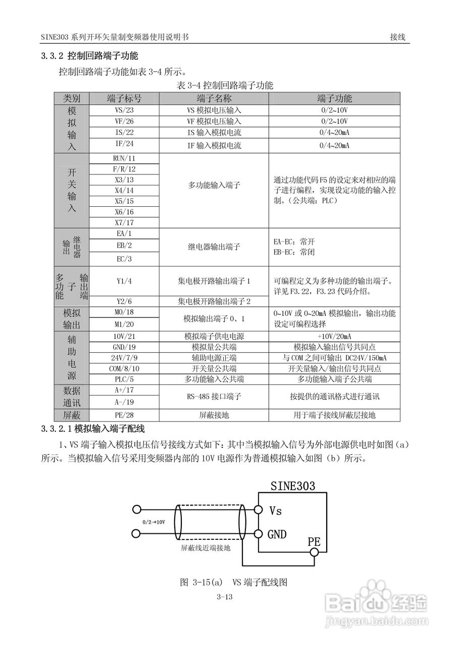
正弦(SINEE)SINE303-400变频器说明书:[5]
2026-04-29 02:22:18
本篇为《正弦(SINEE)SINE303-400变频器说明书》,主要介绍该产品的使用方法以及常见故障解决方案。
(共篇)
上一篇:
|
下一篇:
声明:
本网站引用、摘录或转载内容仅供网站访问者交流或参考,不代表本站立场,如存在版权或非法内容,请联系站长删除,联系邮箱:site.kefu@qq.com。
相关推荐
正弦(SINEE)SINE303-400变频器说明书:[4]
阅读量:124
正弦(SINEE)SINE303-400变频器说明书:[2]
阅读量:103
正弦(SINEE)SINE320-015变频器说明书:[1]
阅读量:155
正弦(SINEE)SINE311-110变频器说明书:[2]
阅读量:25
正弦(SINEE)SINE307-0R7变频器说明书:[6]
阅读量:157
猜你喜欢
张冠李戴的张是什么意思
coin是什么意思
红卫兵是什么
保险费计入什么科目
快递未妥投是什么意思
萝卜泡菜的腌制方法
兵不厌诈是什么意思
丙肝是什么
流连忘返的意思是什么
83年属什么生肖
猜你喜欢
什么叫朋友
维生素e的副作用
吃鸡什么意思
鲜为人知是什么意思
考研什么时候开始准备
无责任底薪是什么意思
品牌运动鞋
什么是多媒体技术
运动会祝词
种植什么药材最赚钱