指南生活
首页
美食营养
手工爱好
生活家居
返回
指南生活
首页
美食营养
游戏数码
手工爱好
生活家居
健康养生
运动户外
职场理财
情感交际
母婴教育
时尚美容
知识问答
生活知识
生活百科
搜索
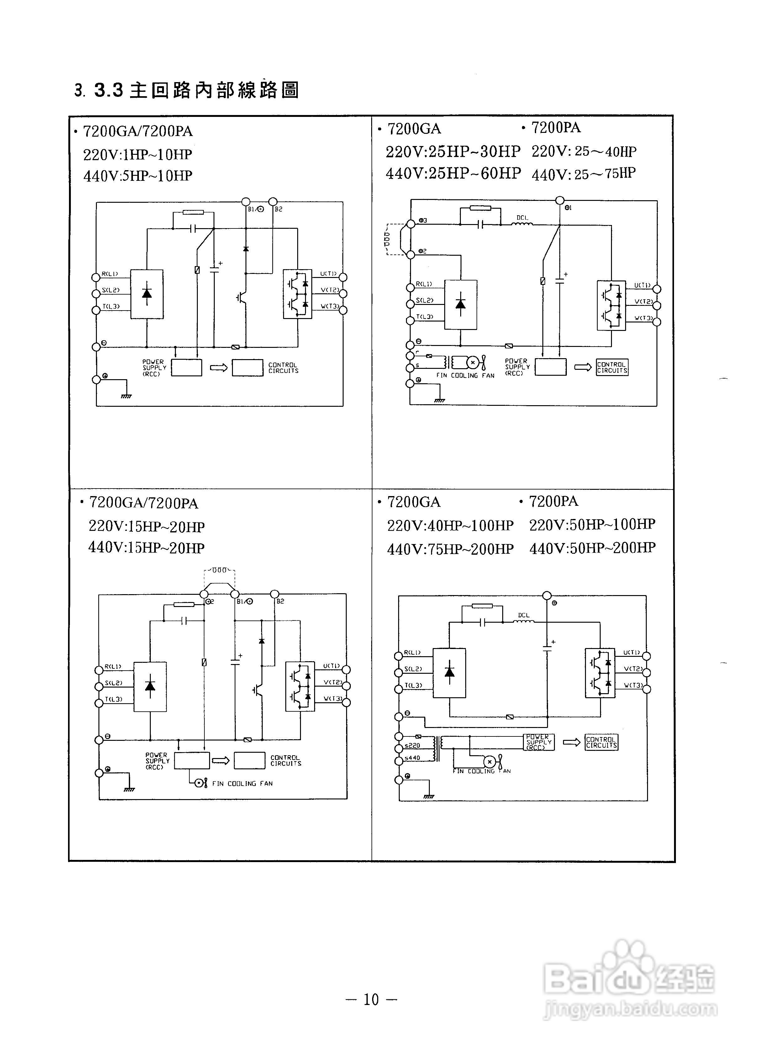
东元7200GA变频器使用说明书:[2]
2026-03-23 09:10:17
本篇为《东元7200GA变频器使用说明书》,主要介绍该产品的使用方法以及常见故障解决方案。
(共篇)
上一篇:
|
下一篇:
声明:
本网站引用、摘录或转载内容仅供网站访问者交流或参考,不代表本站立场,如存在版权或非法内容,请联系站长删除,联系邮箱:site.kefu@qq.com。
相关推荐
营养美味的酸包菜炒粉皮
阅读量:181
奥维斗地主游戏攻略
阅读量:48
别让疼痛缠上你的腰
阅读量:27
遭遇挫折,笑对痛苦
阅读量:84
如何烹饪鸡肉
阅读量:21
猜你喜欢
肛门痒是什么原因
usb是什么意思
linen是什么面料
史加一笔是什么字
依稀是什么意思
天蓝色配什么颜色好看
口巴念什么
破月是什么意思
审计局是做什么的
什么是邮箱
猜你喜欢
that是什么意思
什么好像什么造句
自由可投是什么意思
烟头属于什么垃圾
ml什么意思
千什么万什么的成语
order是什么意思
8月14日是什么节日
喝什么醒酒
高铁一等座跟二等座有什么区别