指南生活
首页
美食营养
手工爱好
生活家居
返回
指南生活
首页
美食营养
游戏数码
手工爱好
生活家居
健康养生
运动户外
职场理财
情感交际
母婴教育
时尚美容
知识问答
生活知识
生活百科
搜索
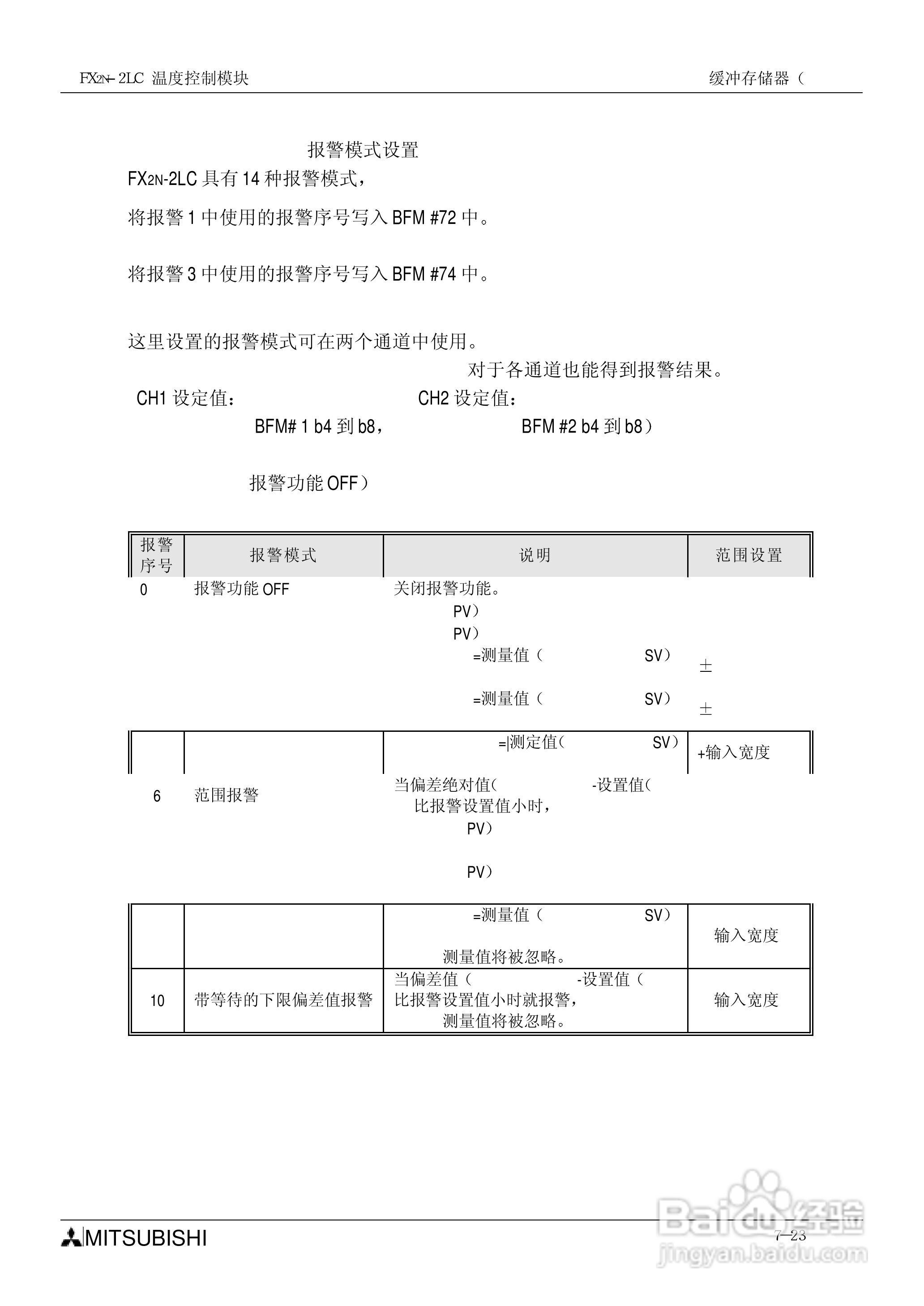
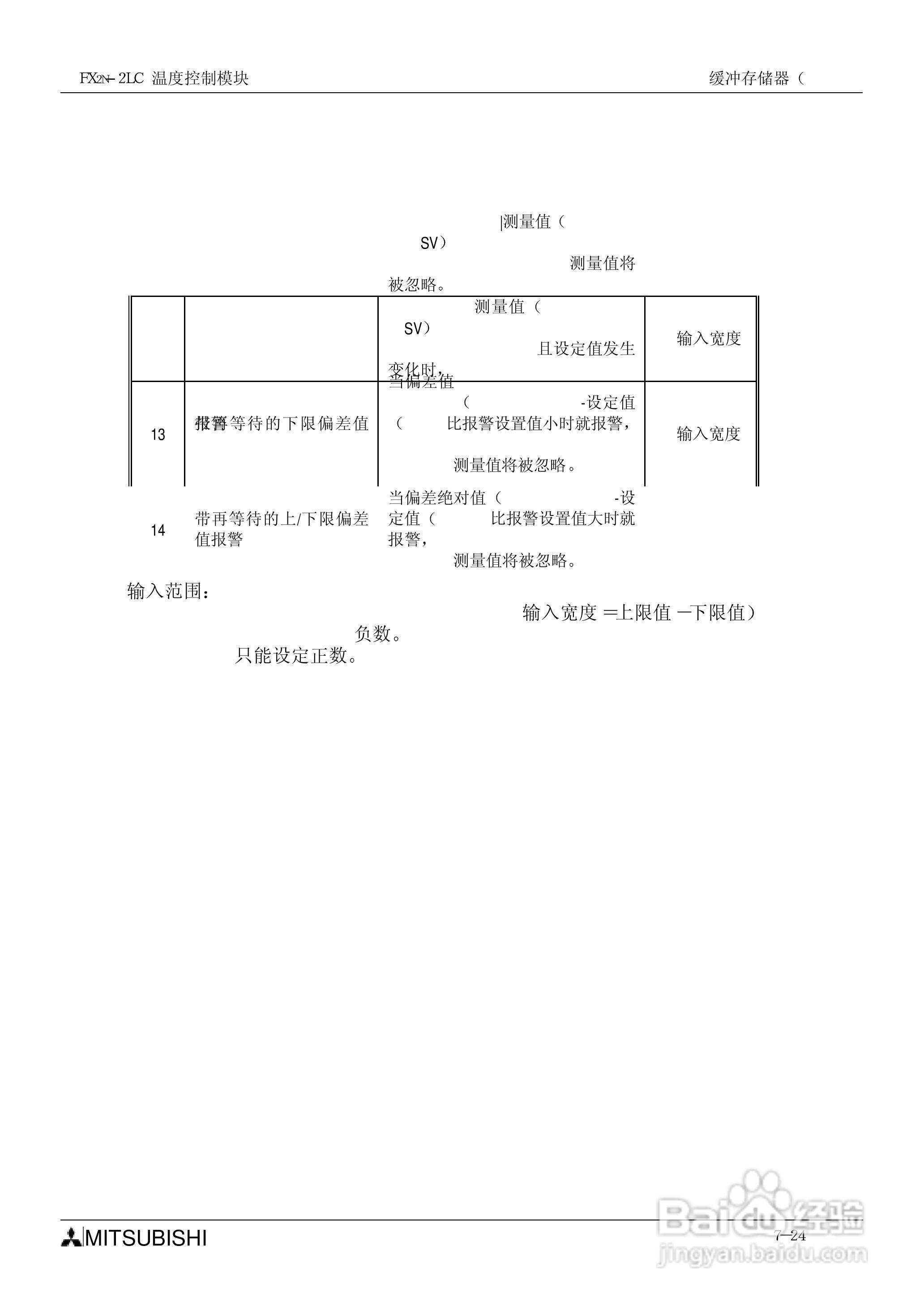
MITSUBISHI FX2N-2LC温度控制模块说明书:[9]
2026-03-26 18:07:34
本篇为《MITSUBISHI FX2N-2LC温度控制模块说明书》,主要介绍该产品的使用方法以及常见故障解决方案。
(共篇)
上一篇:
|
下一篇:
声明:
本网站引用、摘录或转载内容仅供网站访问者交流或参考,不代表本站立场,如存在版权或非法内容,请联系站长删除,联系邮箱:site.kefu@qq.com。
相关推荐
MITSUBISHI FX2N-2LC温度控制模块说明书:[2]
阅读量:142
MITSUBISHI FX2N-2LC温度控制模块说明书:[10]
阅读量:150
模块地暖安装施工标准
阅读量:127
MITSUBISHI Q 系列数模转换模块用户手册:[5]
阅读量:178
模块语言编程游戏之动画-第9关
阅读量:184
猜你喜欢
草鱼怎么做才好吃
摩托车之家报价大全
跑酷游戏大全
子宫壁薄怎么办
鸡胸肉的做法大全家常菜
官渡之战简介
贝多芬简介
太阳雨太阳能怎么样
简单画画图片大全
群头衔名称大全
猜你喜欢
加湿器不出雾怎么办
gta4怎么存档
色列少女漫画大全
惠兰花怎么养
七座车大全
脸上长黑斑怎么办
q币怎么充值
电脑卡怎么处理
鸽子图片大全
鼻子有黑头怎么办