指南生活
首页
美食营养
手工爱好
生活家居
返回
指南生活
首页
美食营养
游戏数码
手工爱好
生活家居
健康养生
运动户外
职场理财
情感交际
母婴教育
时尚美容
知识问答
生活知识
生活百科
搜索
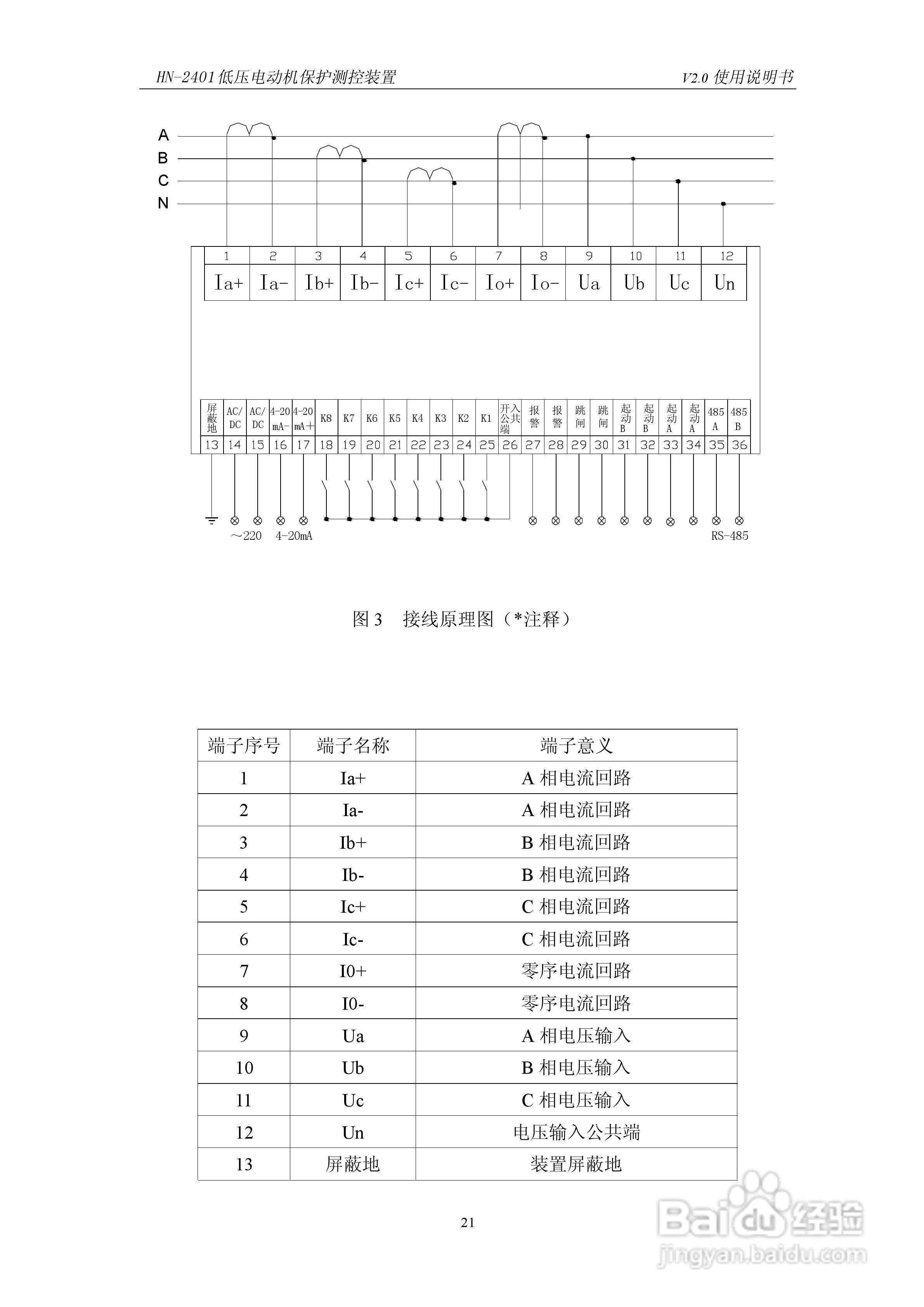
HN-2401低压电动机保护测控装置使用说明书:[3]
2026-03-27 14:46:54
本篇为《HN-2401低压电动机保护测控装置使用说明书》,主要介绍该产品的使用方法以及常见故障解决方案。
(共篇)
上一篇:
声明:
本网站引用、摘录或转载内容仅供网站访问者交流或参考,不代表本站立场,如存在版权或非法内容,请联系站长删除,联系邮箱:site.kefu@qq.com。
相关推荐
HN-2401低压电动机保护测控装置使用说明书:[2]
阅读量:141
WDH-823微机电动机保护测控装置说明书:[3]
阅读量:191
优特UT-9971电动机保护测控装置使用说明书:[3]
阅读量:142
优特UT-9971电动机保护测控装置使用说明书:[2]
阅读量:30
优特UT-9971电动机保护测控装置使用说明书:[4]
阅读量:86
猜你喜欢
气场是什么意思
凤凰涅盘什么意思
硬币是什么材料做的
大什么大什么
用什么方法减肥
煮牛肉放什么调料
账期是什么意思
take是什么意思
音节是什么意思
一朵什么
猜你喜欢
空调内机漏水是什么原因造成的
什么是无产阶级
9月3日是什么节日
信达雅是什么意思
循循善诱是什么意思
4月4日是什么星座
怕什么天道轮回什么魄散魂飞
来而不往非礼也什么意思
一什么鱼塘
30岁属什么生肖