住友(SUMITOMO)HF4304-055变频器说明书:[2]

2025-11-02 04:21:54

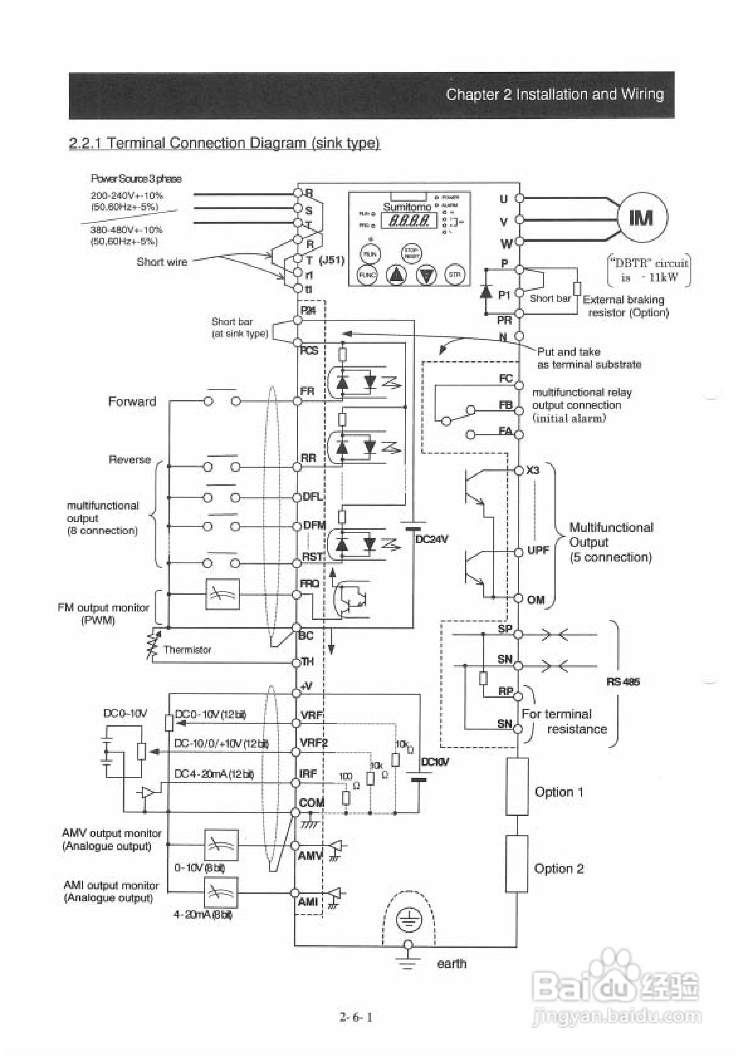
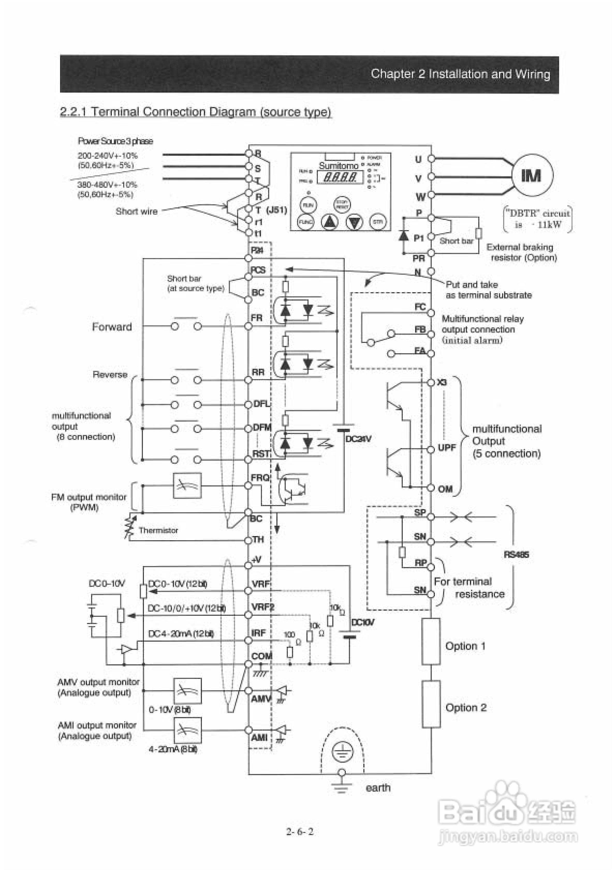
本篇为《住友(SUMITOMO)HF4304-055变频器说明书》,主要介绍该产品的使用方法以及常见故障解决方案。

 

住友(SUMITOMO)HF4304-055变频器说明书:[2]

住友(SUMITOMO)HF4304-055变频器说明书:[2]

住友(SUMITOMO)HF4304-055变频器说明书:[2]

住友(SUMITOMO)HF4304-055变频器说明书:[2]

住友(SUMITOMO)HF4304-055变频器说明书:[2]

住友(SUMITOMO)HF4304-055变频器说明书:[2]

住友(SUMITOMO)HF4304-055变频器说明书:[2]

住友(SUMITOMO)HF4304-055变频器说明书:[2]

住友(SUMITOMO)HF4304-055变频器说明书:[2]

住友(SUMITOMO)HF4304-055变频器说明书:[2]

(共篇)下一篇:
声明:本网站引用、摘录或转载内容仅供网站访问者交流或参考,不代表本站立场,如存在版权或非法内容,请联系站长删除,联系邮箱:site.kefu@qq.com。
相关推荐
  • 阅读量:58
  • 阅读量:180
  • 阅读量:125
  • 阅读量:69
  • 阅读量:160
  • 猜你喜欢