指南生活
首页
美食营养
手工爱好
生活家居
返回
指南生活
首页
美食营养
游戏数码
手工爱好
生活家居
健康养生
运动户外
职场理财
情感交际
母婴教育
时尚美容
知识问答
生活知识
搜索
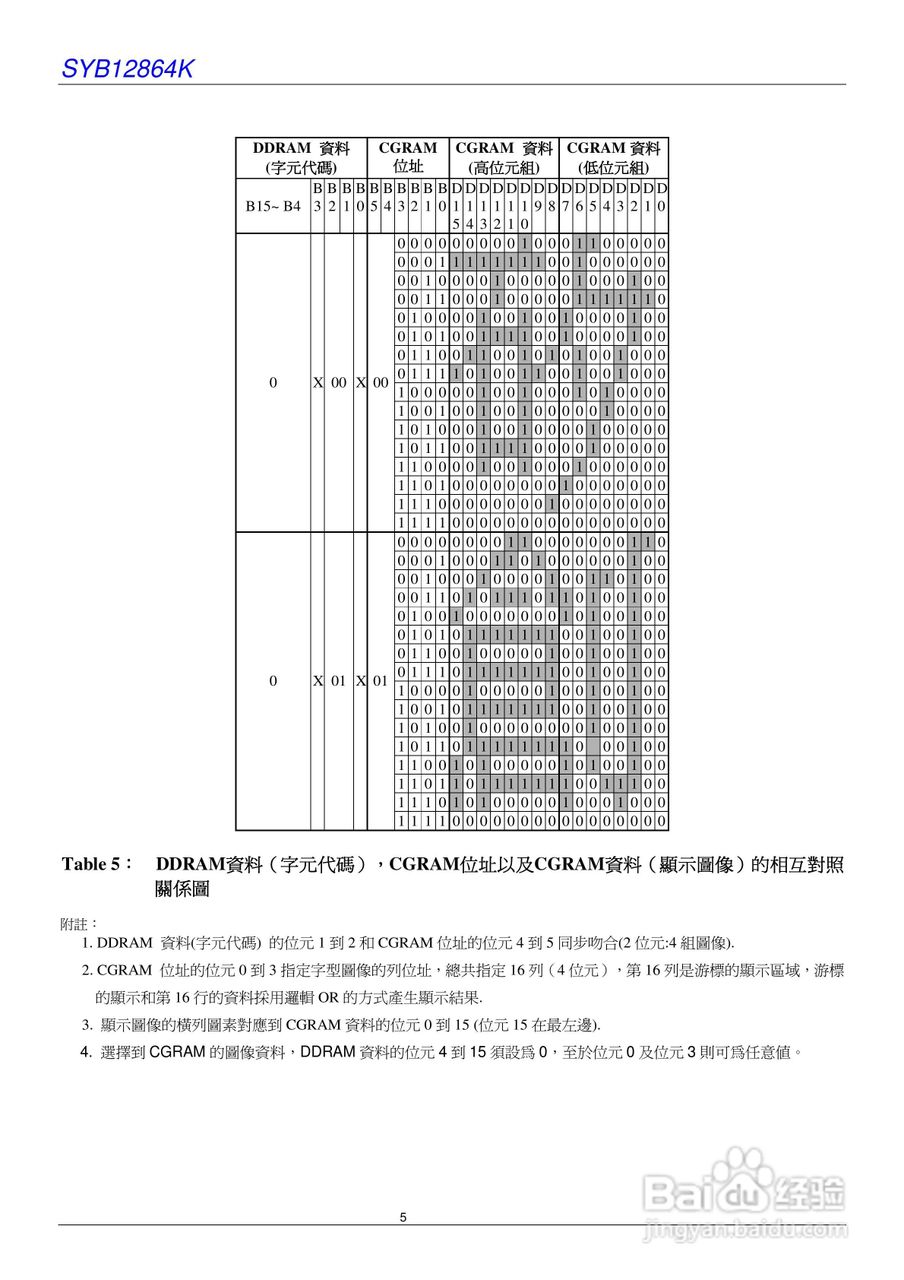
SYB12864K液晶显示模块使用手册:[1]
2026-03-08 10:36:34
本篇为《SYB12864K液晶显示模块使用手册》,主要介绍该产品的使用方法以及常见故障解决方案。
(共篇)
下一篇:
声明:
本网站引用、摘录或转载内容仅供网站访问者交流或参考,不代表本站立场,如存在版权或非法内容,请联系站长删除,联系邮箱:site.kefu@qq.com。
相关推荐
图形点阵液晶显示模块CM12864-2SYB使用手册:[1]
阅读量:110
LCD12864中文字库液晶显示模块使用手册:[1]
阅读量:71
精电COG-VP12864 液晶显示模块使用手册:[1]
阅读量:76
CM12864-26SLYB图形点阵液晶显示模块使用手册:[1]
阅读量:57
CA24064B液晶显示模块使用手册:[1]
阅读量:107
猜你喜欢
资本溢价是什么意思
岁次是什么意思
跑步穿什么鞋好
精卫填海的意思
买笔记本电脑要注意什么
鸭肉和什么相克
时光荏苒是什么意思啊
听君一席话胜读十年书的意思
dirty是什么意思
望庐山瀑布全诗意思
猜你喜欢
丁忧什么意思
挥洒自如的意思
车载充电器什么牌子好
黝黑的意思
增值服务是什么意思
什么牌子的婴儿奶粉好
什么什么一什么成语
ask是什么意思
morning是什么意思
23333是什么意思