大电流发生器
1、本产品属于JT型可移动式结构,它由仪表指示灯板和操作板组成,仪表指示灯板分大、小量程的两块电流表和大小量程的选择开关(钮子开关),绿色指示灯指的是电源信号,红色指示灯指的是工作信号。操作面板由启动按钮(绿色)、停止按钮(红色)以及工作系统组成。
2、该产品采用一次接线柱输入方式,下端有大电流发生器二次输出大电流接线端(有开门接线式和不开门接线式)。
3、在做大电流试验时,按本产品的电路图正确接好工作线路。根据输出电流的大小,选择好大、小量程开关的位置。先将调压器回到零,再按下起动测试按钮(绿色),此时,手持调压器手柄顺时针方向慢慢旋转调压器的手轮并注视电流表,直到所需的电流值为止,试验到所定的值后立即将调压器手轮反时针方向回零,按下停止按钮,切断电源。
1、面板图
1.2电流表3电压表4.5指示灯6电流选择开关
7电压选择开关8工作按钮9停止按钮10电源接线端子11仪表接线端子12外壳接地端子13输出接线排

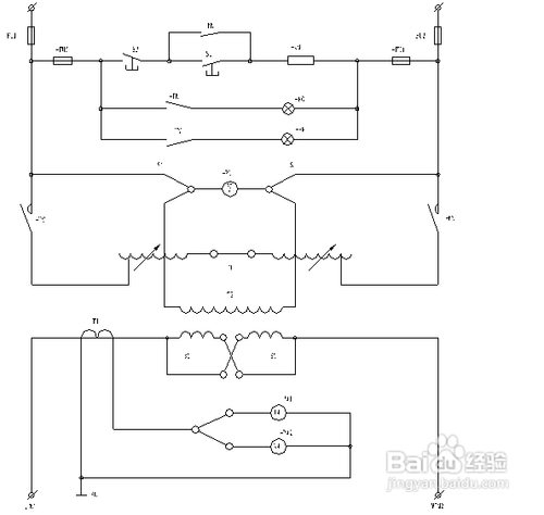
2、单相供电控制原理图
-FU1,2主回路熔断器-FU3,4控制回路熔断器
-SP-ST按钮-KM–交流接触器
-HG-HR指示灯-T1–调压器
-T2–低压大电流发生器-TA-电流互感器
-S2电流控制开关-S1电压换挡开关
-PA1,-PA2电流表
注:次级输出6V以上时,根据用户需要定购
该大电流发生器是我公司生产的干式大电流发生器,配装自耦调压器输出电压(即发生器的输入电压),取得所需的不同大电流。
注:1、本电路为380V电源供电电路,电源为220V时,T1接线应按原厂规定接线。
2、1000A以下无电压表及S1开关电路。

3、输出外接铜导线按6A/mm2选择,其长度应不大于3米。
声明:本网站引用、摘录或转载内容仅供网站访问者交流或参考,不代表本站立场,如存在版权或非法内容,请联系站长删除,联系邮箱:site.kefu@qq.com。
阅读量:189
阅读量:89
阅读量:29
阅读量:185
阅读量:135