指南生活
首页
美食营养
手工爱好
生活家居
返回
指南生活
首页
美食营养
游戏数码
手工爱好
生活家居
健康养生
运动户外
职场理财
情感交际
母婴教育
时尚美容
知识问答
生活知识
生活百科
搜索
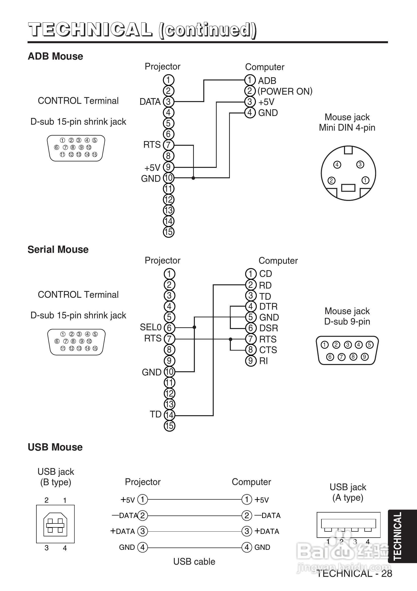
3M MP7640I投影机说明书:[3]
2026-03-31 16:00:25
本篇为《3M MP7640I投影机说明书》,主要介绍该产品的使用方法以及常见故障解决方案。
(共篇)
上一篇:
|
下一篇:
声明:
本网站引用、摘录或转载内容仅供网站访问者交流或参考,不代表本站立场,如存在版权或非法内容,请联系站长删除,联系邮箱:site.kefu@qq.com。
相关推荐
3M MP7640I投影机说明书:[4]
阅读量:165
3M MP7650投影机说明书:[3]
阅读量:57
3M MP7650投影机说明书:[4]
阅读量:138
3M MP7630B投影机说明书:[3]
阅读量:115
3M MP8795投影机说明书:[3]
阅读量:34
猜你喜欢
司长是什么级别的官
公司上市有什么好处
苟富贵勿相忘什么意思
switch什么意思
4月6日是什么星座
七夕节什么时候
举牌是什么意思
单号是什么
玉米什么时候传入中国的
毒龙是什么
猜你喜欢
咖喱是什么东西
莆田鞋是什么意思
口气臭是什么原因
什么是气溶胶传播
胎神四川话是什么意思
男朋友生日送什么礼物好
md5是什么
三高是什么
stuck是什么意思
联想是什么意思