指南生活
首页
美食营养
手工爱好
生活家居
返回
指南生活
首页
美食营养
游戏数码
手工爱好
生活家居
健康养生
运动户外
职场理财
情感交际
母婴教育
时尚美容
知识问答
生活知识
生活百科
搜索
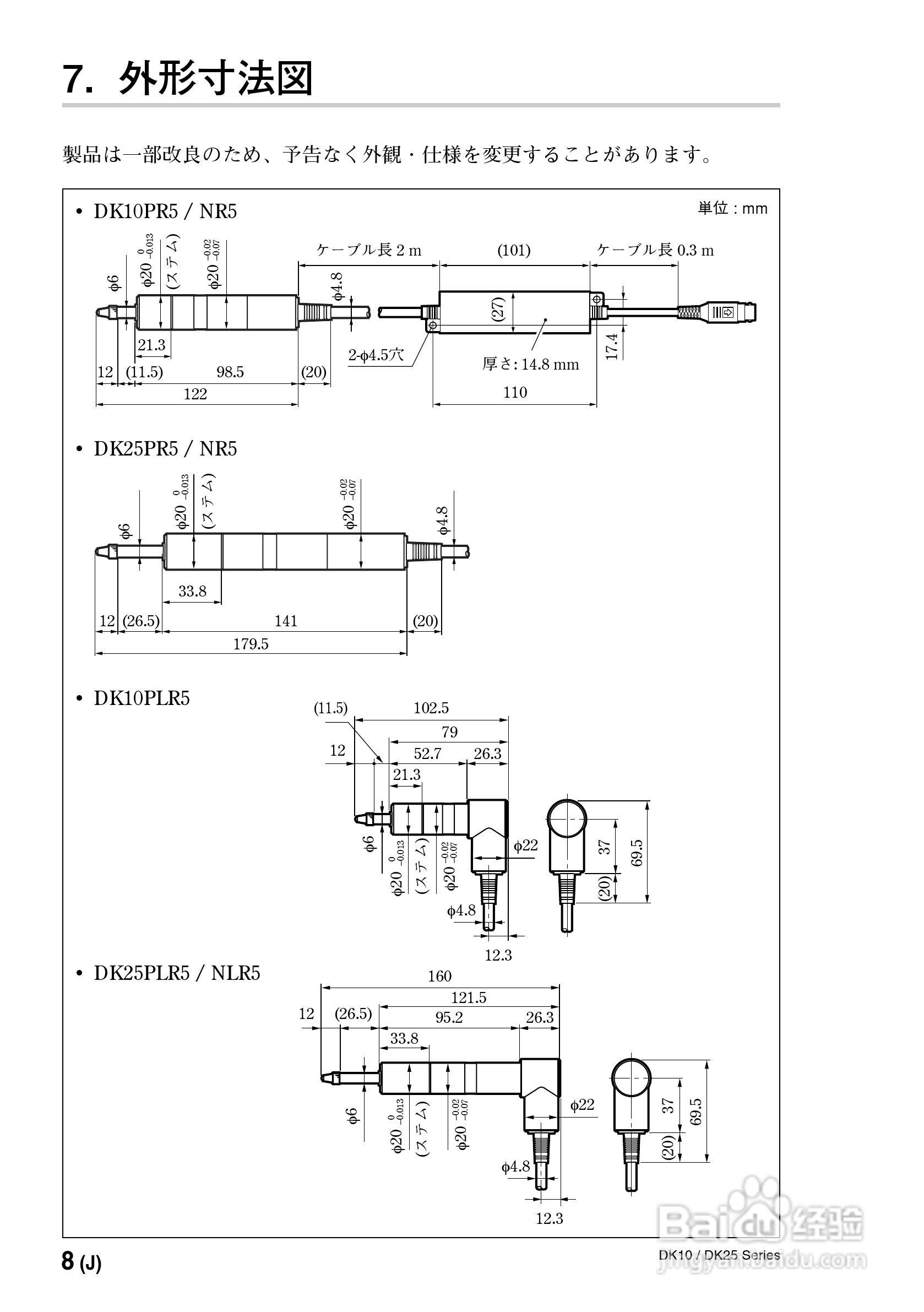
索尼DK10/DK25系列数字测力器使用说明书:[2]
2026-04-23 06:52:20
本篇为《索尼DK10/DK25系列数字测力器使用说明书》,主要介绍该产品的使用方法以及常见故障解决方案。
(共篇)
上一篇:
|
下一篇:
声明:
本网站引用、摘录或转载内容仅供网站访问者交流或参考,不代表本站立场,如存在版权或非法内容,请联系站长删除,联系邮箱:site.kefu@qq.com。
相关推荐
索尼DK10/DK25系列数字测力器使用说明书:[5]
阅读量:134
SONY DK155PR5PR5/DK205PR5数字测量器使用说明书:[2]
阅读量:131
SONY DK155PR5PR5/DK205PR5数字测量器使用说明书:[6]
阅读量:145
索尼耳机煲机方法
阅读量:181
索尼a6000新手教程
阅读量:67
猜你喜欢
办离婚需要什么手续
物流管理是做什么的
接踵而至的意思
什么是富二代
恼羞成怒的意思
七情六欲是什么意思
涵的意思
克己复礼什么意思
心驰神往的意思
吸油烟机什么牌子好
猜你喜欢
什么是后现代主义
什么狗狗最聪明
千军万马的意思
什么是电话销售
画龙点睛的意思
蔚然成风的意思
我的世界墨囊有什么用
拍拖是什么意思
番号有什么用
献血后要注意什么