指南生活
首页
美食营养
手工爱好
生活家居
返回
指南生活
首页
美食营养
游戏数码
手工爱好
生活家居
健康养生
运动户外
职场理财
情感交际
母婴教育
时尚美容
知识问答
生活知识
生活百科
搜索
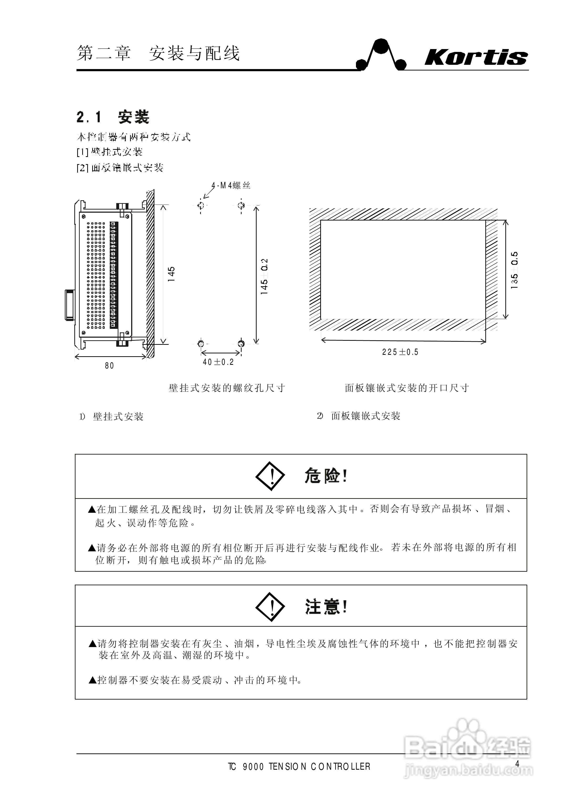
TC9000-LC2全自动张力控制器使用说明书:[1]
2026-03-25 04:19:17
本篇为《TC9000-LC2全自动张力控制器使用说明书》,主要介绍该产品的使用方法以及常见故障解决方案。
(共篇)
下一篇:
声明:
本网站引用、摘录或转载内容仅供网站访问者交流或参考,不代表本站立场,如存在版权或非法内容,请联系站长删除,联系邮箱:site.kefu@qq.com。
相关推荐
炖羊肉去腥的最好办法
阅读量:182
生蚝怎么炒好吃
阅读量:132
生蚝怎么处理内脏
阅读量:50
如何正确且快捷地打开生蚝?
阅读量:39
怎样清洗生蚝?
阅读量:34
猜你喜欢
lb是什么意思
sheep是什么意思
290什么意思
三八发什么
上位是什么意思
投机取巧是什么意思
人事代理是什么意思
败笔的意思
霸气侧漏什么意思
between是什么意思
猜你喜欢
lbs是什么意思
什么牌子的电脑最好
干巴爹是什么意思
淡薄的意思
气势汹汹的意思
祖安是什么意思
区块链是什么意思
咏雪的意思
长城站什么时候落成
黝黑的意思