指南生活
首页
美食营养
手工爱好
生活家居
返回
指南生活
首页
美食营养
游戏数码
手工爱好
生活家居
健康养生
运动户外
职场理财
情感交际
母婴教育
时尚美容
搜索
MITSUBISHI FX2N-2LC温度控制模块说明书:[5]
2025-10-23 18:01:41
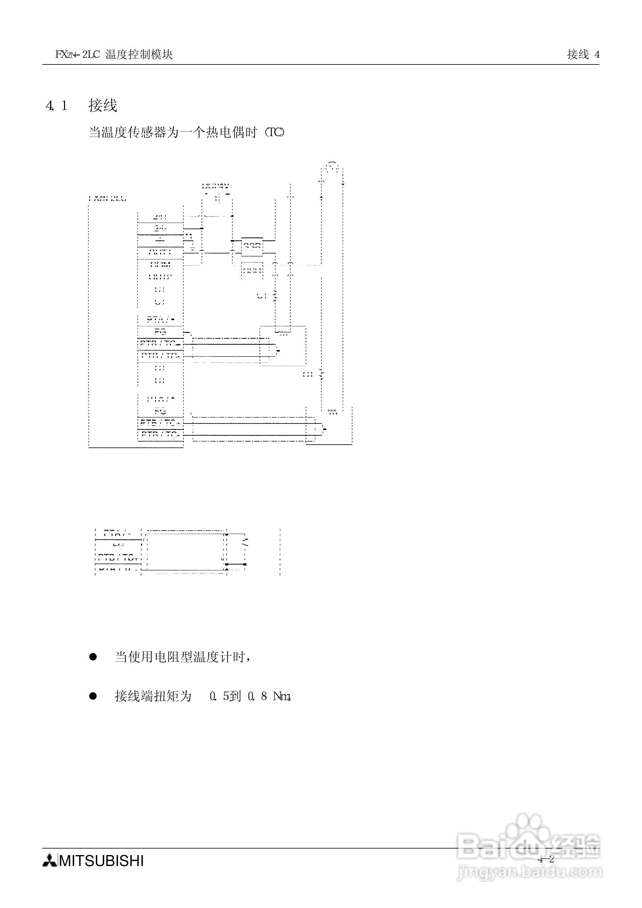
本篇为《MITSUBISHI FX2N-2LC温度控制模块说明书》,主要介绍该产品的使用方法以及常见故障解决方案。
(共篇)
上一篇:
|
下一篇:
声明:
本网站引用、摘录或转载内容仅供网站访问者交流或参考,不代表本站立场,如存在版权或非法内容,请联系站长删除,联系邮箱:site.kefu@qq.com。
相关推荐
MITSUBISHI FX2N-2LC温度控制模块说明书:[2]
阅读量:103
MITSUBISHI FX2N-2LC温度控制模块说明书:[6]
阅读量:112
MITSUBISHI Q 系列数模转换模块用户手册:[5]
阅读量:103
模块地暖安装施工标准
阅读量:63
模块异常4怎么解决
阅读量:145
猜你喜欢
小数的计数单位是什么
marlboro是什么烟
人棉是什么面料
定语是什么
摘要是什么意思
路由器是什么
stand是什么意思
a3驾照能开什么车
每个月的14号分别是什么情人节
熔断是什么意思
猜你喜欢
b站硬币有什么用
罗志祥多人运动是什么意思
摆布的近义词是什么
氮泵是什么
下降头是什么意思
esc是什么意思
o型血的人是什么性格
pad是什么意思
毒唯是什么意思
彩虹屁是什么意思