指南生活
首页
美食营养
手工爱好
生活家居
返回
指南生活
首页
美食营养
游戏数码
手工爱好
生活家居
健康养生
运动户外
职场理财
情感交际
母婴教育
时尚美容
知识问答
生活知识
生活百科
搜索
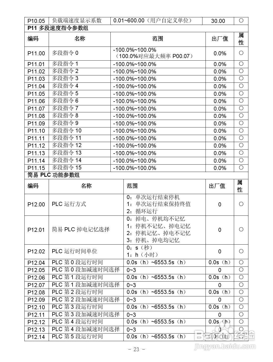
沃森VD100-4T-3.7GB变频器使用说明书:[3]
2026-04-11 11:14:33
本篇为《沃森VD100-4T-3.7GB变频器使用说明书》,主要介绍该产品的使用方法以及常见故障解决方案。
(共篇)
上一篇:
|
下一篇:
声明:
本网站引用、摘录或转载内容仅供网站访问者交流或参考,不代表本站立场,如存在版权或非法内容,请联系站长删除,联系邮箱:site.kefu@qq.com。
相关推荐
沃森VD100-4T-3.7GB变频器使用说明书:[4]
阅读量:40
步科SV100-4T-0900G变频器使用说明书:[3]
阅读量:91
步科SV100-4T-0900G变频器使用说明书:[7]
阅读量:20
森岛SD680-4T6300高性能通用变频器使用说明书:[3]
阅读量:91
步科SV100-4T-0900G变频器使用说明书:[6]
阅读量:75
猜你喜欢
枸杞的功效与作用泡水
股票市盈率怎么算
微信漂流瓶在哪里
广东清远旅游
穿成主角内衣怎么破
福建土楼在哪里
表格打不开怎么办
怎么设置ie为默认浏览器
小米开发者选项在哪里
潍坊职业学院怎么样
猜你喜欢
皮鞋后跟磨脚怎么办
平方毫米符号怎么打
无线路由器怎么安装
三尾狐哪里多
微信拜年红包怎么发
手机缓存的视频在哪里
肇庆旅游景点大全
第五次全国代表大会在哪里召开
如何辟谷
沙皇怎么玩