指南生活
首页
美食营养
手工爱好
生活家居
返回
指南生活
首页
美食营养
游戏数码
手工爱好
生活家居
健康养生
运动户外
职场理财
情感交际
母婴教育
时尚美容
知识问答
生活知识
生活百科
搜索
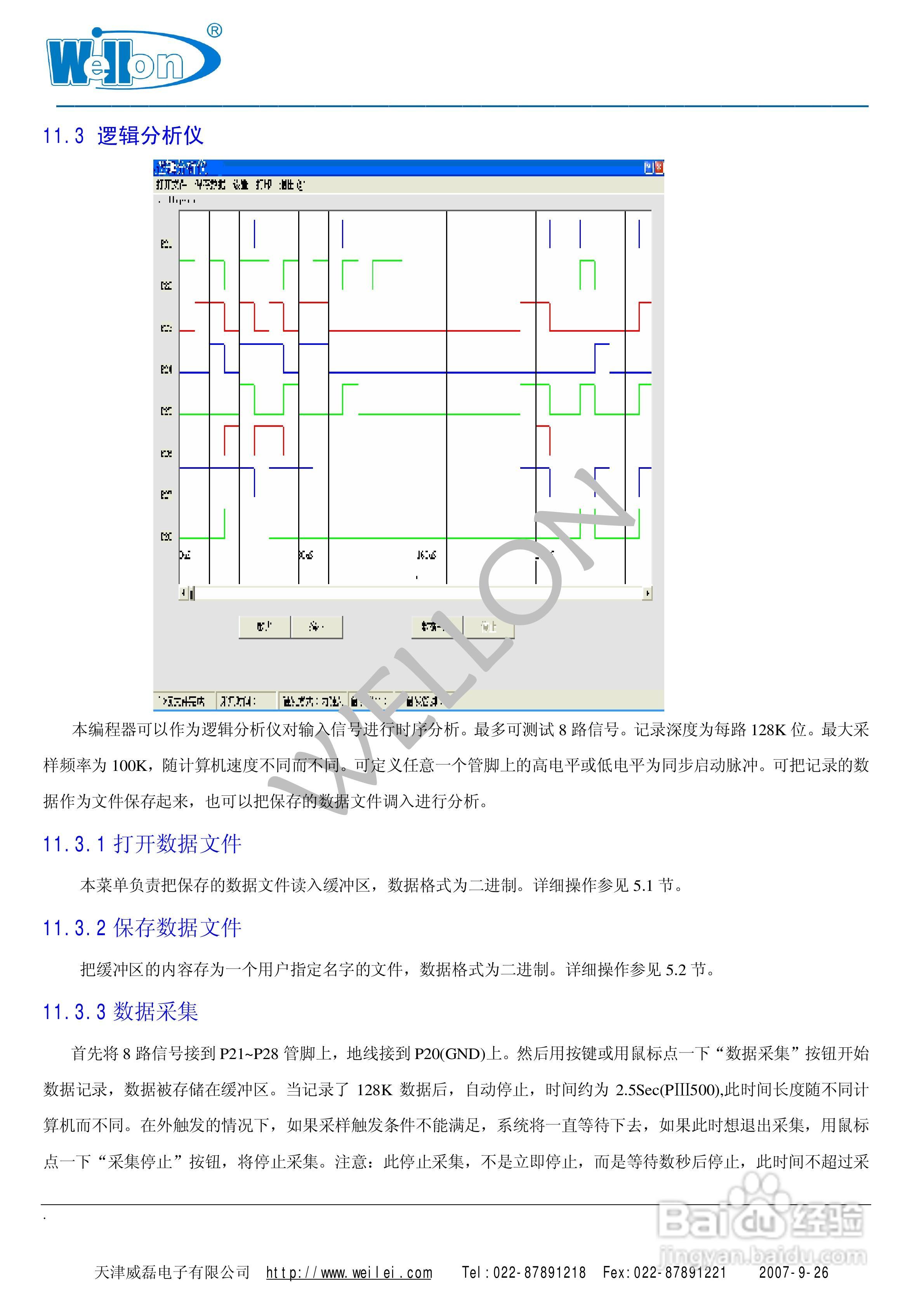
Wellon(威龙)VP-190编程器使用说明书:[5]
2026-05-13 13:09:11
本篇为《Wellon(威龙)VP-190编程器使用说明书》,主要介绍该产品的使用方法以及常见故障解决方案。
(共篇)
上一篇:
声明:
本网站引用、摘录或转载内容仅供网站访问者交流或参考,不代表本站立场,如存在版权或非法内容,请联系站长删除,联系邮箱:site.kefu@qq.com。
相关推荐
Wellon(威龙)VP-190编程器使用说明书:[1]
阅读量:29
Wellon(威龙)VP-190编程器使用说明书:[3]
阅读量:149
Wellon(威龙)VP-480编程器使用说明书:[5]
阅读量:78
Wellon(威龙)VP-480编程器使用说明书:[1]
阅读量:99
Wellon(威龙)VP-380编程器使用说明书:[2]
阅读量:152
猜你喜欢
12月份是什么星座
穷且益坚不坠青云之志什么意思
昙花一现是什么意思
草莓什么季节成熟
toyota是什么意思
4月14日是什么星座
借记卡是什么
lucky是什么意思
9月26日是什么星座
裸机是什么意思
猜你喜欢
嗤之以鼻是什么意思
12月30日是什么星座
zw是什么意思
new是什么意思
for是什么意思
杨梅什么时候成熟
悲催是什么意思
nars是什么牌子
粉丝是什么意思
倒立有什么好处和坏处