指南生活
首页
美食营养
手工爱好
生活家居
返回
指南生活
首页
美食营养
游戏数码
手工爱好
生活家居
健康养生
运动户外
职场理财
情感交际
母婴教育
时尚美容
知识问答
生活知识
生活百科
搜索
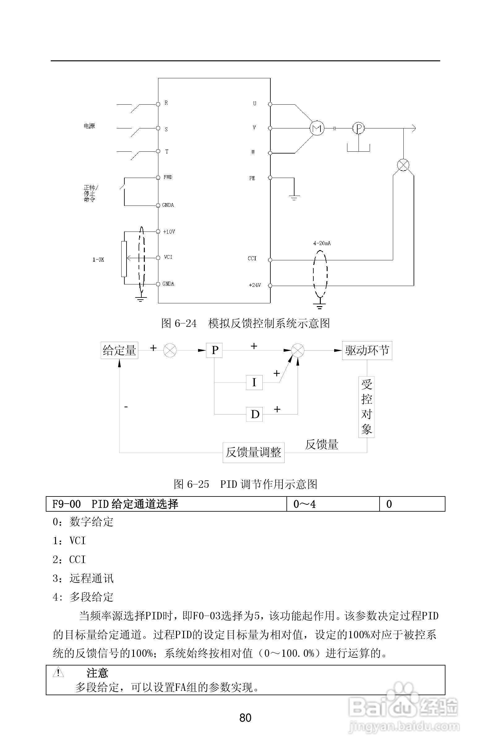
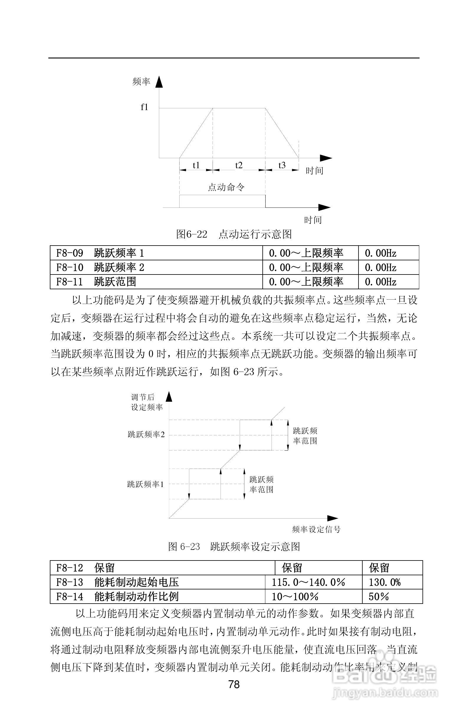
紫威CV2000/3000-630G/700P-12变频器使用说明书:[9]
2026-04-23 07:50:33
本篇为《紫威CV2000/3000-630G/700P-12变频器使用说明书》,主要介绍该产品的使用方法以及常见故障解决方案。
(共篇)
上一篇:
|
下一篇:
声明:
本网站引用、摘录或转载内容仅供网站访问者交流或参考,不代表本站立场,如存在版权或非法内容,请联系站长删除,联系邮箱:site.kefu@qq.com。
相关推荐
紫威CV2000/3000-630G/700P-12变频器使用说明书:[12]
阅读量:120
安瑞吉E6-630G/700P-4变频器使用说明书:[9]
阅读量:34
安瑞吉E6-630G/700P-4变频器使用说明书:[8]
阅读量:106
安瑞吉E6-630G/700P-4变频器使用说明书:[7]
阅读量:170
安瑞吉E6-630G/700P-4变频器使用说明书:[1]
阅读量:103
猜你喜欢
色彩斑斓的近义词
猕猴桃怎么吃才正确
孔雀鱼怎么交配
男生什么发型好看
动静的近义词
金佑人生保险怎么样
小桔灯怎么做
驾校教练证怎么考
敏锐的近义词
手机序列号怎么查
猜你喜欢
激烈近义词
创举的近义词
坎坷的近义词
脸上起皮是怎么回事
我的世界光影怎么安装
闻名中外的近义词
口吃怎么办
dat文件怎么打开
男士发型图片大全
近义词的成语