指南生活
首页
美食营养
手工爱好
生活家居
返回
指南生活
首页
美食营养
游戏数码
手工爱好
生活家居
健康养生
运动户外
职场理财
情感交际
母婴教育
时尚美容
知识问答
生活知识
搜索
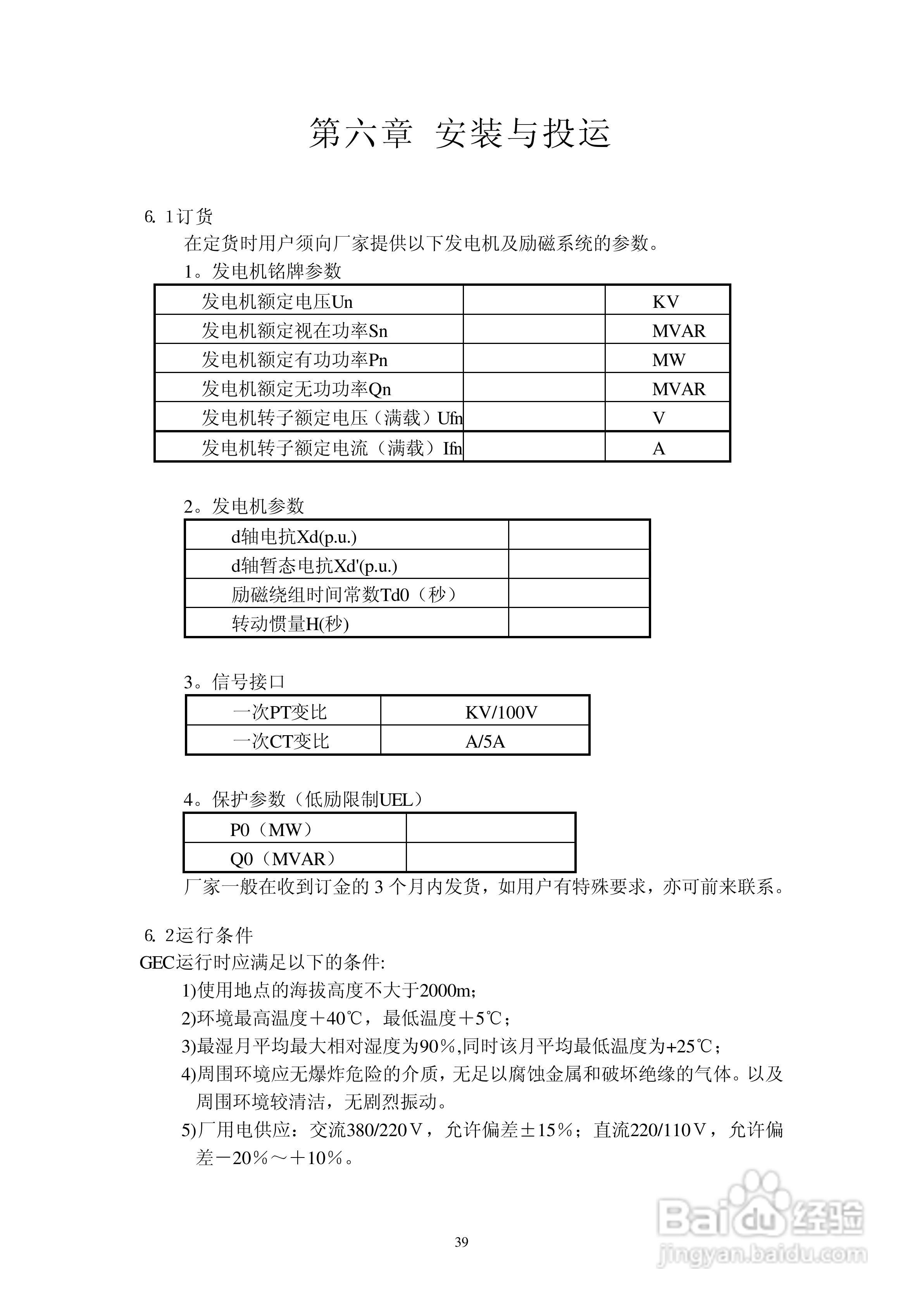
GEC-2型全数字式非线性励磁装置操作说明书:[4]
2025-12-17 03:43:47
本篇为《GEC-2型全数字式非线性励磁装置操作说明书》,主要介绍该产品的使用方法以及常见故障解决方案。
(共篇)
上一篇:
|
下一篇:
声明:
本网站引用、摘录或转载内容仅供网站访问者交流或参考,不代表本站立场,如存在版权或非法内容,请联系站长删除,联系邮箱:site.kefu@qq.com。
相关推荐
如何用origin非线性拟合曲线?
阅读量:26
非线性问题分类及求解
阅读量:155
excel怎么非线性洛伦兹拟合
阅读量:43
非线性电阻电路怎么分析???
阅读量:138
matlab灰度非线性变换的实现
阅读量:159
猜你喜欢
黑眼圈怎么样消除
鲅鱼怎么做好吃
afraid怎么读
血压低怎么回事
华为双系统怎么切换
煮鸡蛋怎么好剥皮
u盘怎么用
手机怎么截图
打瞌睡怎么办
阙怎么读
猜你喜欢
玉兰油护肤品怎么样
漫步者耳机怎么样
广西大学怎么样
quiet怎么读
wifi万能钥匙怎么用
呢怎么组词
win10我的电脑怎么放在桌面
万用表怎么测电压
肩周炎是怎么引起的
knee怎么读