指南生活
首页
美食营养
手工爱好
生活家居
返回
指南生活
首页
美食营养
游戏数码
手工爱好
生活家居
健康养生
运动户外
职场理财
情感交际
母婴教育
时尚美容
知识问答
生活知识
搜索
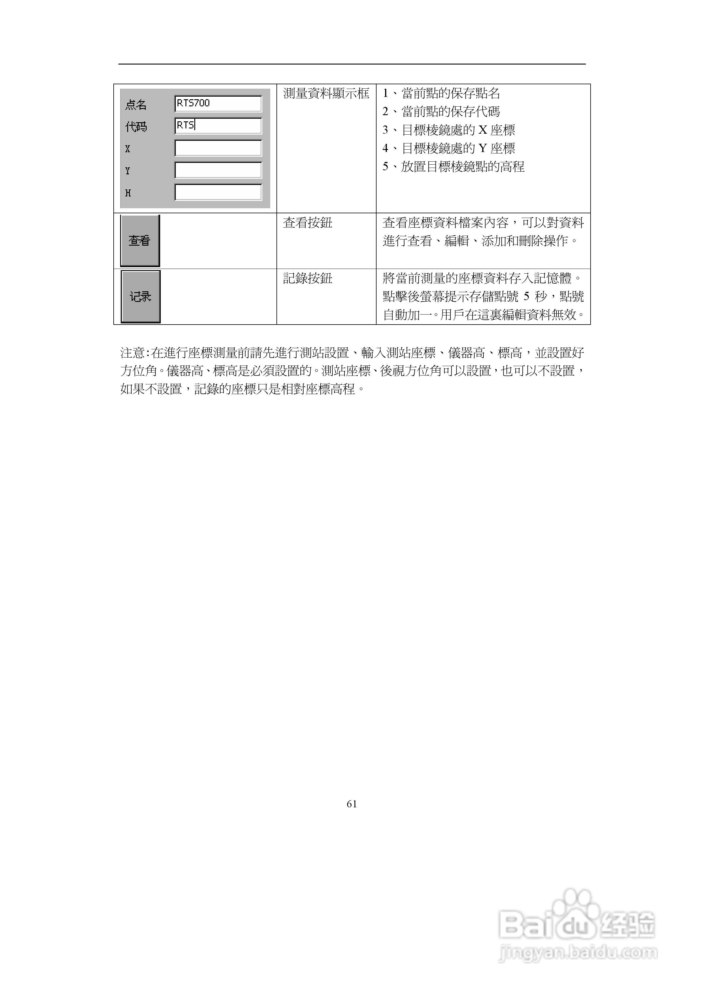
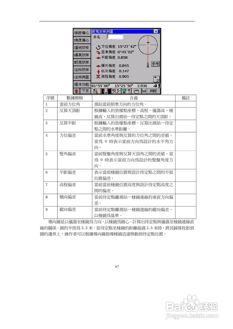
上煇RTS-700全站仪说明书:[7]
2026-01-13 14:48:37
本篇为《上煇RTS-700全站仪说明书》,主要介绍该产品的使用方法以及常见故障解决方案。
(共篇)
上一篇:
|
下一篇:
声明:
本网站引用、摘录或转载内容仅供网站访问者交流或参考,不代表本站立场,如存在版权或非法内容,请联系站长删除,联系邮箱:site.kefu@qq.com。
相关推荐
上煇RTS-700全站仪说明书:[14]
阅读量:143
上煇RTS-630全站仪说明书:[14]
阅读量:170
上煇RTS-680/GPI-210 系列全站仪说明书:[7]
阅读量:194
全站仪使用方法
阅读量:108
上煇RTS-680/GPI-210 系列全站仪说明书:[4]
阅读量:149
猜你喜欢
一句美好的祝福语
韩国买什么便宜
祝福高考成功的佳句简短
boos是什么意思
结婚祝福语高级一点的
与时俱进是什么意思
心怡是什么意思
aes是什么意思
惺惺相惜是什么意思
什么是光棍节
猜你喜欢
女士开什么车合适
什么单机游戏可以联机
什么保险品种最好
好友克隆是什么意思
总手和现手是什么意思
日本有什么好买的
祝福图片大全
云南什么季节去最好
高考祝福的话
社会科学专技类考什么