指南生活
首页
美食营养
手工爱好
生活家居
返回
指南生活
首页
美食营养
游戏数码
手工爱好
生活家居
健康养生
运动户外
职场理财
情感交际
母婴教育
时尚美容
知识问答
生活知识
生活百科
搜索
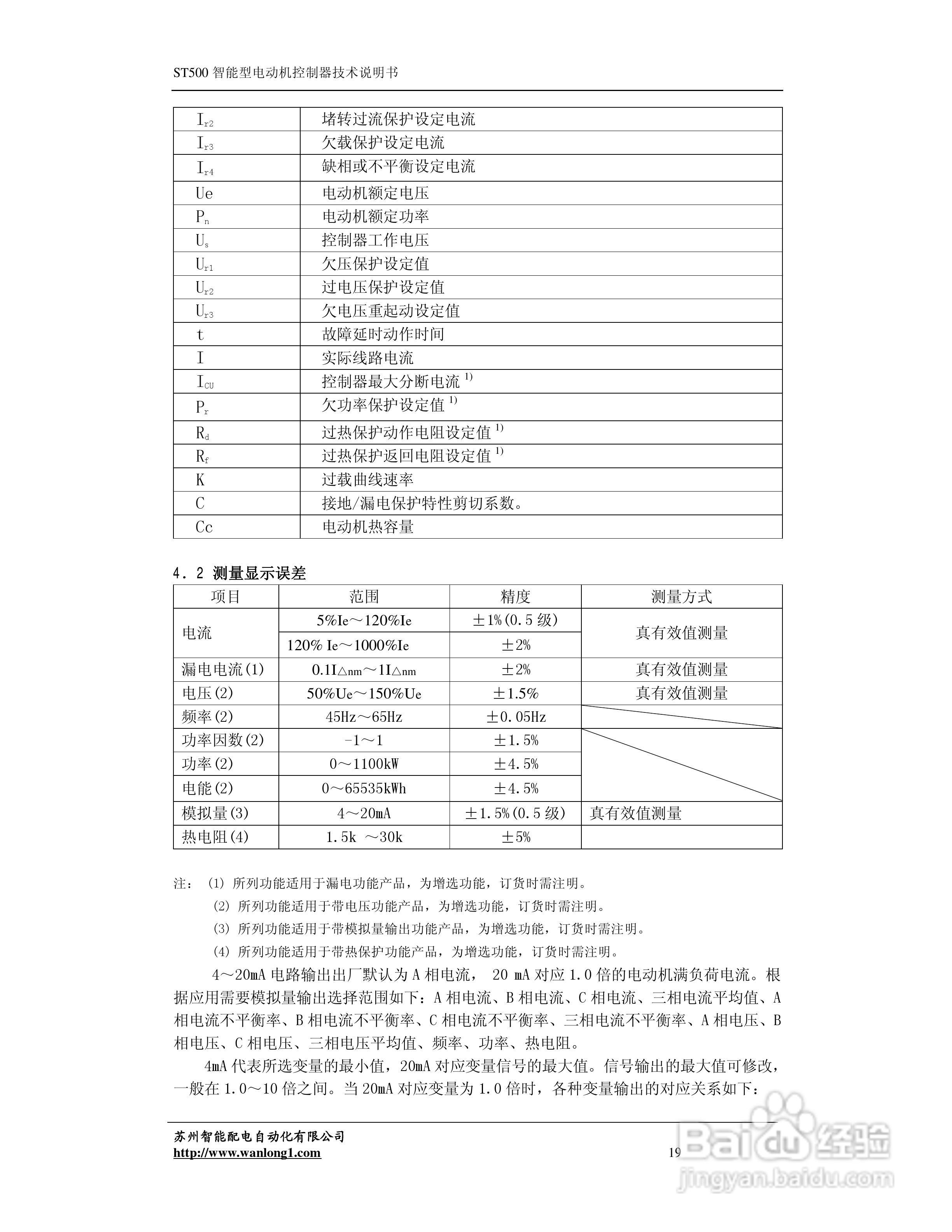
ST500智能型电动机控制器技术说明书:[2]
2026-05-01 02:34:38
本篇为《ST500智能型电动机控制器技术说明书》,主要介绍该产品的使用方法以及常见故障解决方案。
(共篇)
上一篇:
|
下一篇:
声明:
本网站引用、摘录或转载内容仅供网站访问者交流或参考,不代表本站立场,如存在版权或非法内容,请联系站长删除,联系邮箱:site.kefu@qq.com。
相关推荐
ST500智能型电动机控制器技术说明书:[3]
阅读量:107
ST500智能型电动机控制器技术说明书:[5]
阅读量:179
ST500系列智能电动机控制器说明书:[3]
阅读量:117
ST500系列智能电动机控制器说明书:[1]
阅读量:155
电动机保护器选型基本原则
阅读量:83
猜你喜欢
什么是三通一平
梦见吃鱼是什么意思
wps是什么意思
gprs是什么意思
举足轻重的意思
再接再厉的意思
脱颖而出的意思
眉清目秀的意思
hold不住是什么意思
duck是什么意思
猜你喜欢
呆呆念什么
天门冬的功效与作用
厚德载物的意思
过渡句是什么意思
千金片的功效与作用
高考美术考什么
什么都没有穿的美女
昼夜的意思
炙手可热的意思
化验血能查出什么