指南生活
首页
美食营养
手工爱好
生活家居
返回
指南生活
首页
美食营养
游戏数码
手工爱好
生活家居
健康养生
运动户外
职场理财
情感交际
母婴教育
时尚美容
知识问答
生活知识
搜索
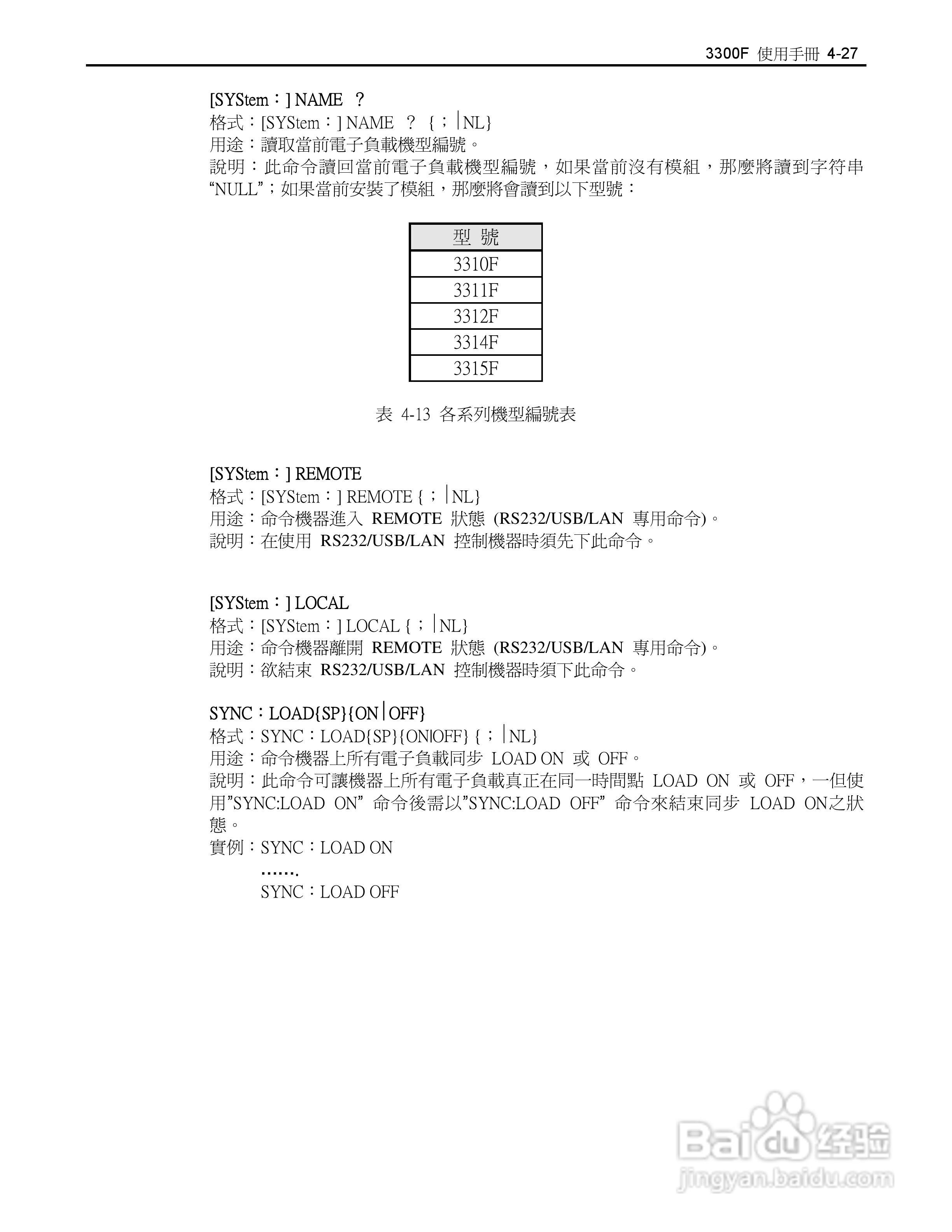
博计3305F四模组电子负载机框使用手册:[5]
2025-12-20 16:25:46
本篇为《博计3305F四模组电子负载机框使用手册》,主要介绍该产品的使用方法以及常见故障解决方案。
(共篇)
上一篇:
|
下一篇:
声明:
本网站引用、摘录或转载内容仅供网站访问者交流或参考,不代表本站立场,如存在版权或非法内容,请联系站长删除,联系邮箱:site.kefu@qq.com。
相关推荐
博计3305F四模组电子负载机框使用手册:[4]
阅读量:131
博计3305F四模组电子负载机框使用手册:[1]
阅读量:26
博计3302F单模组电子负载机框使用手册:[4]
阅读量:54
博计3302F单模组电子负载机框使用手册:[6]
阅读量:189
博计3302F单模组电子负载机框使用手册:[3]
阅读量:184
猜你喜欢
嬗变的意思
我的世界钻石用什么挖
燕雀安知鸿鹄之志哉的意思
感恩节的祝福语
作文在什么中成长
母亲节祝福
漂泊的意思
孕妇喝什么奶粉比较好
葛粉什么时候吃最好
高考祝福
猜你喜欢
男人早射有什么办法能治
罡是什么意思
daily是什么意思
天香用什么心法
unique是什么意思
围魏救赵的意思是什么
汽车膜什么牌子好
什么东西咬牙切齿
慎重的意思
扼杀的意思