指南生活
首页
美食营养
手工爱好
生活家居
返回
指南生活
首页
美食营养
游戏数码
手工爱好
生活家居
健康养生
运动户外
职场理财
情感交际
母婴教育
时尚美容
知识问答
生活知识
搜索
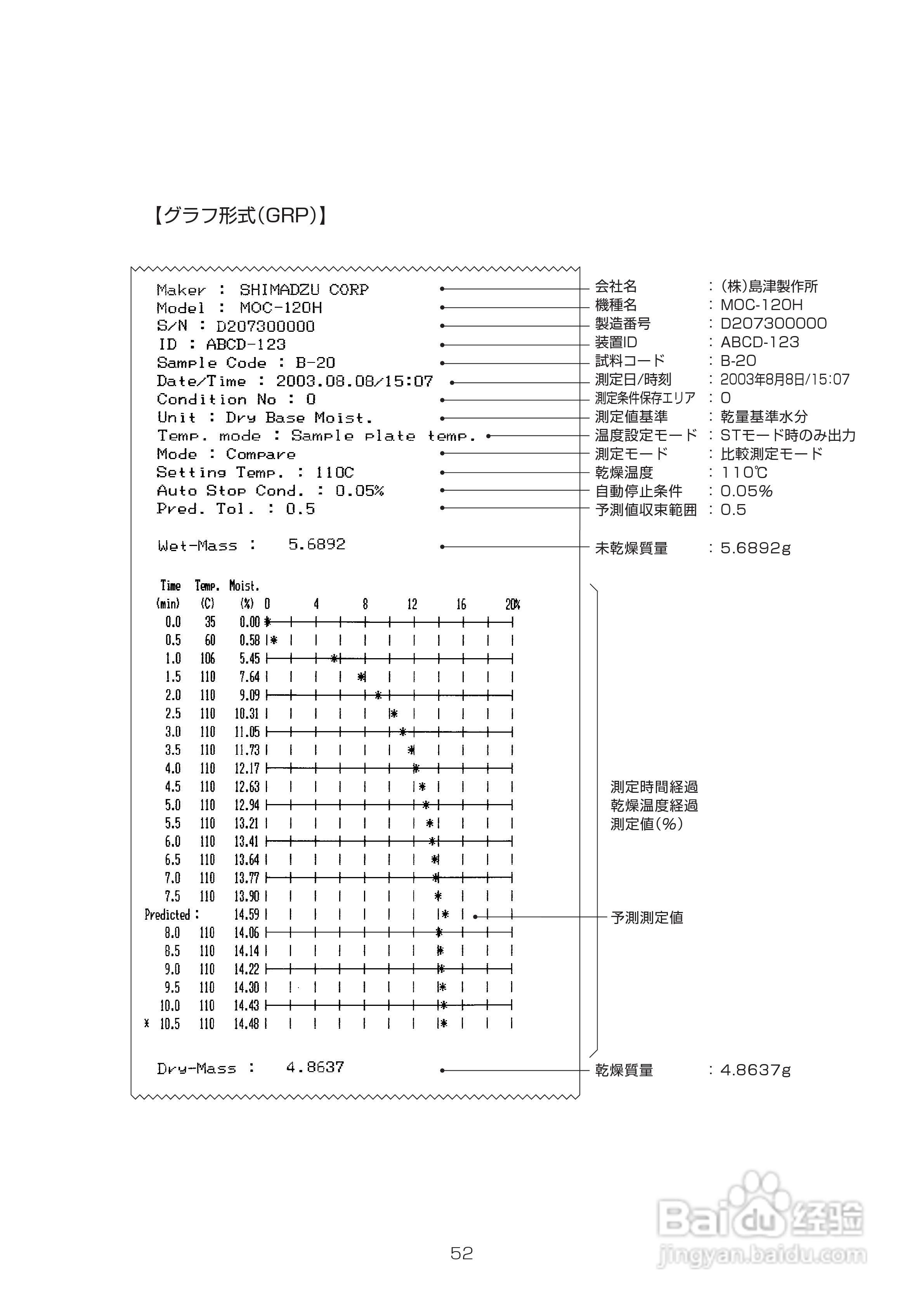
电子水分计MOC-120H使用说明书:[7]
2025-12-22 03:11:03
本篇为《电子水分计MOC-120H使用说明书》,主要介绍该产品的使用方法以及常见故障解决方案。
(共篇)
上一篇:
|
下一篇:
声明:
本网站引用、摘录或转载内容仅供网站访问者交流或参考,不代表本站立场,如存在版权或非法内容,请联系站长删除,联系邮箱:site.kefu@qq.com。
相关推荐
电子水分计MOC-120H使用说明书:[8]
阅读量:190
电子计重秤的如何使用
阅读量:171
奶粉水分测试仪如何测量水分
阅读量:64
使用说明书wf2651使用指南
阅读量:131
使用说明书封面怎么做
阅读量:36
猜你喜欢
吃叶酸有什么好处
四面楚歌是什么意思
什么人不用电
知悉是什么意思
客厅挂画有什么讲究
入党誓词的内容是什么
txt是什么意思
什么职业最赚钱
受精卵着床有什么感觉
春风又绿江南岸的下一句是什么
猜你喜欢
8月14日是什么情人节
spdif是什么意思
5月16日是什么星座
正太是什么意思
大学什么时候放暑假
玄学是什么
多肽是什么
悻悻然是什么意思
pick是什么意思
什么是射精