指南生活
首页
美食营养
手工爱好
生活家居
返回
指南生活
首页
美食营养
游戏数码
手工爱好
生活家居
健康养生
运动户外
职场理财
情感交际
母婴教育
时尚美容
知识问答
生活知识
生活百科
搜索
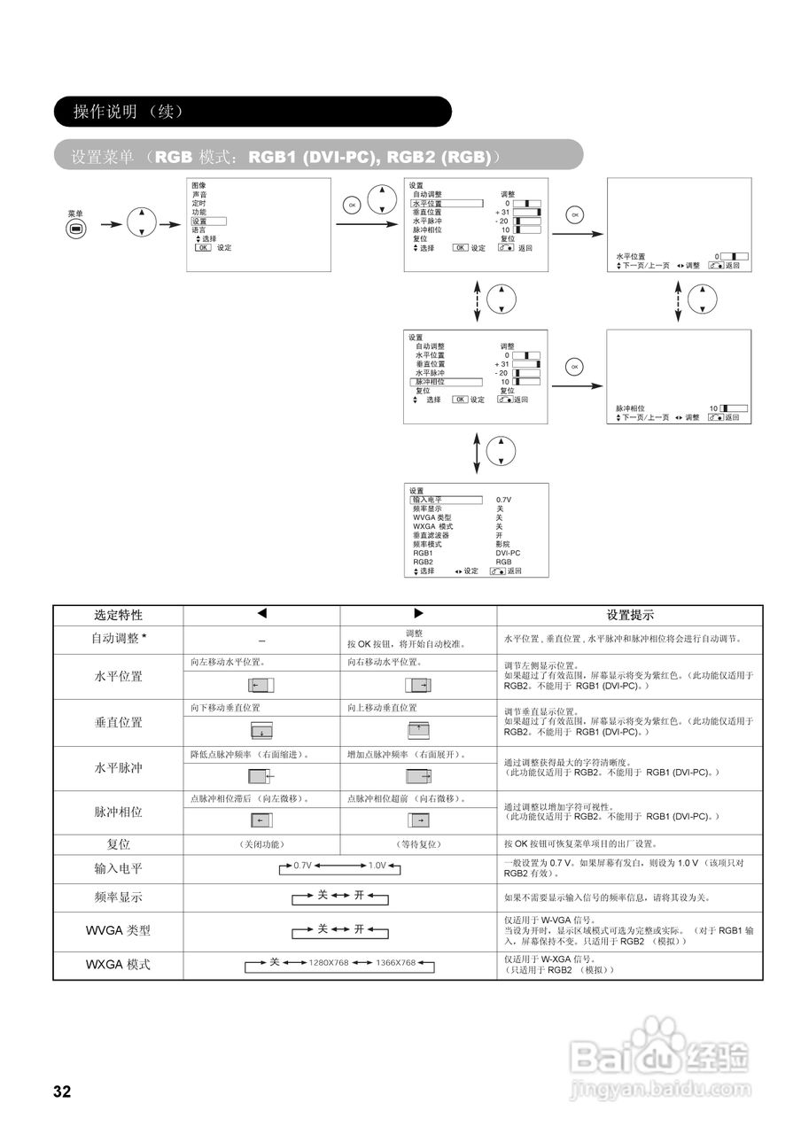
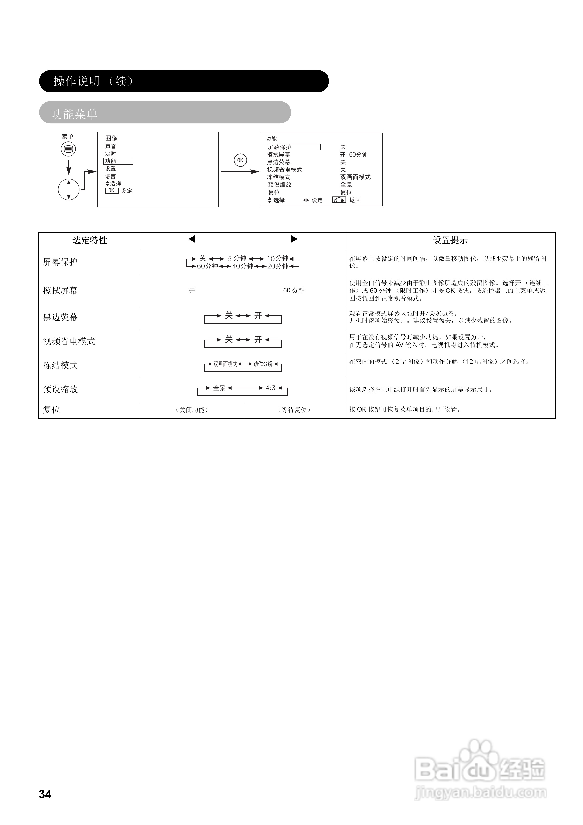
日立液晶电视32LD7900TC型使用说明书:[4]
2026-04-24 16:10:08
(共篇)
上一篇:
|
下一篇:
声明:
本网站引用、摘录或转载内容仅供网站访问者交流或参考,不代表本站立场,如存在版权或非法内容,请联系站长删除,联系邮箱:site.kefu@qq.com。
相关推荐
日立液晶电视32LD7900TC型使用说明书:[3]
阅读量:121
日立液晶电视32LD7900TC型使用说明书:[5]
阅读量:110
日立42PD7900TC彩电使用说明书:[4]
阅读量:123
日立42PD7900TC彩电使用说明书:[6]
阅读量:140
日立42PD7900TC彩电使用说明书:[5]
阅读量:98
猜你喜欢
旅游景点天气预报
女贞子泡水喝的功效
如何保护环境英语作文
穿山甲鳞片怎么吃
福州旅游景点介绍
敦煌莫高窟在哪里
大别山旅游
乌龟吃什么怎么养
淘宝网怎么注册账号
雁荡山在哪里
猜你喜欢
脚趾头发炎了怎么办
朋友圈怎么发长视频
荆州旅游景点大全
关岛在哪里
司马台长城旅游攻略
大理旅游路线
黑枸杞泡水喝的禁忌
新鲜槐花怎么吃
湄洲岛旅游
跑跑卡丁车怎么漂移