指南生活
首页
美食营养
手工爱好
生活家居
返回
指南生活
首页
美食营养
游戏数码
手工爱好
生活家居
健康养生
运动户外
职场理财
情感交际
母婴教育
时尚美容
知识问答
生活知识
生活百科
搜索
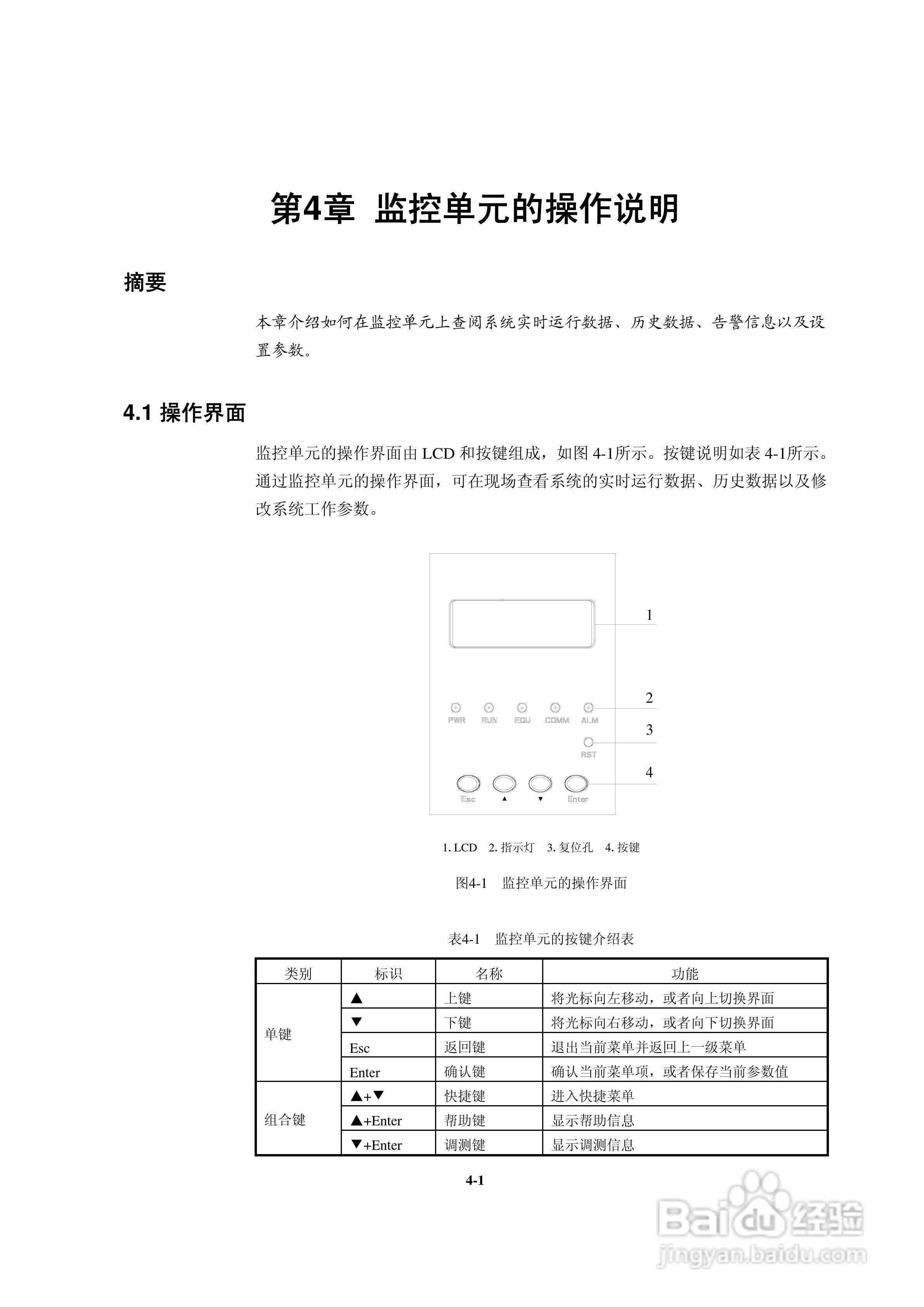
ZXDU68 W201(V1.0)50A系列组合电源用户手册:[4]
2026-04-25 07:01:26
本篇为《ZXDU68 W201(V1.0)50A系列组合电源用户手册》,主要介绍该产品的使用方法以及常见故障解决方案。
(共篇)
上一篇:
|
下一篇:
声明:
本网站引用、摘录或转载内容仅供网站访问者交流或参考,不代表本站立场,如存在版权或非法内容,请联系站长删除,联系邮箱:site.kefu@qq.com。
相关推荐
ZXDU68 W201(V1.0)50A系列组合电源用户手册:[8]
阅读量:82
ZXDU28 W300(V1.0)15A系列组合电源用户手册:[1]
阅读量:134
ZXDU45(V1.0)嵌入式组合电源用户手册:[7]
阅读量:59
ZXDU28 W300(V1.0)15A系列组合电源用户手册:[3]
阅读量:155
ZXDU28 W300(V1.0)15A系列组合电源用户手册:[4]
阅读量:46
猜你喜欢
望眼欲穿是什么意思
什么是印刷术
狞笑的意思
莆田系是什么意思
秩序井然的意思
冬天喝什么茶好
宽厚的意思
自负是什么意思
血雨腥风的意思
驾照报名需要什么
猜你喜欢
什么是霍乱
g41主板配什么cpu
胡思乱想的意思
肤浅的意思
汽车功放什么牌子好
dnf什么职业好玩
什么是ssl
什么是211工程
知悉是什么意思
different是什么意思