指南生活
首页
美食营养
手工爱好
生活家居
返回
指南生活
首页
美食营养
游戏数码
手工爱好
生活家居
健康养生
运动户外
职场理财
情感交际
母婴教育
时尚美容
知识问答
生活知识
生活百科
搜索
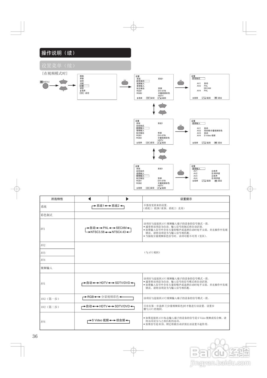
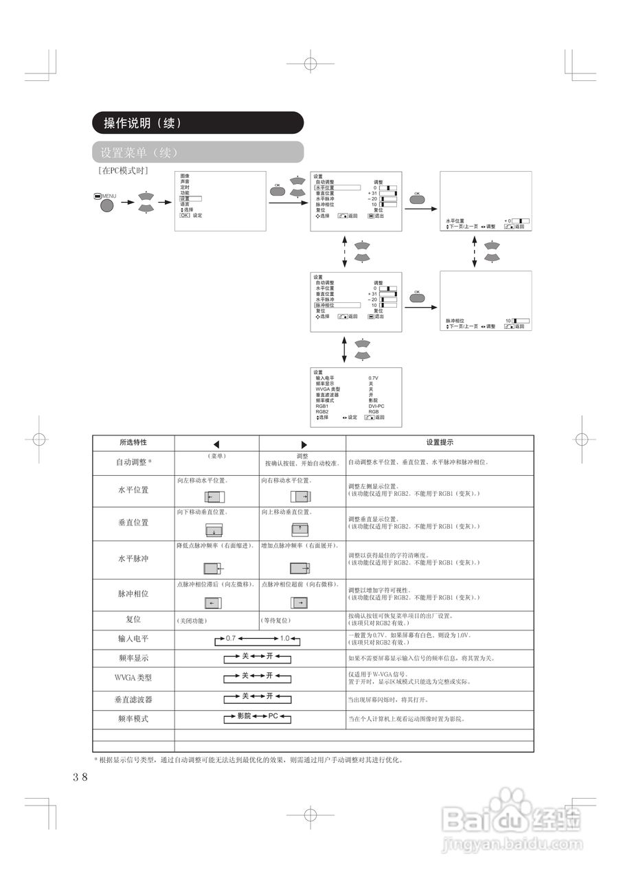
日立等离子电视42PD5000TC型使用说明书:[4]
2026-04-24 18:43:09
(共篇)
上一篇:
|
下一篇:
声明:
本网站引用、摘录或转载内容仅供网站访问者交流或参考,不代表本站立场,如存在版权或非法内容,请联系站长删除,联系邮箱:site.kefu@qq.com。
相关推荐
日立等离子电视42PD5000TC型使用说明书:[2]
阅读量:168
日立等离子电视42PD5000TC型使用说明书:[1]
阅读量:63
日立等离子电视42PD5000TC型使用说明书:[5]
阅读量:84
日立等离子电视42PD5000TC型使用说明书:[3]
阅读量:33
日立R-X6000J电冰箱使用说明书:[3]
阅读量:54
猜你喜欢
没有身份证可以坐高铁吗
小孩子不爱吃饭怎么办
桂花的特点
孕妇可以吃虾
木渎古镇旅游攻略
蝙蝠侠阿甘骑士攻略
有特点的电影
湖南工程学院怎么样
嘉峪关旅游
奉化旅游
猜你喜欢
郑州九中怎么样
日照旅游景点
苏州园林的特点
自然流产后多久可以同房
木兰天池旅游攻略
孕妇可以吃西红柿
垃圾桶用英文怎么说
邓禄普轮胎特点
石灰岩的特点
汕头旅游景点