指南生活
首页
美食营养
手工爱好
生活家居
返回
指南生活
首页
美食营养
游戏数码
手工爱好
生活家居
健康养生
运动户外
职场理财
情感交际
母婴教育
时尚美容
知识问答
生活知识
搜索
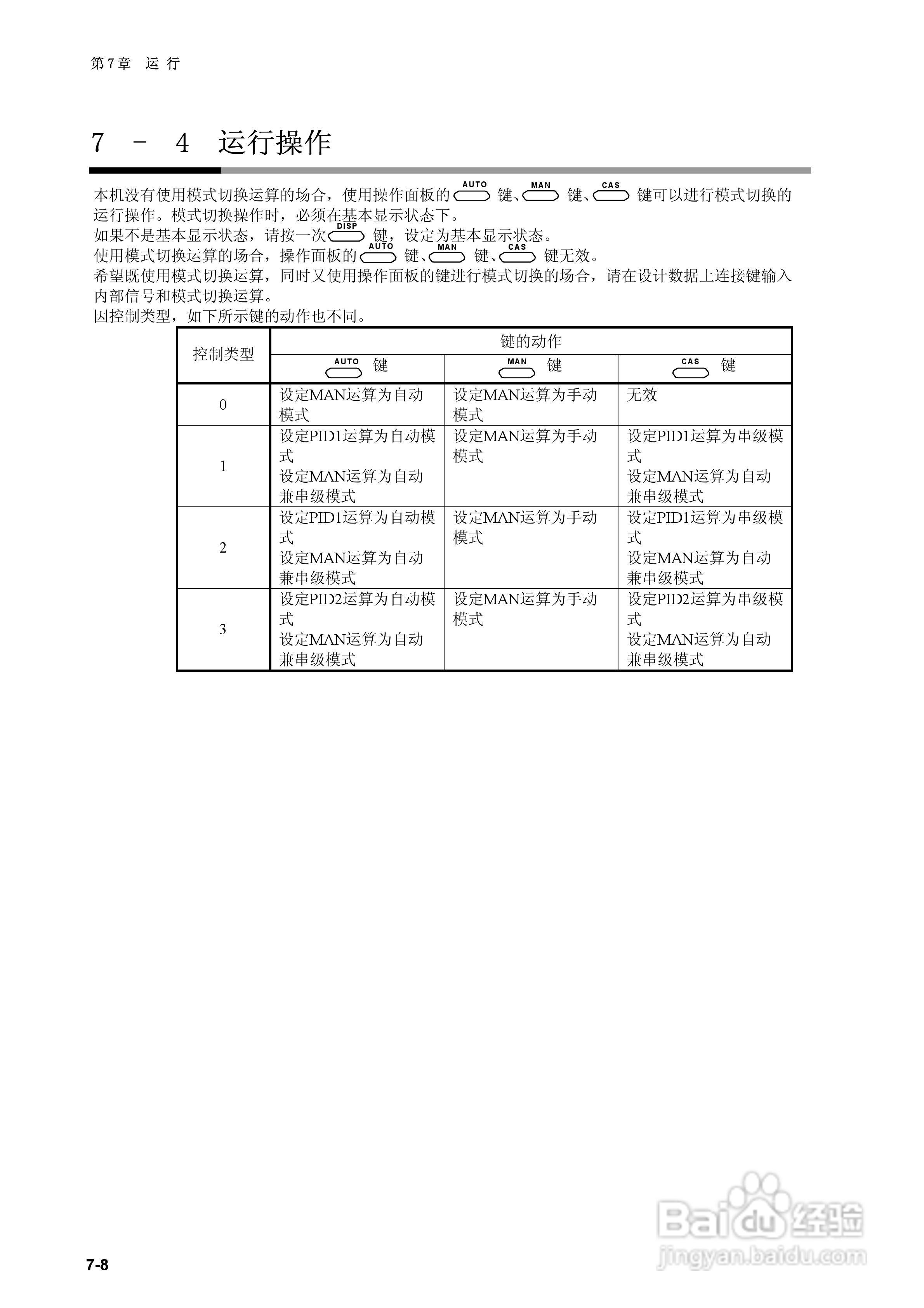
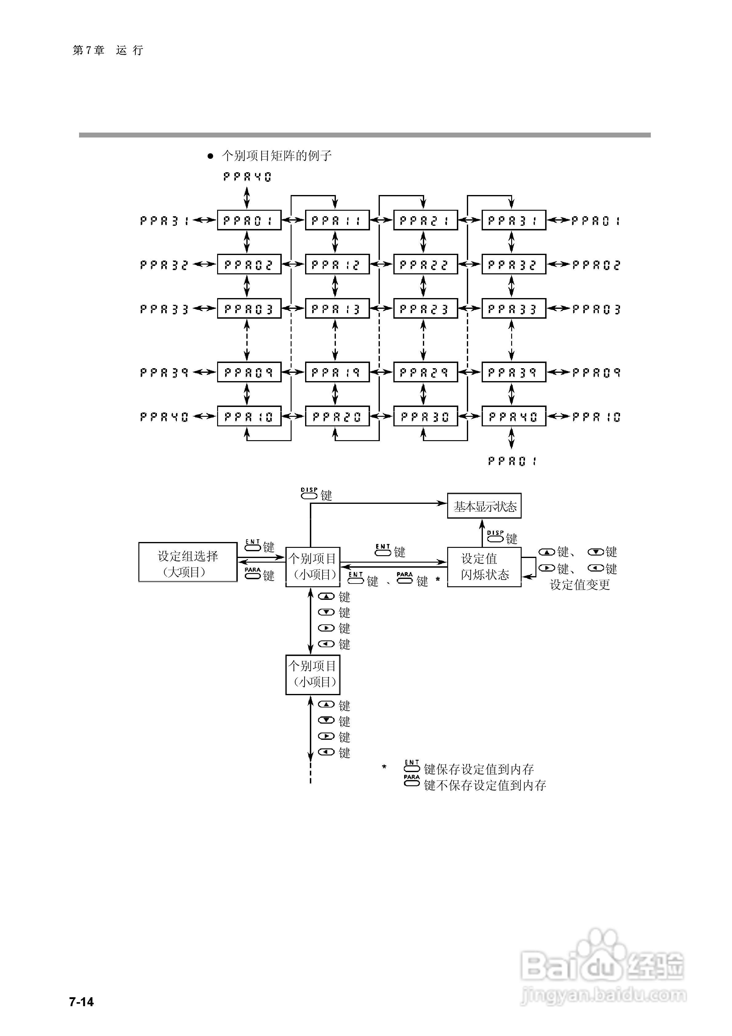
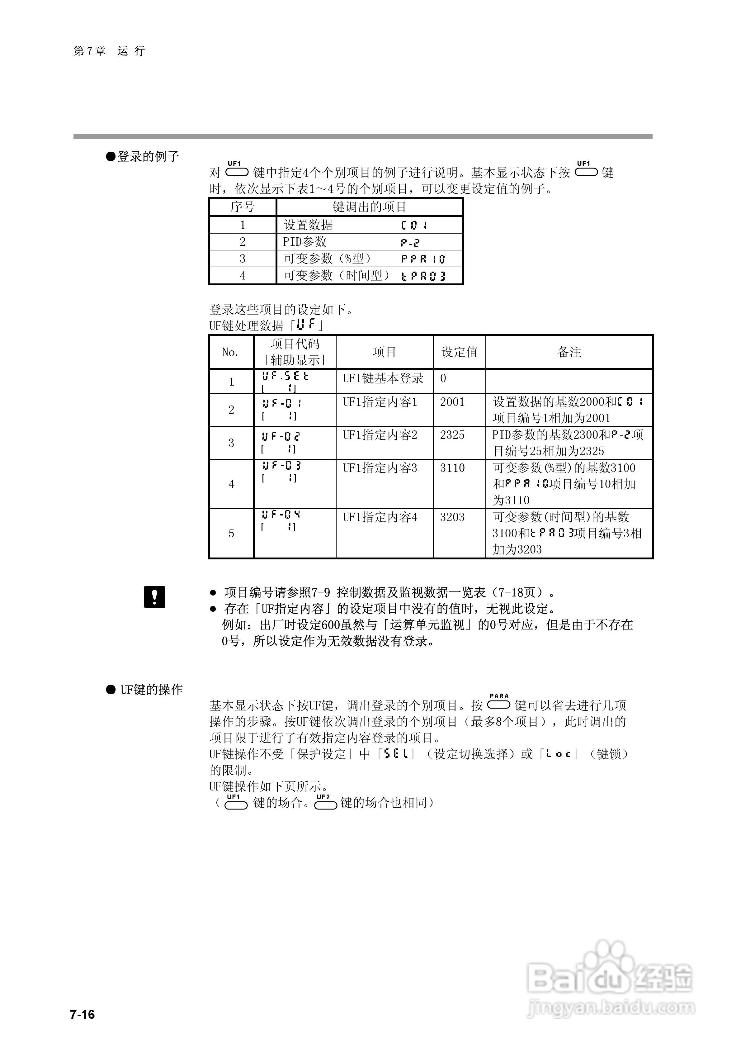
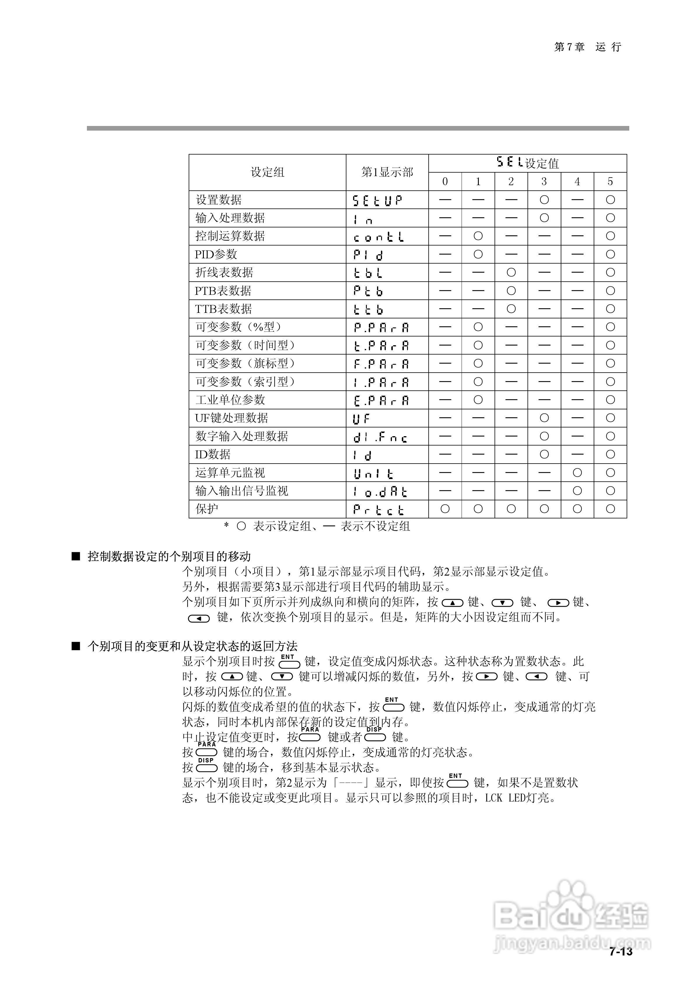
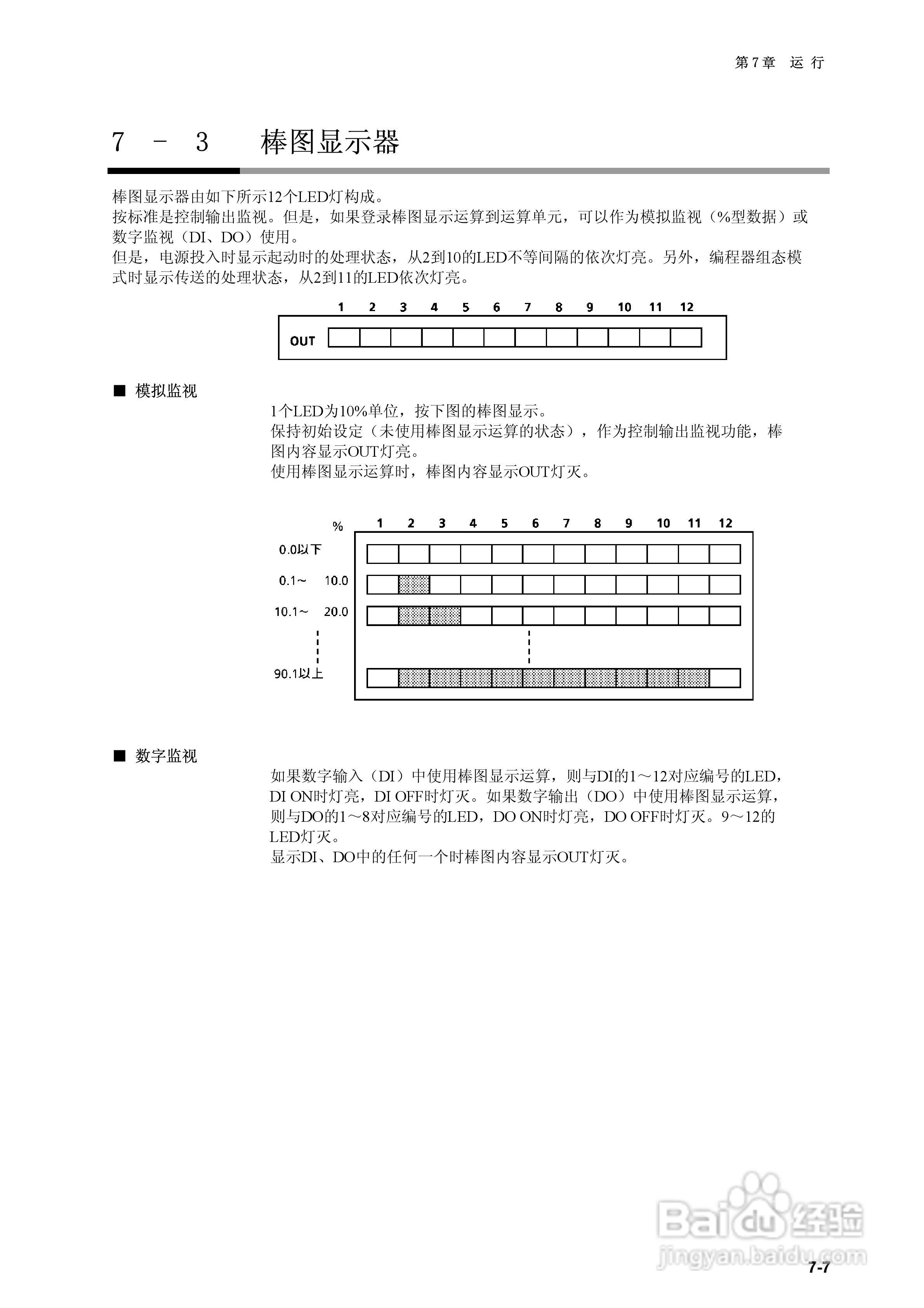
日本山武指示调节器SDC40B使用说明书:[10]
2026-03-19 16:00:51
本篇为《日本山武指示调节器SDC40B使用说明书》,主要介绍该产品的使用方法以及常见故障解决方案。
(共篇)
上一篇:
|
下一篇:
声明:
本网站引用、摘录或转载内容仅供网站访问者交流或参考,不代表本站立场,如存在版权或非法内容,请联系站长删除,联系邮箱:site.kefu@qq.com。
相关推荐
日本山武指示调节器SDC40B使用说明书:[11]
阅读量:175
日本山武指示调节器SDC40B使用说明书:[19]
阅读量:41
使用说明书封面怎么做
阅读量:50
使用说明书wf2651使用指南
阅读量:66
日本山武指示调节器SDC40B使用说明书:[14]
阅读量:108
猜你喜欢
炖鸡翅的家常做法
怎么卸载驱动
脸上长黄褐斑怎么办
分解因式的方法
脸上痤疮的治疗方法
插件怎么安装
在电脑上怎么截图
络腮胡子怎么去除
被油烫伤怎么办
乳腺炎的治疗方法
猜你喜欢
提高免疫力的方法
腰间盘突出的治疗方法
鸡爪怎么做好吃
基围虾怎么做好吃
怎么样和女孩子聊天
酸辣白菜的腌制方法
菠菜的做法大全家常
广电网络宽带怎么样
面部提升最好的方法
amd的cpu怎么样