指南生活
首页
美食营养
手工爱好
生活家居
返回
指南生活
首页
美食营养
游戏数码
手工爱好
生活家居
健康养生
运动户外
职场理财
情感交际
母婴教育
时尚美容
知识问答
生活知识
生活百科
搜索
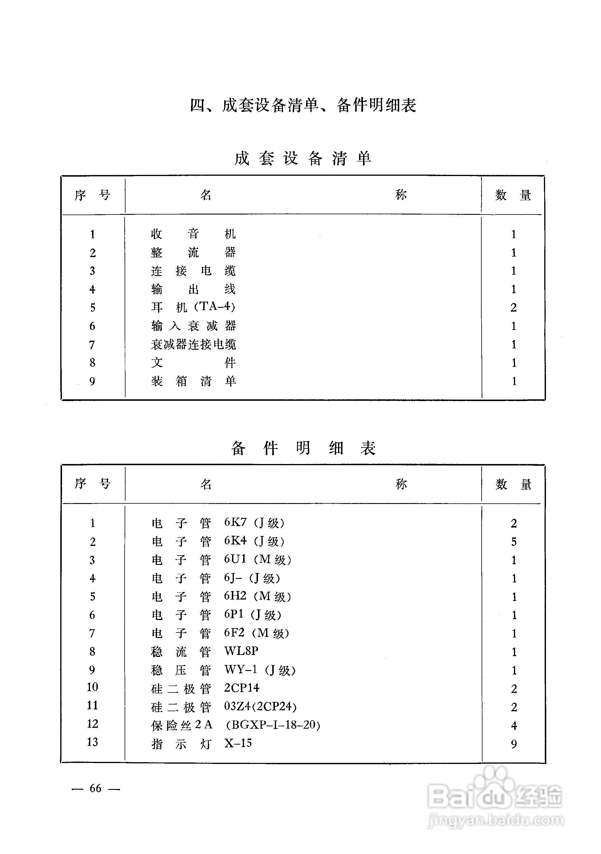
222-1短波接收机使用说明书:[8]
2026-03-25 03:18:22
本篇为《222-1短波接收机使用说明书》,主要介绍该产品的使用方法以及常见故障解决方案。
(共篇)
上一篇:
声明:
本网站引用、摘录或转载内容仅供网站访问者交流或参考,不代表本站立场,如存在版权或非法内容,请联系站长删除,联系邮箱:site.kefu@qq.com。
相关推荐
222-1短波接收机使用说明书:[1]
阅读量:124
222-1短波接收机使用说明书:[3]
阅读量:108
如何组装短波收音机
阅读量:35
收音机如何改短波
阅读量:136
手机如何接收短波电台
阅读量:136
猜你喜欢
初二物理下册知识点
鱼的尾巴像什么
藏红花的作用与功效
jy什么意思
牡丹皮的功效与作用
胶原蛋白的作用
浙江有什么好玩的
晟念什么
amg什么意思
u盘什么牌子的好
猜你喜欢
牡丹花的功效与作用
运动的好处英语作文
微波炉能做什么
熟视无睹什么意思
一什么青烟
乳化作用
体育运动会广播稿
三叶草运动鞋
交社保需要什么资料
息斯敏的功效与作用