指南生活
首页
美食营养
手工爱好
生活家居
返回
指南生活
首页
美食营养
游戏数码
手工爱好
生活家居
健康养生
运动户外
职场理财
情感交际
母婴教育
时尚美容
知识问答
生活知识
生活百科
搜索
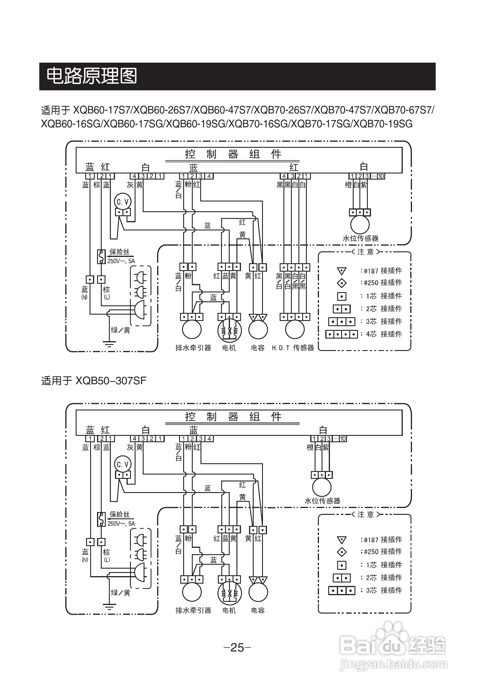
LG XQB60-17S7洗衣机使用说明书:[3]
2026-03-22 16:16:28
(共篇)
上一篇:
声明:
本网站引用、摘录或转载内容仅供网站访问者交流或参考,不代表本站立场,如存在版权或非法内容,请联系站长删除,联系邮箱:site.kefu@qq.com。
相关推荐
LG XQB60-17S7洗衣机使用说明书:[1]
阅读量:91
LG XQB60-26S7洗衣机使用说明书:[3]
阅读量:128
LG XQB60-47S7洗衣机使用说明书:[2]
阅读量:150
LG XQB60-26S7洗衣机使用说明书:[2]
阅读量:95
洗衣机洗涤剂盒怎么用
阅读量:36
猜你喜欢
粗心的近义词是什么
桑菊感冒颗粒
风寒感冒的症状
电脑没有声音怎么回事
天津博物馆地址
巧妙的近义词
掩耳盗铃的近义词
婴儿打嗝是怎么回事
烤箱怎么烤地瓜
形影不离的近义词
猜你喜欢
得了强迫症怎么办
感冒多喝水有什么好处
青岛海军博物馆
月经提前怎么办
自行车变速器怎么用
thief怎么读
风热感冒的症状
上海消防博物馆
河南理工大学怎么样
word怎么设置密码