指南生活
首页
美食营养
手工爱好
生活家居
返回
指南生活
首页
美食营养
游戏数码
手工爱好
生活家居
健康养生
运动户外
职场理财
情感交际
母婴教育
时尚美容
知识问答
生活知识
生活百科
搜索
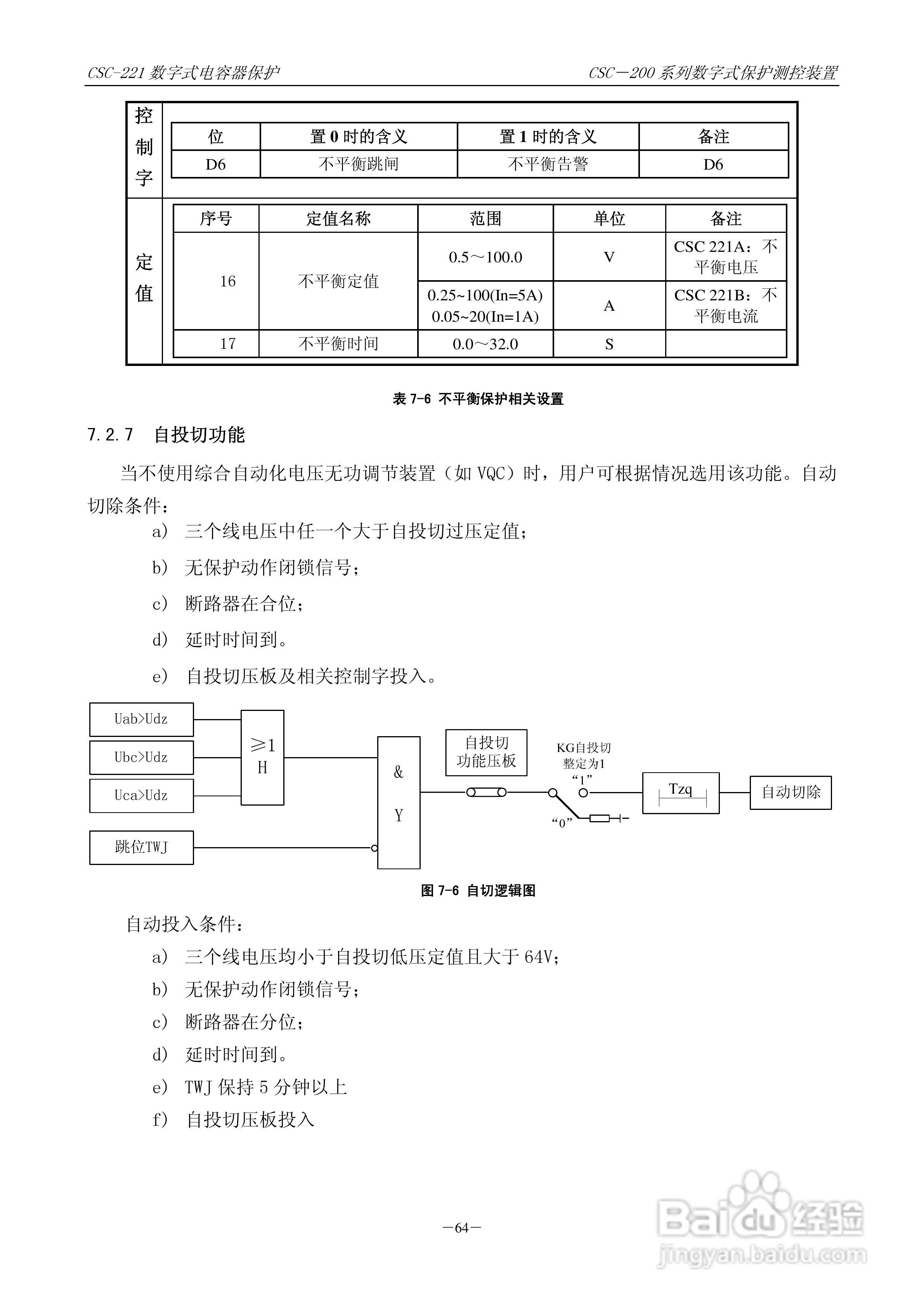
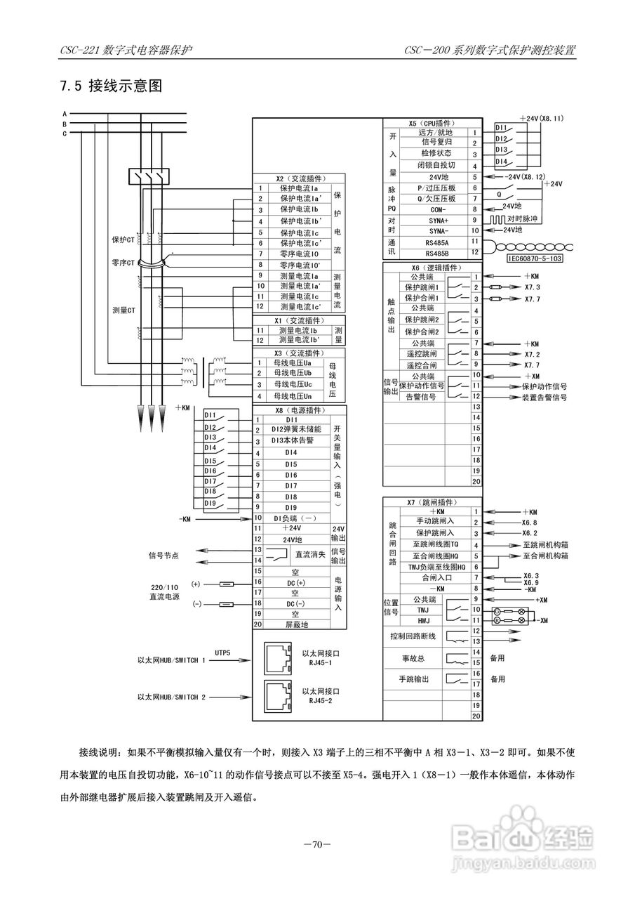
四方CSC-246数字式备用电源自动投入装置说明书:[8]
2026-04-03 02:29:29
本篇为《四方CSC-246数字式备用电源自动投入装置说明书》,主要介绍该产品的使用方法以及常见故障解决方案。
(共篇)
上一篇:
|
下一篇:
声明:
本网站引用、摘录或转载内容仅供网站访问者交流或参考,不代表本站立场,如存在版权或非法内容,请联系站长删除,联系邮箱:site.kefu@qq.com。
相关推荐
四方CSC-246数字式备用电源自动投入装置说明书:[7]
阅读量:86
四方CSC-246数字式备用电源自动投入装置说明书:[14]
阅读量:94
四方盒的折纸
阅读量:175
四方收纳盒怎么折
阅读量:192
四方形物品如何包装
阅读量:172
猜你喜欢
饥荒老奶奶怎么玩
你是我的唯一用英语怎么说
怎么走出失恋
怎么打特殊符号
腊鸡怎么做好吃
怎样炒茄子好吃
输卵管堵塞的治疗方法
怎么解压rar文件
牛奶洗脸的正确方法
360安全卫士怎么样
猜你喜欢
评价方法
香菜怎么做好吃
方便面怎么做好吃
暖宫的方法
湖南工程职业技术学院怎么样
螃蟹怎么做好吃
怎样做牛肉好吃
好吃的家常菜做法
百叶窗怎么安装
同房后出血怎么办