指南生活
首页
美食营养
手工爱好
生活家居
返回
指南生活
首页
美食营养
游戏数码
手工爱好
生活家居
健康养生
运动户外
职场理财
情感交际
母婴教育
时尚美容
知识问答
搜索
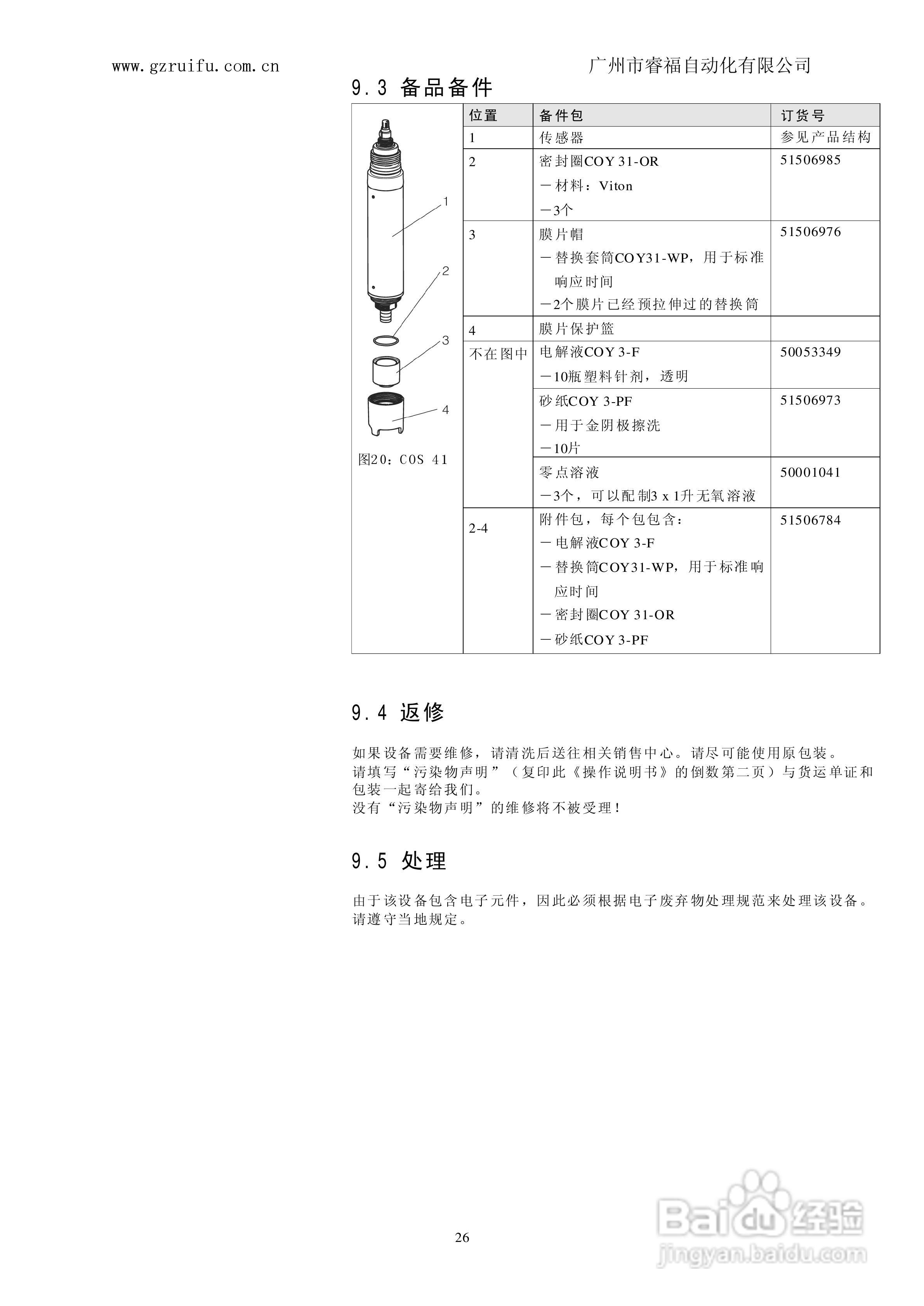
溶解氧传感器Oxymax WCOS41操作说明书书:[3]
2025-11-23 09:46:21
本篇为《溶解氧传感器Oxymax WCOS41操作说明书书》,主要介绍该产品的使用方法以及常见故障解决方案。
(共篇)
上一篇:
声明:
本网站引用、摘录或转载内容仅供网站访问者交流或参考,不代表本站立场,如存在版权或非法内容,请联系站长删除,联系邮箱:site.kefu@qq.com。
相关推荐
溶解氧传感器Oxymax WCOS41操作说明书书:[1]
阅读量:29
溶解氧DO的测定
阅读量:89
德国LRFS-0040系列激光测距传感器操作说明书:[3]
阅读量:90
DO溶解氧变送器DC-5300操作说明书:[1]
阅读量:143
DO溶解氧变送器DC-5300操作说明书:[4]
阅读量:116
猜你喜欢
微信收款码怎么申请
筷子用英语怎么说
黄金价格为什么大涨
个人简历自我评价怎么写
含羞草为什么会动
马为什么站着睡觉
紫菜的做法大全
凉拌木耳的做法大全
宫颈肥大是怎么回事
为什么要爱国
猜你喜欢
bought怎么读
乳腺增生是怎么引起的
为什么拉屎拉出血
蓝牙耳机一个响一个不响怎么办
为什么会打呼噜
皓怎么读
science怎么读
青蛙怎么折
怎么把pdf转换成word
笺怎么读音