指南生活
首页
美食营养
手工爱好
生活家居
返回
指南生活
首页
美食营养
游戏数码
手工爱好
生活家居
健康养生
运动户外
职场理财
情感交际
母婴教育
时尚美容
知识问答
生活知识
生活百科
搜索
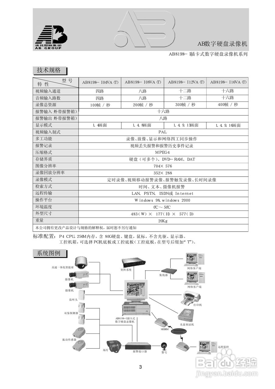
AB8198-I插卡式数字硬盘录像机说明书
2026-03-29 04:40:11
声明:
本网站引用、摘录或转载内容仅供网站访问者交流或参考,不代表本站立场,如存在版权或非法内容,请联系站长删除,联系邮箱:site.kefu@qq.com。
相关推荐
AB8198硬盘录像机安装和操作说明书:[3]
阅读量:158
AB8198硬盘录像机安装和操作说明书:[4]
阅读量:99
Panasonic数字硬盘录像机使用说明书:[1]
阅读量:145
Panasonic数字硬盘录像机使用说明书:[5]
阅读量:132
Panasonic数字硬盘录像机使用说明书:[4]
阅读量:89
猜你喜欢
怎么清除电脑缓存
鼻涕多怎么办
冼星海简介
小笑话大全
美食视频做菜大全视频
美术图片大全
青春痘是怎么形成的
罪恶都市秘籍大全
衣服上的墨水怎么洗
变废为宝手工制作大全
猜你喜欢
指甲油怎么去掉
男宝宝起名大全
免费邮箱大全
邪恶日本漫画大全
腌萝卜条的做法大全
香港正版资料免费大全
广场舞曲歌曲大全100首
问道坐骑怎么升阶
电影大全免费观看
幼儿讲故事视频大全