指南生活
首页
美食营养
手工爱好
生活家居
返回
指南生活
首页
美食营养
游戏数码
手工爱好
生活家居
健康养生
运动户外
职场理财
情感交际
母婴教育
时尚美容
知识问答
生活知识
生活百科
搜索
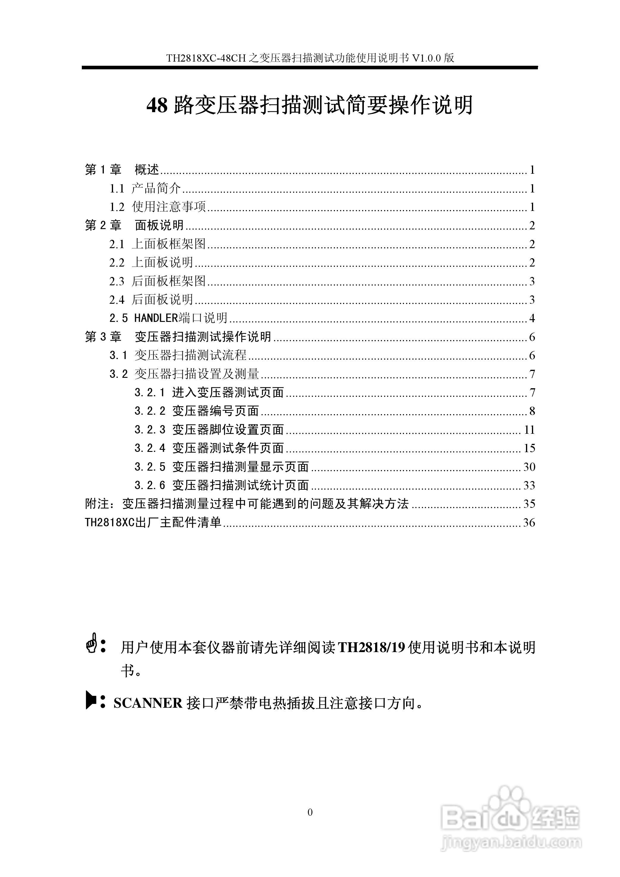
锦流源电子TH2818XC-48CH变压器说明书:[1]
2026-04-24 16:15:16
本篇为《锦流源电子TH2818XC-48CH变压器说明书》,主要介绍该产品的使用方法以及常见故障解决方案。
(共篇)
下一篇:
声明:
本网站引用、摘录或转载内容仅供网站访问者交流或参考,不代表本站立场,如存在版权或非法内容,请联系站长删除,联系邮箱:site.kefu@qq.com。
相关推荐
锦流源电子TH2818XC-48CH变压器说明书:[2]
阅读量:182
锦流源电子TH2818/TH2819 LCR数字电桥说明书:[4]
阅读量:59
锦流源电子TH2819XA LCR数字电桥说明书:[1]
阅读量:113
锦流源电子TH2818/TH2819 LCR数字电桥说明书:[5]
阅读量:49
锦流源电子TH2818/TH2819 LCR数字电桥说明书:[2]
阅读量:140
猜你喜欢
肇庆有什么旅游景点
如何推广微店
孩子不听话如何教育
优盘被写保护怎么解除
登陆路由器
黄山学院怎么样
黑蚂蚁怎么吃
qq主题怎么换
黑头导出液怎么用
怎么下载ppt软件
猜你喜欢
血常规检查结果怎么看
如何设置双面打印
如何设计logo
股票手续费怎么收
港澳旅游
借条如何写
苹果如何设置铃声
如何让胸部变小
如何办理信用卡
如何让眼睛变大