指南生活
首页
美食营养
手工爱好
生活家居
返回
指南生活
首页
美食营养
游戏数码
手工爱好
生活家居
健康养生
运动户外
职场理财
情感交际
母婴教育
时尚美容
知识问答
生活知识
生活百科
搜索
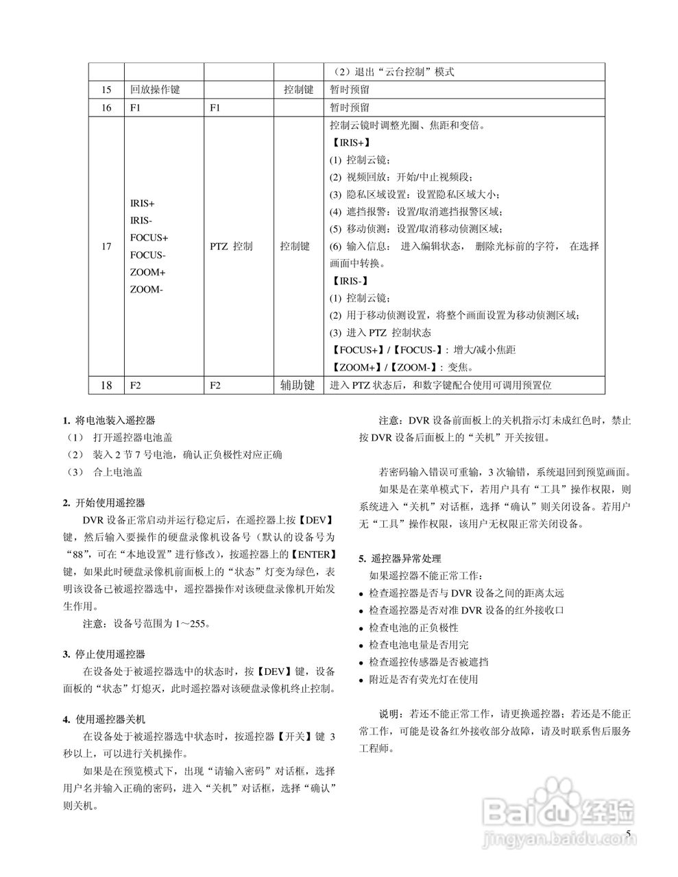
V3013系列嵌入式网络数字硬盘录像机说明书:[2]
2026-03-28 18:49:30
本篇为《V3013系列嵌入式网络数字硬盘录像机说明书》,主要介绍该产品的使用方法以及常见故障解决方案。
(共篇)
下一篇:
声明:
本网站引用、摘录或转载内容仅供网站访问者交流或参考,不代表本站立场,如存在版权或非法内容,请联系站长删除,联系邮箱:site.kefu@qq.com。
相关推荐
GoodSync Server如何替换证书
阅读量:25
合众HZYF-II型二次压降负荷测试仪说明书:[1]
阅读量:86
如何用易语言做一个采集百度本周热门经验的工具
阅读量:51
易语言判断循环类命令的使用
阅读量:75
易语言如何修改超级编辑框的宽度数值为10
阅读量:182
猜你喜欢
炒馒头怎么做好吃
早餐饼的做法大全
家常红烧鱼
眼部去皱的方法
祛湿气最好的方法
瑞士手表品牌大全
牙龈发炎怎么消炎最快
做蛋糕的方法和步骤
名人的读书方法
铁皮石斛种植方法
猜你喜欢
汽车品牌标志大全
红烧牛肉的家常做法
word怎么设置页数
怎么下载facebook
怎么调节内分泌失调
丰胸按摩方法
蜈蚣咬了怎么处理方法
怎么可以瘦腿
qq怎么转账
苦瓜怎么做好吃