自来水厂自控系统-水厂监控数据远传控制系统
1、应用背景
某县级水司有多个水厂,下面以其中1个水厂为例介绍该水司的水厂远程监控系统。
该水厂的水源为湖泊,取水泵站取水后通过管道输送给水厂,水厂内对原水进行加药、加氯等处理,通过加压泵组加压后输送到高位清水池,再自流向用户供水。
2、水厂工艺流程如下所示:
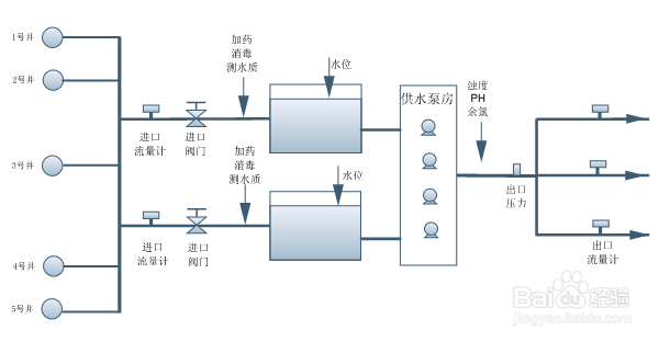
水厂周边建有5口水源井,通过两条管道集中向水厂供水。
水厂内两条管道的进口安装有流量计和电动阀,经过消毒间后将原水输送
到两个蓄水池。
消毒间内安装有水质检测设备和加药设备,加药设备自动向供水管道内加
药,对原水进行消毒处理。
两个蓄水池上方均安装了超声波水位计,实时监测水池水位。
蓄水池后的供水泵房内安装有4台加压泵,均为变频启动,和出口管道上的
压力变送器联动实现对外恒压供水。
供水泵房内还安装有出水水质检测设备,实时检测浊度、PH、余氯等水质参数。

3、 通信网络:
该供水系统中取水泵站、水厂和高位水池的距离虽然不远,但因地处山区,布
线困难,因此采用了GPRS-VPN专网的组网方式。
现场监控设备通过GPRS向水厂和水司两级中心上报数据。
水厂和水司监控中心内均配置GPRS数据传输模块DATA-6107,以接收现场监
控数据并下发操控指令。
4、 设备配置:
取水泵站:取水泵站内安装有3台取水泵、配置了水泵启动柜,通过加装取水泵
站监控设备,实现取水泵组的远程监测和远程控制。
水厂:水厂内布线方便,通过加装水厂监控设备,集中实现加药、加氯、加压
泵组的实时监控;多个水池的水位监测;水厂进/出水流量、压力和出厂水质的
监测。
高位水池:高位水池附近无电源,通过加装太阳能供电型高位水池监测终端和
投入式水位计,实现水池水位的在线监测。
5、系统功能:
◆ 远程监控
该系统实现了水司和水厂的两级监控。
水司监控中心主要是监测水厂整体运行数据、运行状态,以便于统计、分析
(监控软件中未分配设备控制权限)。
水厂监控中心在监控各工艺环节运行数据、设备状态的同时,可对取水泵组、
加药/加氯设备、加压泵组等环节实施远程控制(监控软件中分配了设备控制 权限),并可远程切换系统的手动/自动控制模式。
◆ 逻辑自控
① 加药设备和取水泵组实现联动,即取水泵组启动时加药设备同时启动、取
水泵组停泵时加药设备同时停止。
② 加氯设备和加压泵组实现联动,即加压泵组启动时加氯设备同时启动、加
压泵组关停时加氯设备同时关停。
③ 高位水池和加压泵组实现联动,即高位水池水位超高时,加压泵组自动停
泵;高位水池水位超低时,加压泵组自动开泵。
1、 平升自来水厂自控系统适用于供水企业远程监控管理水厂。
水厂操作人员可以在水厂控制室远程监测厂内水池水位、进厂流量、出厂流
量、出厂压力、水质等信息;监测加压泵组、配电设备及其它自动化设备的工
作情况;远程控制加压泵的启停。
水司调度中心工作人员及公司主管领导可以远程监测各水厂的工作情况及水厂
操作人员的操作情况。
1、远程监测
●监测电压、电流频率、状态、控制方式等设备参数。
●监测压力、流量、水位、阀门开度等工艺参数。
2、自动控制
●远程手动或按逻辑控制水泵的启、停,阀门的开度等。
●远程手动或按逻辑控制电动阀门的开、关等
3、传输网络
●有线网络: ADSL、光纤、网线通信时,支持视频实时监控。
●无线网络: GPRS/CDMA/NB-IOT通信时可远程拍照, 3G、4G通信时可视频传输。
4、水质安防
●实时在线监测水质余氯、PH值、浊度等水质数据。
●监测现场安防、设备巡检、现场环境等情况。
5、报警功能
●支持设备故障报警及采集参量上下限报警等。
●支持红外监测、闯入报警等报警,支持报警照片自动上传。
6、 高级分析
●分析采集数据,计算水泵能效,提出设备改型参考建议。
●自动生成各种报表、曲线,提高信息化办公效率。