指南生活
首页
美食营养
手工爱好
生活家居
返回
指南生活
首页
美食营养
游戏数码
手工爱好
生活家居
健康养生
运动户外
职场理财
情感交际
母婴教育
时尚美容
知识问答
生活知识
生活百科
搜索
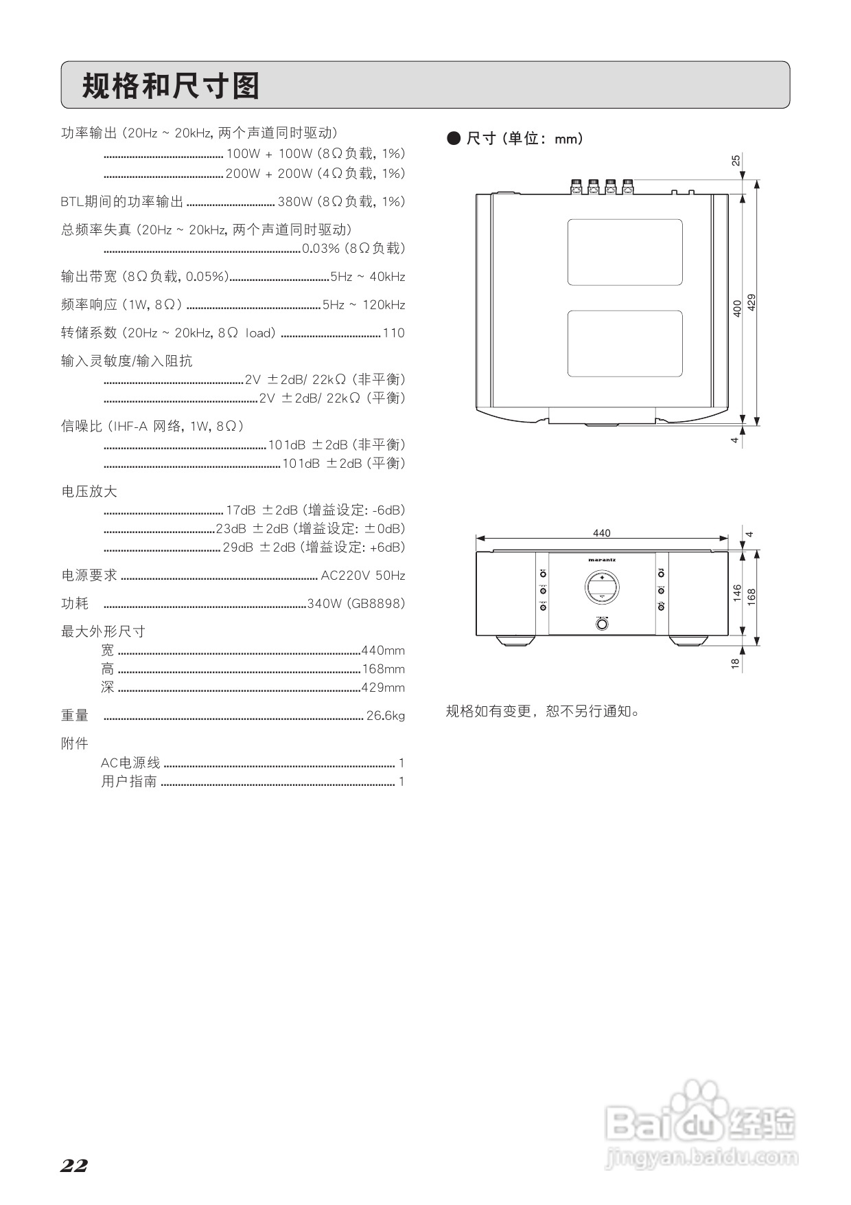
马兰士SM-11S1功放使用说明书:[2]
2026-05-10 07:36:59
(共篇)
上一篇:
声明:
本网站引用、摘录或转载内容仅供网站访问者交流或参考,不代表本站立场,如存在版权或非法内容,请联系站长删除,联系邮箱:site.kefu@qq.com。
相关推荐
PSCC第2课 如何换图像背景
阅读量:190
如何运用PS给图片更换背景?
阅读量:80
在ps中如何给照片更换背景?
阅读量:103
如何用PS快速制作天空云彩?
阅读量:75
PS中的图像控制技巧
阅读量:170
猜你喜欢
人造丝是什么面料
日新月异的异是什么意思
树懒是什么动物
杯弓蛇影是什么意思
特殊的反义词是什么
fabe是什么意思
货币基金是什么
颜控是什么意思
痘痘反复长是什么原因
pvc是什么材料
猜你喜欢
罗志祥是什么星座
九月初九是什么节日
一口咬掉牛尾巴是什么字
软件工程学什么
刷牙出血是什么原因
什么是剪力墙
紫河车是什么
什么人不能喝咖啡
十万个为什么的作者
斜率是什么