指南生活
首页
美食营养
手工爱好
生活家居
返回
指南生活
首页
美食营养
游戏数码
手工爱好
生活家居
健康养生
运动户外
职场理财
情感交际
母婴教育
时尚美容
知识问答
生活知识
生活百科
搜索
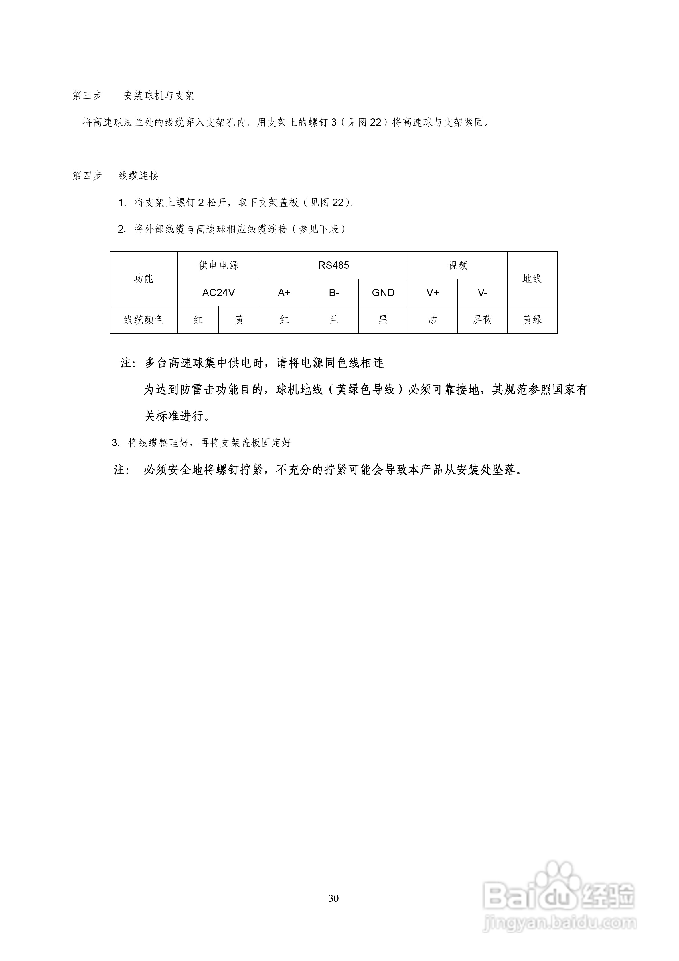
索尼VK-S274ER智能高速球型摄像机使用说明书:[3]
2026-04-03 14:18:41
本篇为《索尼VK-S274ER智能高速球型摄像机使用说明书》,主要介绍该产品的使用方法以及常见故障解决方案。
(共篇)
上一篇:
|
下一篇:
声明:
本网站引用、摘录或转载内容仅供网站访问者交流或参考,不代表本站立场,如存在版权或非法内容,请联系站长删除,联系邮箱:site.kefu@qq.com。
相关推荐
索尼VK-S274ER智能高速球型摄像机使用说明书:[6]
阅读量:24
索尼VK-S274ER智能高速球型摄像机使用说明书:[4]
阅读量:172
摄像机/录像机如何修改密码
阅读量:157
索尼VK-S274ER智能高速球型摄像机使用说明书:[5]
阅读量:153
索尼VK-S274ER智能高速球型摄像机使用说明书:[2]
阅读量:26
猜你喜欢
鱼刺卡到喉咙怎么办
怎么改文件类型
引体向上怎么做
电影学院怎么考
笔记本怎么连接电视
不开心的时候怎么办
喉咙干燥怎么办
word怎么设置密码
入队申请书怎么写
情侣空间怎么解除
猜你喜欢
淘宝差评怎么删除
手上脱皮怎么办
皮肤过敏痒怎么办
qq聊天背景怎么弄
cad公差怎么标注
迅捷路由器怎么设置
路由器怎么修改密码
微商城怎么开
想在淘宝开店怎么开
c盘格式化会怎么样