指南生活
首页
美食营养
手工爱好
生活家居
返回
指南生活
首页
美食营养
游戏数码
手工爱好
生活家居
健康养生
运动户外
职场理财
情感交际
母婴教育
时尚美容
知识问答
生活知识
搜索
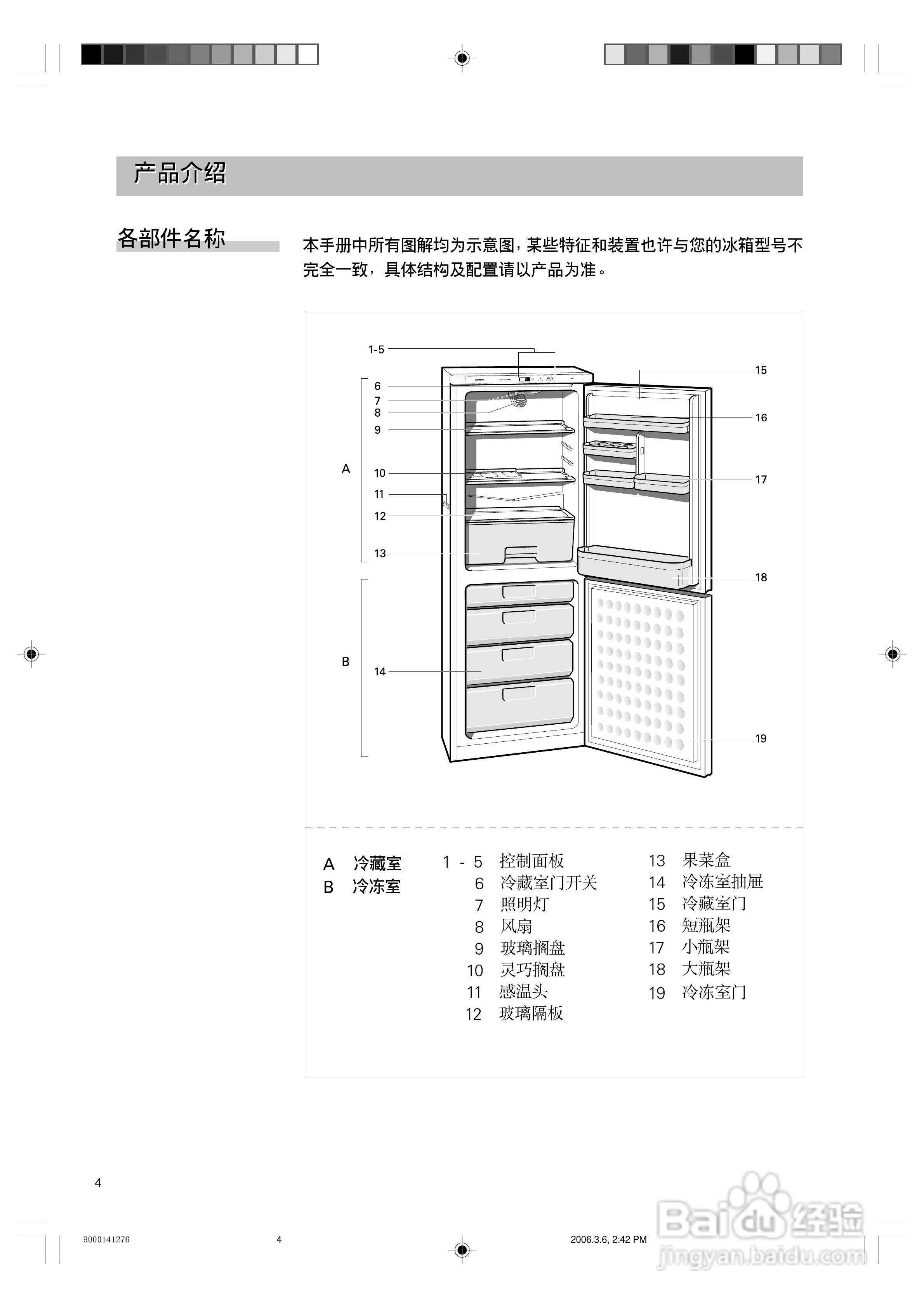
西门子KK23V75TI冰箱使用说明书:[1]
2025-12-27 04:11:34
(共篇)
下一篇:
声明:
本网站引用、摘录或转载内容仅供网站访问者交流或参考,不代表本站立场,如存在版权或非法内容,请联系站长删除,联系邮箱:site.kefu@qq.com。
相关推荐
IE8无法直接下载文件怎么办?
阅读量:155
在局域网内如何让电脑自动获取到某一固定IP地址
阅读量:147
易语言窗口取用户区宽度高度
阅读量:22
用UltraISO制作Windows7系统安装引导盘?
阅读量:148
使用u深度THDD工具检测硬盘坏道
阅读量:53
猜你喜欢
须臾是什么意思
建军节是什么时候
耳濡目染是什么意思
羊宝是什么
negative是什么意思
好友克隆是什么意思
td什么意思
什么是干细胞
信用卡积分有什么用
经常做梦是什么原因
猜你喜欢
dirty是什么意思
zebra是什么意思
秋葵是什么
1979年属什么
ecm是什么意思
distance是什么意思
领结婚证需要什么
嘴唇脱皮是什么原因
佛是什么
qq申诉成功凭证是什么