指南生活
首页
美食营养
手工爱好
生活家居
返回
指南生活
首页
美食营养
游戏数码
手工爱好
生活家居
健康养生
运动户外
职场理财
情感交际
母婴教育
时尚美容
知识问答
生活知识
生活百科
搜索
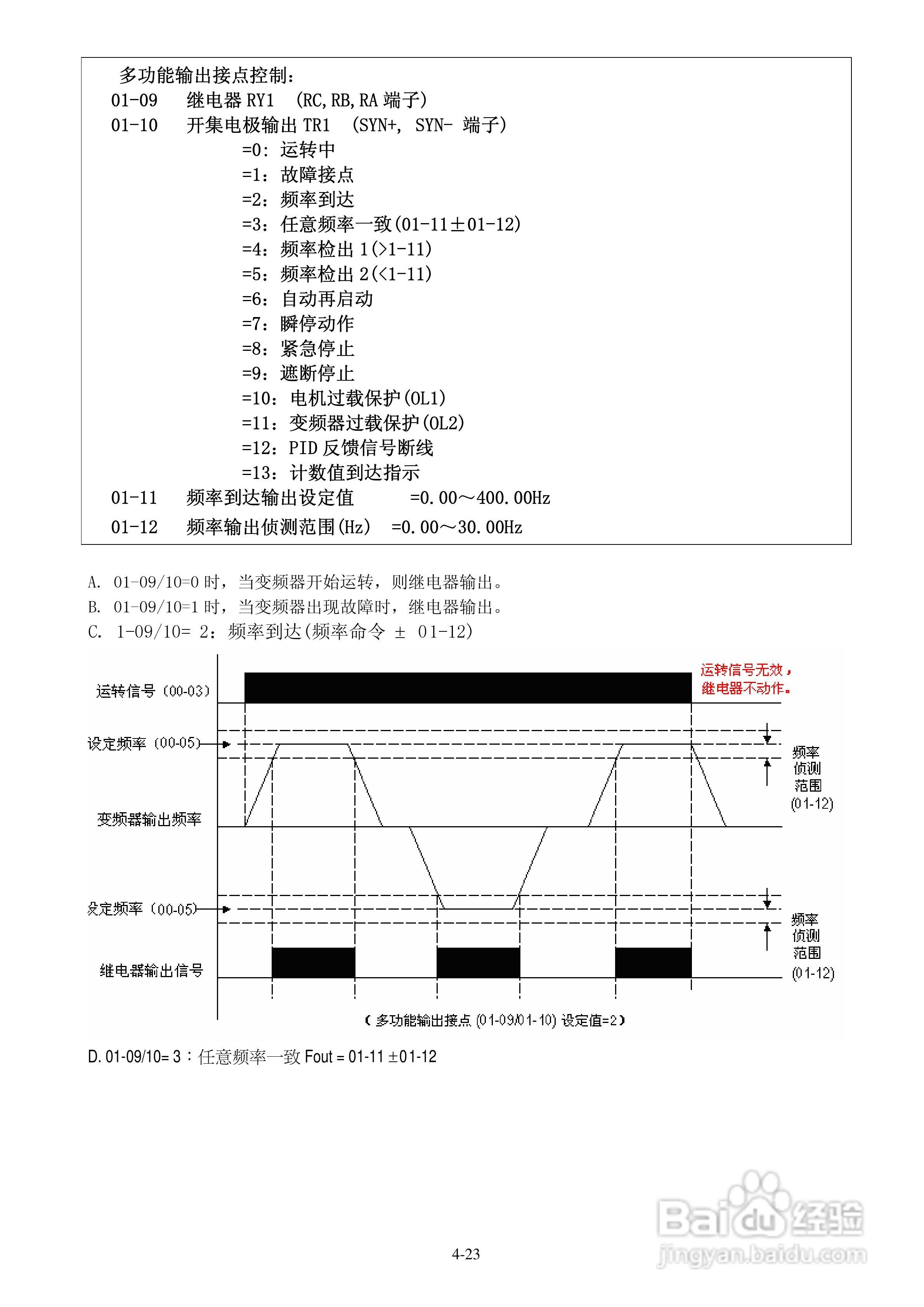
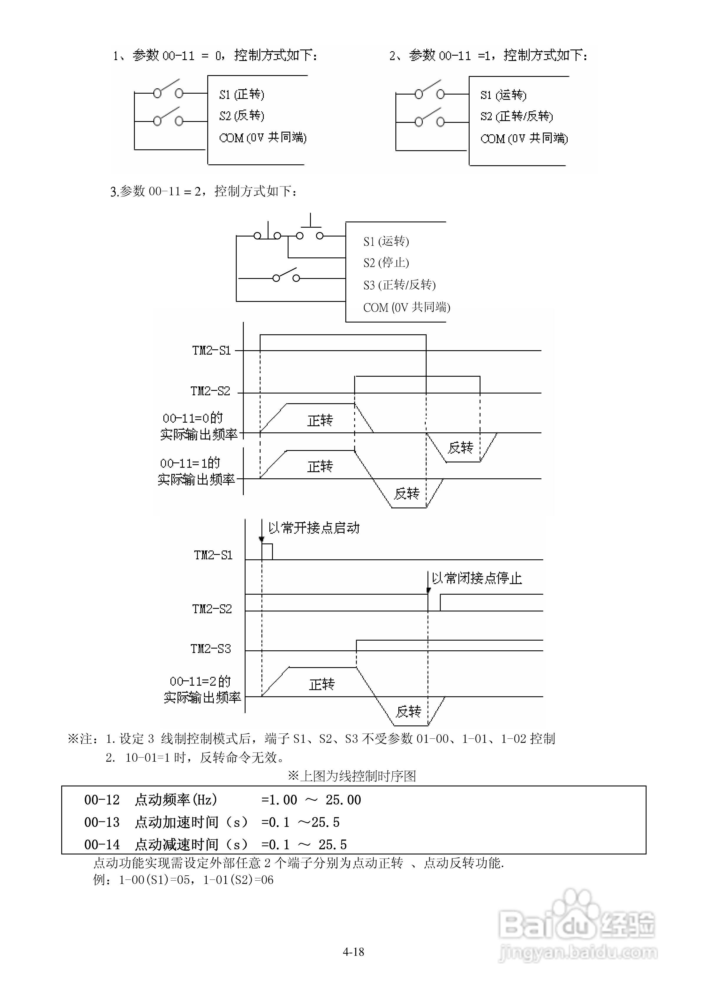
FATEK FID-E1-004-23变频器使用说明书:[5]
2026-04-30 13:37:40
本篇为《FATEK FID-E1-004-23变频器使用说明书》,主要介绍该产品的使用方法以及常见故障解决方案。
(共篇)
上一篇:
|
下一篇:
声明:
本网站引用、摘录或转载内容仅供网站访问者交流或参考,不代表本站立场,如存在版权或非法内容,请联系站长删除,联系邮箱:site.kefu@qq.com。
相关推荐
FATEK FID-E1-004-23变频器使用说明书:[11]
阅读量:103
FATEK FID-N1-550-43X变频器使用说明书:[5]
阅读量:112
FATEK FID-N1-550-43X变频器使用说明书:[4]
阅读量:123
FATEK FID-N1-550-43X变频器使用说明书:[3]
阅读量:81
FATEK FID-N1-550-43X变频器使用说明书:[7]
阅读量:98
猜你喜欢
支气管扩张治疗方法
茄子的家常做法
营养粥的做法大全
怎么写好小说
海鲜疙瘩汤的家常做法
家常西红柿烧茄子
牛肉炖柿子的家常做法
宫保鸡丁怎么做好吃
户型图大全
眼部除皱的方法
猜你喜欢
我的世界怎么种西瓜
连衣裙英语怎么说
摩托车怎么保养
gho文件怎么打开
包粽子的方法与步骤图
勾股定理证明方法
鳕鱼怎么做好吃
茄子豆角的家常做法
学好英语的方法
膝盖疼的治疗方法