指南生活
首页
美食营养
手工爱好
生活家居
返回
指南生活
首页
美食营养
游戏数码
手工爱好
生活家居
健康养生
运动户外
职场理财
情感交际
母婴教育
时尚美容
知识问答
生活知识
搜索
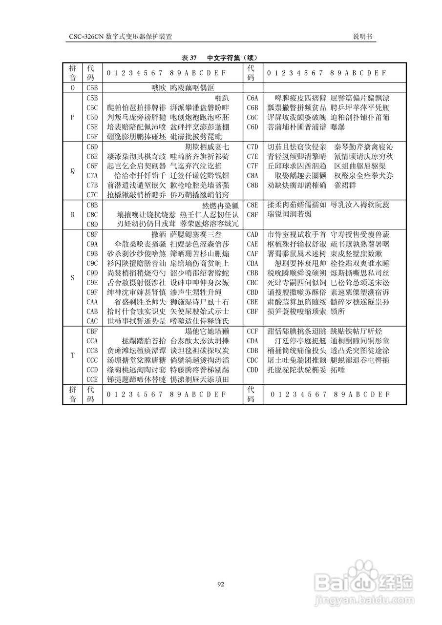
CSC-326CN数字式变压器保护装置说明书:[10]
2025-12-29 23:30:35
本篇为《CSC-326CN数字式变压器保护装置说明书》,主要介绍该产品的使用方法以及常见故障解决方案。
(共篇)
上一篇:
|
下一篇:
声明:
本网站引用、摘录或转载内容仅供网站访问者交流或参考,不代表本站立场,如存在版权或非法内容,请联系站长删除,联系邮箱:site.kefu@qq.com。
相关推荐
CSC-326CN数字式变压器保护装置说明书:[1]
阅读量:113
CSC-326CN数字式变压器保护装置说明书:[4]
阅读量:195
变压器满负载的测试方法
阅读量:104
变压器有载分接开关测试仪使用方法
阅读量:120
变压器有载分接开关测试仪操作方法
阅读量:66
猜你喜欢
百褶裙搭配什么上衣
wednesday是什么意思
烘干机什么牌子好
中专和职高有什么区别
fall是什么意思
premium是什么意思
t是什么单位
meet是什么意思
读数和写数都从什么位起
处女座和什么座最配
猜你喜欢
运输费计入什么科目
褐色是什么颜色
九天揽月是什么意思
社保编号是什么
什么是面积
clothes是什么意思
肌酐是什么
什么是压力
五万左右买什么车好
学习机什么牌子好