指南生活
首页
美食营养
手工爱好
生活家居
返回
指南生活
首页
美食营养
游戏数码
手工爱好
生活家居
健康养生
运动户外
职场理财
情感交际
母婴教育
时尚美容
知识问答
生活知识
生活百科
搜索
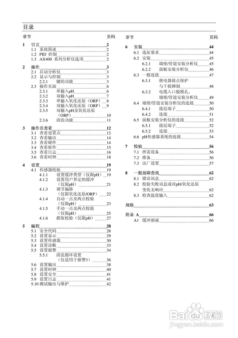
AbbAX400系列PH分析仪说明书:[1]
2026-04-17 08:11:03
本篇为《AbbAX400系列PH分析仪说明书》,主要介绍该产品的使用方法以及常见故障解决方案。
(共篇)
下一篇:
声明:
本网站引用、摘录或转载内容仅供网站访问者交流或参考,不代表本站立场,如存在版权或非法内容,请联系站长删除,联系邮箱:site.kefu@qq.com。
相关推荐
海为HMI本地局域网电脑开机网页自动访问触摸屏
阅读量:158
地暖防水怎么做
阅读量:28
一个电流表和一个电流互感器如何测电流
阅读量:105
接地电阻国家标准是多少
阅读量:63
高压开关柜中PT柜的作用是什么
阅读量:159
猜你喜欢
小孩感冒鼻塞怎么办
鼻头怎么缩小
宝宝拉绿屎怎么回事
电子商务专业怎么样
鸭肉怎么做好吃
鸭腿怎么做好吃
一周菜谱家常菜
负债率怎么算
过敏性皮炎怎么治疗
猪头肉怎么做好吃
猜你喜欢
苹果手机怎么连电脑
蔷薇花的养殖方法
怎么利用网络赚钱
湿疹图片大全
蕨菜怎么做好吃
瘦身减肥方法
快速祛痘方法
牛尾汤的做法大全
怎么建立网站
猜谜语大全及答案