3-axis IP Dome Camera NTSC系统防爆型网络摄像机操作:[1]

2025-11-01 08:56:16

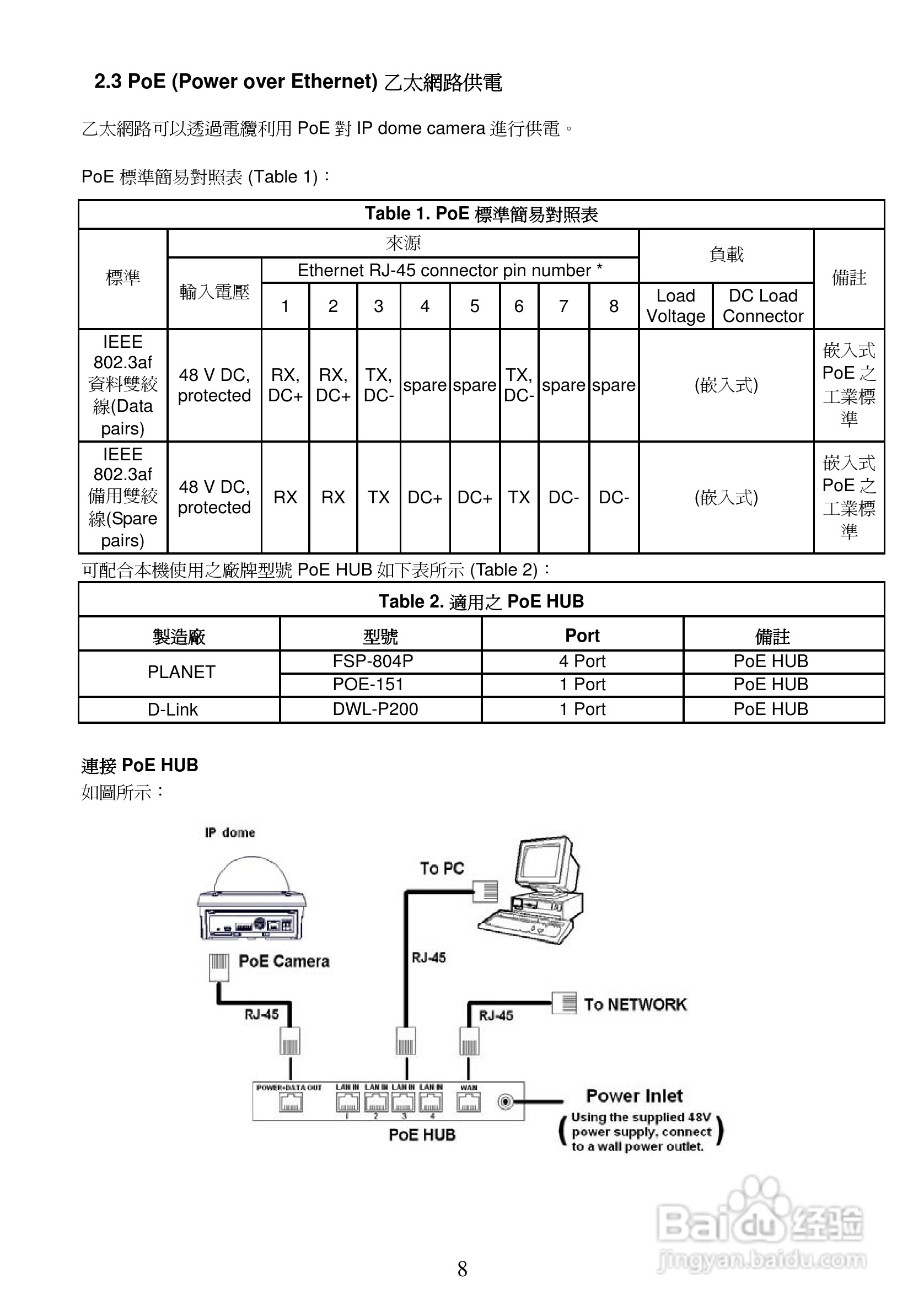
本篇为《3-axis IP Dome Camera NTSC系统防爆型网络摄像机操作》,主要介绍该产品的使用方法以及常见故障解决方案。

 

3-axis IP Dome Camera NTSC系统防爆型网络摄像机操作:[1]

3-axis IP Dome Camera NTSC系统防爆型网络摄像机操作:[1]

3-axis IP Dome Camera NTSC系统防爆型网络摄像机操作:[1]

3-axis IP Dome Camera NTSC系统防爆型网络摄像机操作:[1]

3-axis IP Dome Camera NTSC系统防爆型网络摄像机操作:[1]

3-axis IP Dome Camera NTSC系统防爆型网络摄像机操作:[1]

3-axis IP Dome Camera NTSC系统防爆型网络摄像机操作:[1]

3-axis IP Dome Camera NTSC系统防爆型网络摄像机操作:[1]

3-axis IP Dome Camera NTSC系统防爆型网络摄像机操作:[1]

3-axis IP Dome Camera NTSC系统防爆型网络摄像机操作:[1]

(共篇)下一篇:
声明:本网站引用、摘录或转载内容仅供网站访问者交流或参考,不代表本站立场,如存在版权或非法内容,请联系站长删除,联系邮箱:site.kefu@qq.com。
猜你喜欢